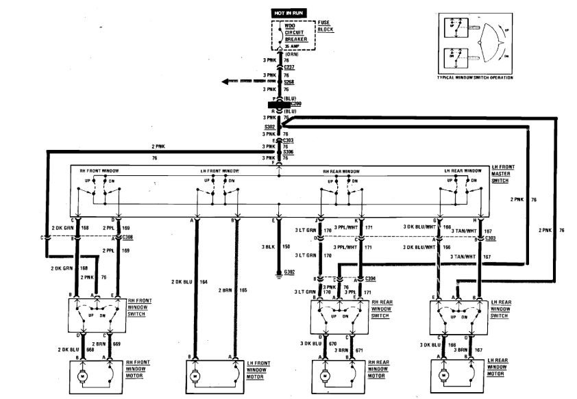
When i put the fuse in the power window slot it gets hot. When a window motor goes out will it short out the circuit? One side of the fuse has power with the key on. When i tried to send power to the other side that showed a ground with a power probe it sparked.
Feb 5, 2019 at 5:48 PM

