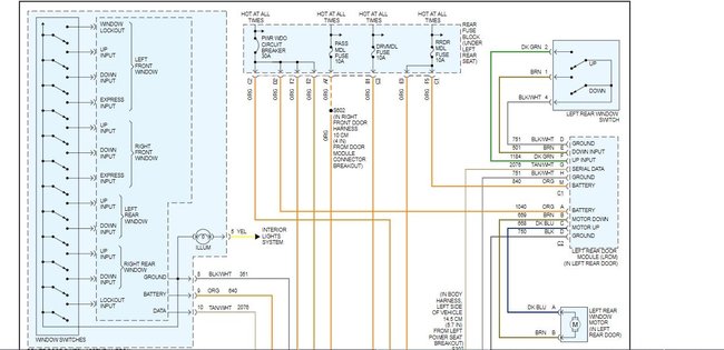
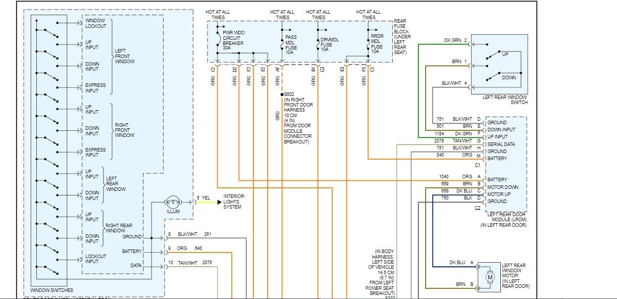
I can hear a noise in the relay when I press the switch. Only drivers side door. When I bought the car a couple months back it did not have any windows that would roll down. First I tried new window regulators motors in the front two windows because the back to rolled down with just a jump. Well, after I got those in they didn't roll down still. Only the dome lights and lock worked on the driver side door. I lifted the driver's seat up and pull the carpet back and underneath the driver seat a wire is corroded. So I took the piece off clean up the wire and the dome lights popped on in the locks worked but only the driver's door window would roll down. I tried new switches on the other three doors and I tried new relays and nothing is working. Here to find out wires were cut only on front passenger windows. I only have wires and not sure how they go. There's a blue and tan on door and new regulator has blue and red.
Jan 6, 2020 at 9:58 AM




