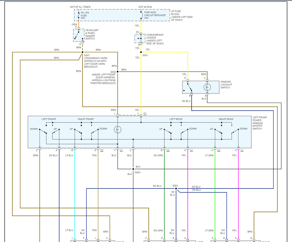
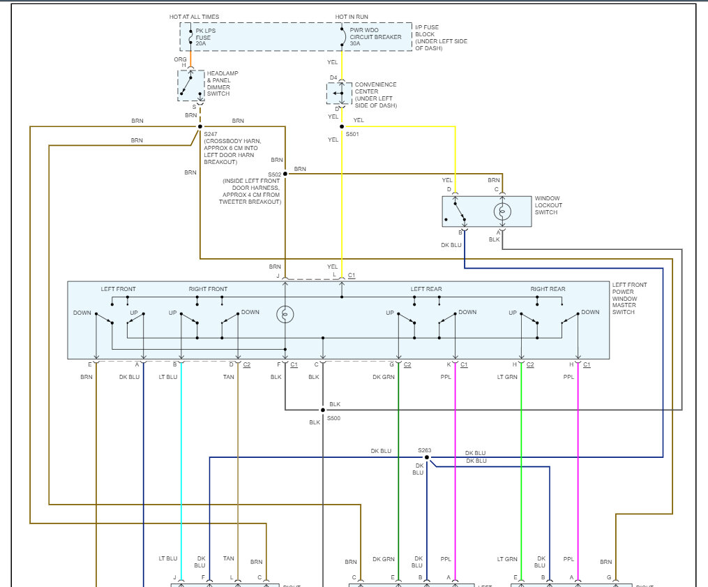
It sounds like the main switch went out. But we should check the PWR WDO circuit breaker, this guide can help:
https://www.2carpros.com/articles/how-to-use-a-test-light-circuit-tester
If the circuit breaker is okay here is how to change the main switch out and I have included the window system wiring diagrams so you can see how the system works.
Check out the images (below). Please let us know how it goes.
Images (Click to enlarge)
Sep 5, 2023 at 12:58 PM