Windows do not go up fuse keeps blowing?

2005 FORD FIVE HUNDRED
112,000 MILES • V6
Avatar
DONNAK12
  • MEMBER
  • 2 POSTS
Fuse f2 keeps blowing windows won't roll up.
Jul 12, 2025 at 8:57 PM
Advertisement
Avatar
STRAILER
  • CERTIFIED EXPERT
  • 53,854 POSTS
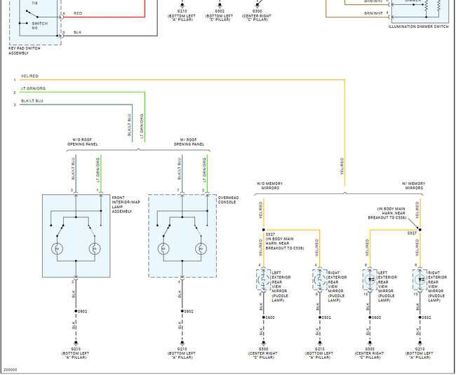
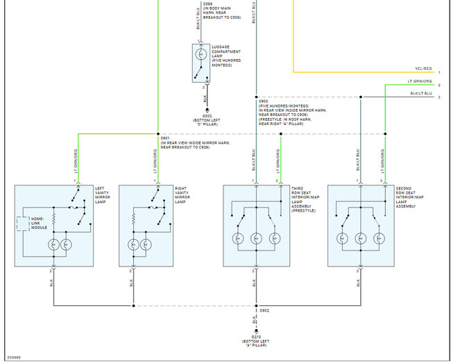
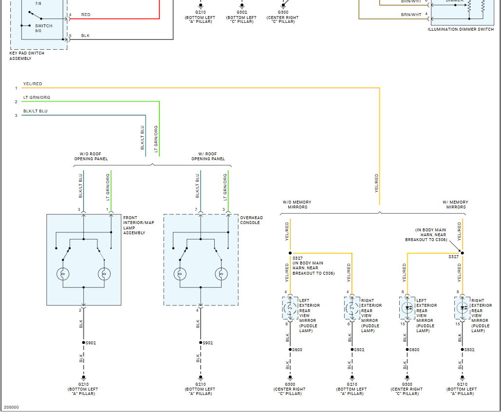
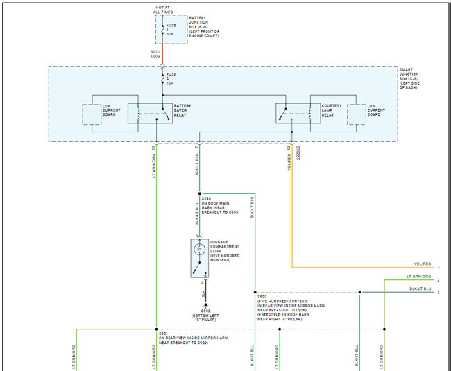
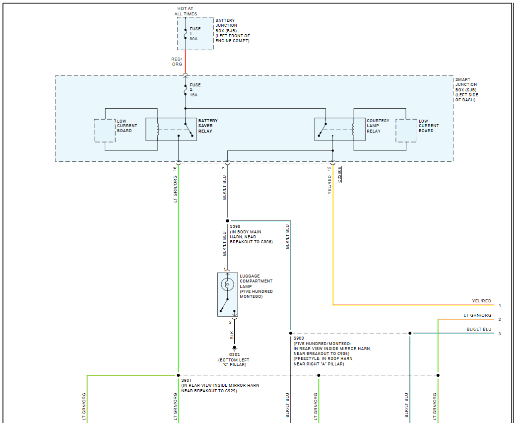
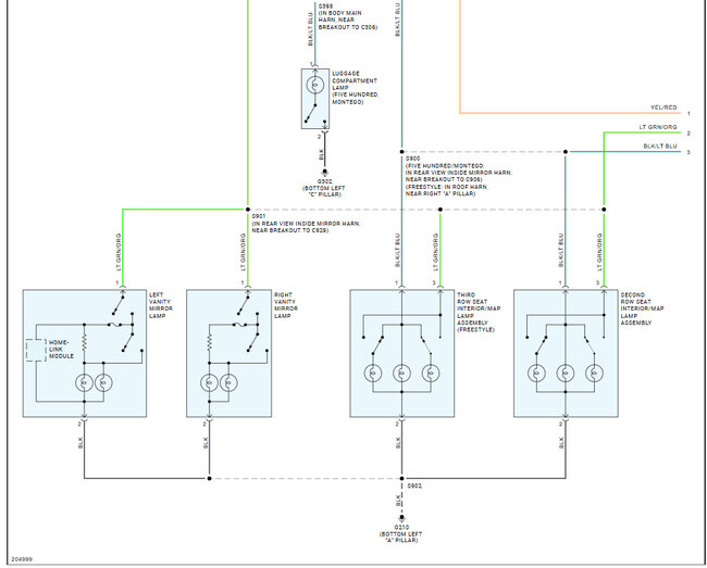
It looks like you have two separate problems, the f2 two goes to the courtesy light and battery saver relays so we will handle that problem on this thread, please start a new question for the window issue. So, the relays are intergraded into the smart junction box so if they are shorted you will need to open the box and change them out or change out the SJB. Here are the wiring diagrams for the courtesy light and battery saver relays so you can unplug/inspect things like the light in the trunk and the vanity light bulbs in the sun visors. Please see below for a complete list. Check out the images (below). Let us know what you find.


Jul 13, 2025 at 1:08 PM