Windows and wipers not working

2008 HONDA ACCORD
210,000 MILES • 4 CYL • 2WD • AUTOMATIC
Avatar
ABONNELL19
  • MEMBER
  • 1 POST
My driver side window and my passenger side window won't work and my windshield wipers won't work. I have checked the fuses but they are good.
Mar 13, 2019 at 5:28 PM
Advertisement
Avatar
SCGRANTURISMO
  • CERTIFIED EXPERT
  • 4,897 POSTS
Hello,

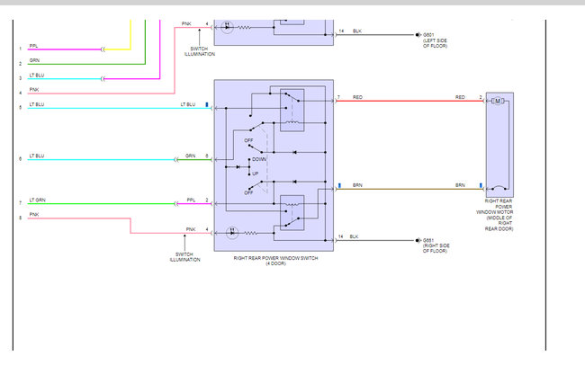
Okay, you checked the fuses 3, 4 and 24 from the driver's side under dash fuse box(included below in the diagrams) and they are all okay. So what we have to do is trace the circuit to find out where the problem is. I have included a link for you down below. Please go through it if you are not familiar with how to use a multi-meter.

https://www.2carpros.com/articles/how-to-use-a-voltmeter

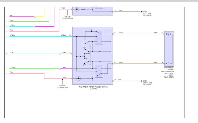
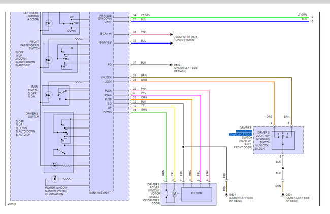
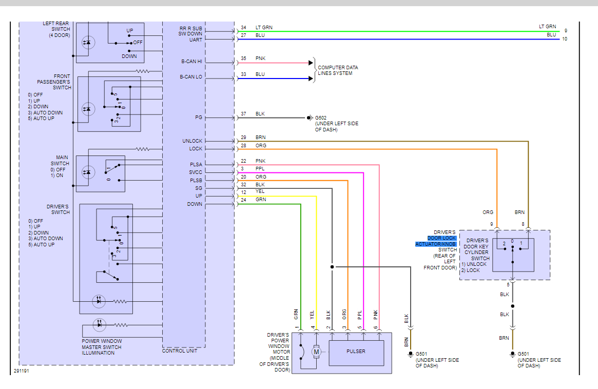
Now let's start at the window switches themselves. In the diagrams below I have included diagrams explaining what each pin in the window switches control and how to test to see if you have Battery + 12 volts at them. This will be our starting point. If Battery + 12 volts is present at the switches, then we will know that we will have to move down the circuit to the motor side. If Battery + 12 volts is not present at the switches then we will work our way back up the circuit towards the fuses to see where the break in the circuit is,

I also have included in the diagrams down below Wiring Diagrams for the power windows. Please do the tests in the diagrams below and get back to us with the results. We will go from there.

Thanks,
Alex
2CarPros
Mar 14, 2019 at 4:18 AM