Windows and locks quit working

1997 JEEP GRAND CHEROKEE LAREDO
104,000 MILES • 4.0L • 6 CYL • 4WD • AUTOMATIC
Avatar
DAVID LUDWIG
  • MEMBER
  • 1 POST
The power windows and locks quit working on my vehicle. They do not work from there separate consoles or the drivers side console. I have check all wires leading into the doors and none are broken or stretching.
May 8, 2017 at 11:24 AM
Advertisement
Avatar
STRAILER
  • CERTIFIED EXPERT
  • 53,854 POSTS
Hello,

These cars had a problem with broken wiring in the door by the door frame at the front of the door.

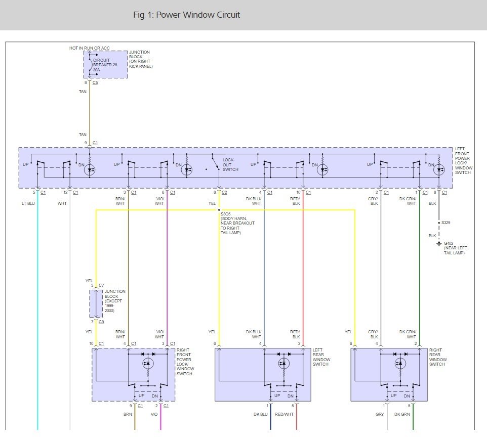
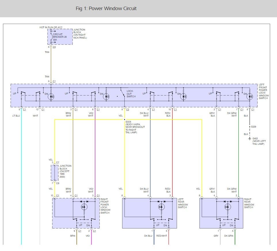
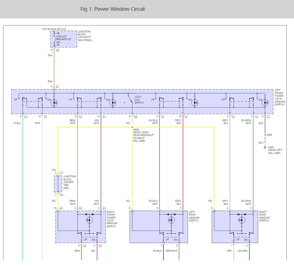
There are some fuses that need to be checked, here is a guide and some wiring diagrams to help you get the problem fixed.

https://www.2carpros.com/articles/how-to-check-a-car-fuse

and

https://www.2carpros.com/articles/how-to-use-a-test-light-circuit-tester

and

https://www.2carpros.com/articles/how-to-check-wiring


Please run some tests and get back to us so we can continue helping you.

Cheers, Ken
May 10, 2017 at 3:57 PM