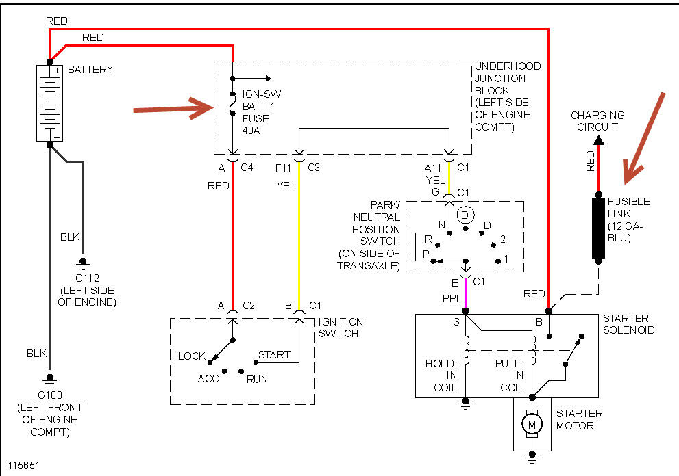
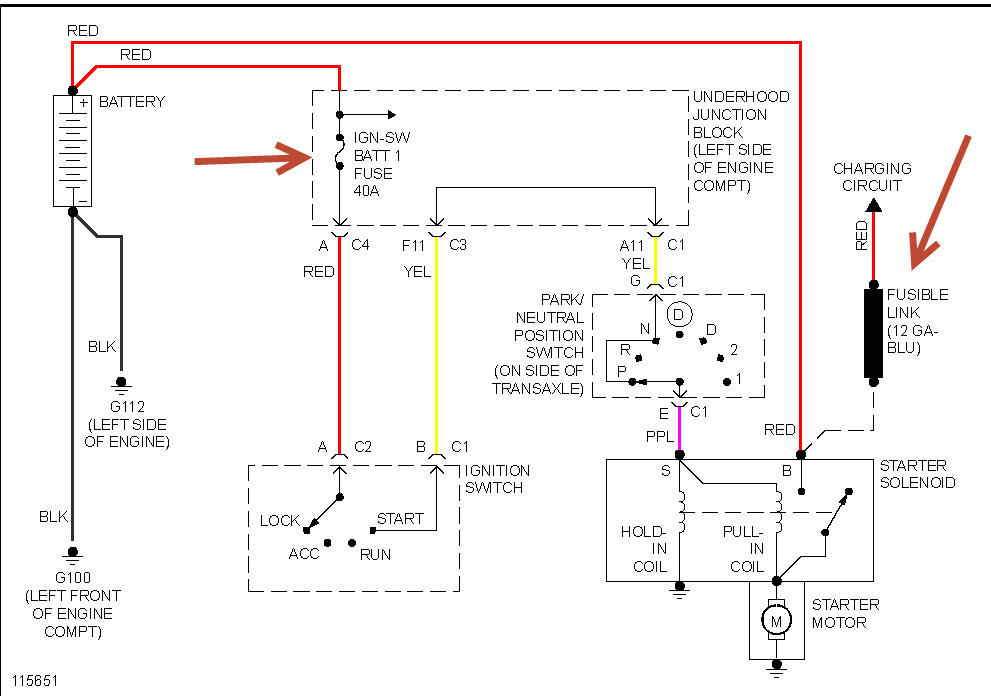
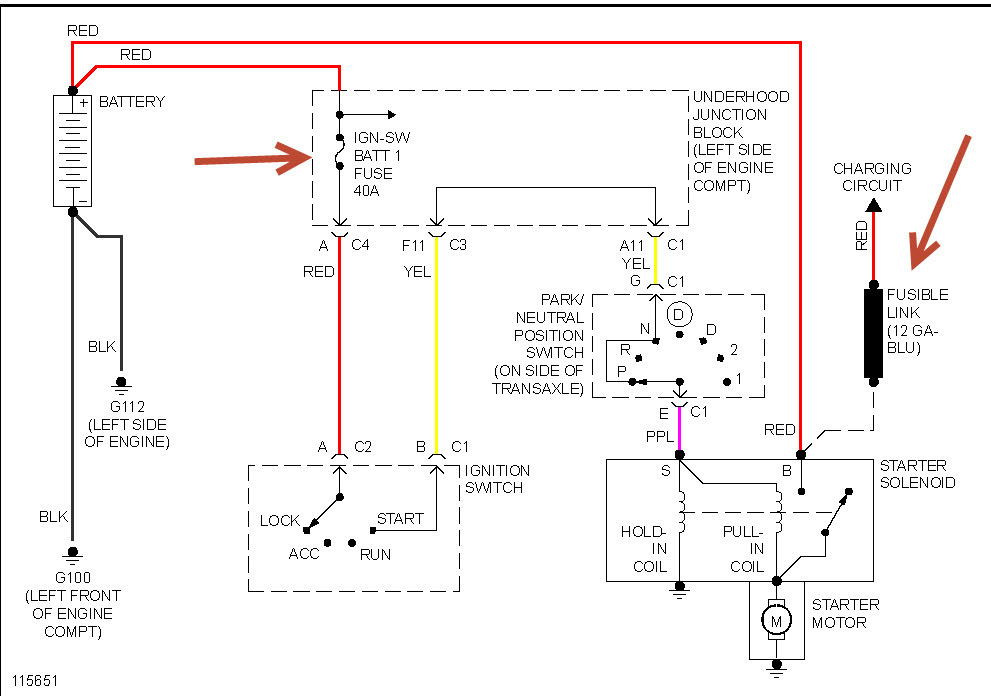
when driving the car the battery light and theft system light come on and then the air conditioner, the windows and the temperature gauge stop working. can you please tell me what the problem might be
Aug 11, 2013 at 10:18 AM

