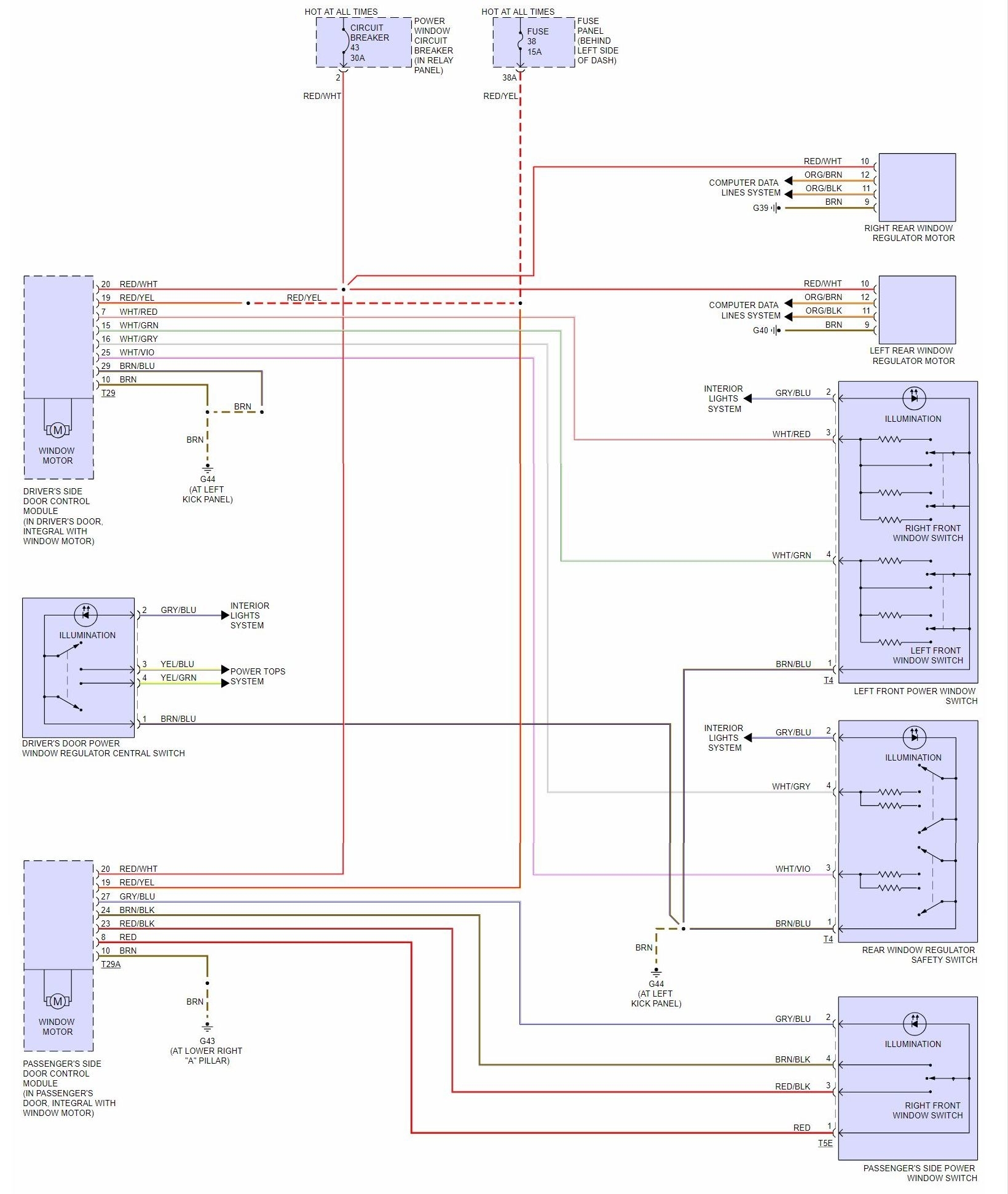
Windows not working properly

2006 VOLKSWAGEN BEETLE
98,000 MILES • 2WD • AUTOMATIC
Avatar
PFAIRC
  • MEMBER
  • 1 POST
My daughter's car is a convertible that the windows have stopped coming down part way when you turn off the car. Normally this allows you to easily open the door, and then once you shut the door or lock the car they go back up. I am sure this will be an expensive repair but does anyone have any ideas? I am hoping it is a simple fuse or something.
Jul 2, 2018 at 4:46 PM
Advertisement
Avatar
STEVE W.
  • CERTIFIED EXPERT
  • 15,113 POSTS
Does it act that way with both doors or only one side? Same thing if you unlock and lock with the fob? Does the interior light come on when the door is open?
Do the power windows still work properly other than that? Power or manual top?

You can try this reset procedure.

Start the car -
1 - Put the top down.
2 - Press the "All" window down switch, let all windows go fully down, then press the same "All Windows" switch twice with the windows down.
3 - Raise the windows with the "All" window up switch, then press the switch up twice.

There is a common issue with them having door latches and the window regulators. The latch is not hard to change out but you need to pull the door trim and remove the upper panel to get it out.

If the reset does not work it might be a good idea to have a shop with a good scan tool see if the convenience center or BCM has any associated codes, that might narrow down the search faster. You are correct in the parts being expensive. So just replacing parts as a "test" could end up costing much more than the diagnostic charge.

Jul 3, 2018 at 11:10 PM