Windows not working properly

1997 MERCEDES BENZ E320
169 MILES • 2.3L • 6 CYL • 2WD • AUTOMATIC
Avatar
JANET21JIM23
  • MEMBER
  • 1 POST
Windows do not work if I use the key in the passenger door. Back windows work up down.
Nov 27, 2018 at 5:01 PM
Advertisement
Avatar
STRAILER
  • CERTIFIED EXPERT
  • 53,854 POSTS
Hello,

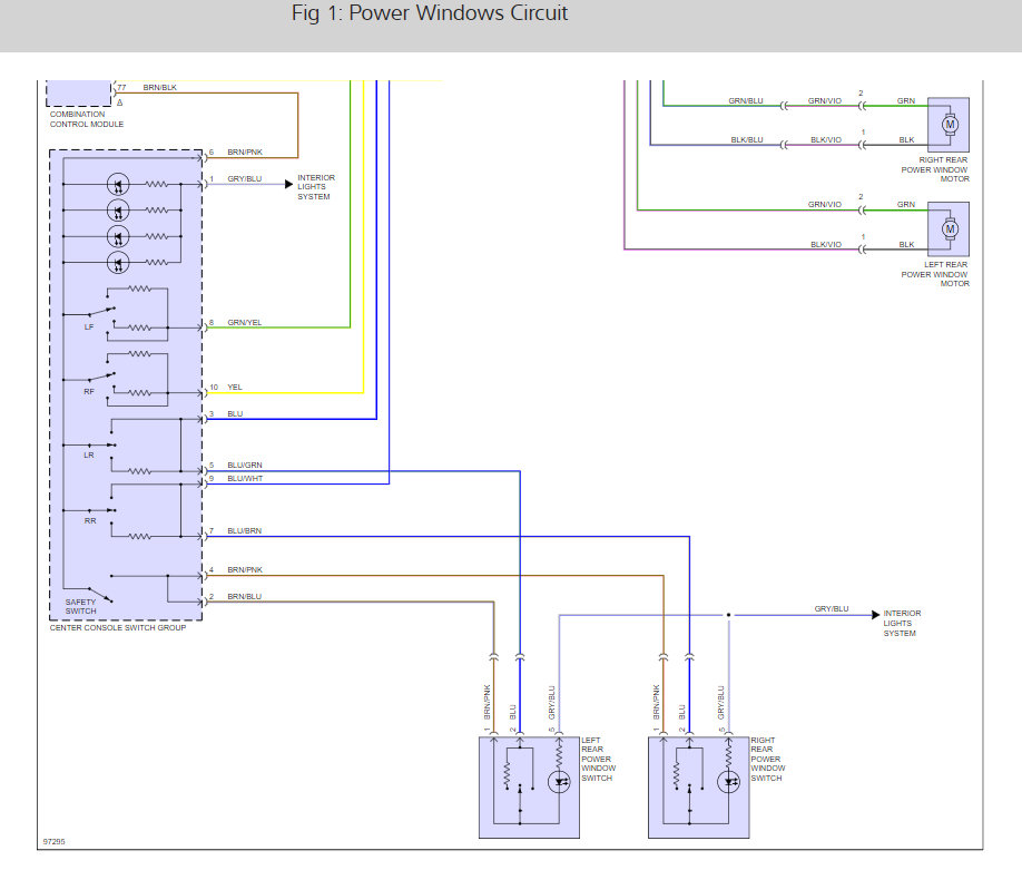
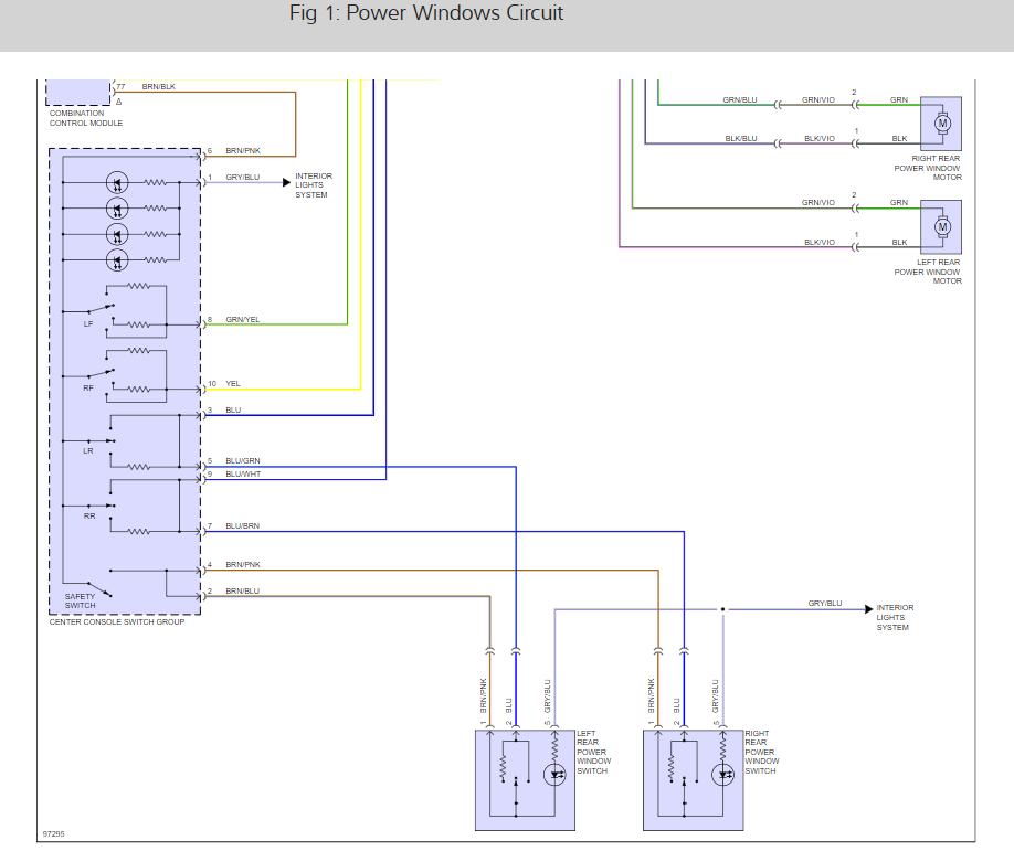
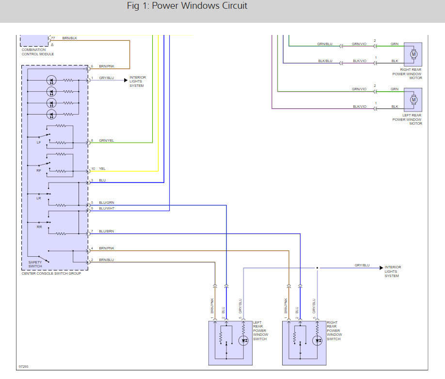
There are two fuses #1 and #2 in the rear fuse panel that need to be checked. Here are the window wiring diagrams so you can see how the system works and a guide to help you check for power at the fuse:

https://www.2carpros.com/articles/how-to-check-a-car-fuse

Check out the diagrams (below). Please let us know what you find. We are interested to see what it is.

Cheers, Ken
Nov 29, 2018 at 11:24 AM