Power windows not working

2004 BUICK LESABRE
130,000 MILES • 0.7L • 6 CYL • 2WD • AUTOMATIC
Avatar
DANMAN1062
  • MEMBER
  • 1 POST
Can roll down the driver window but the other 3 do not work.
Apr 16, 2021 at 10:36 PM
Advertisement
Avatar
ASEMASTER6371
  • CERTIFIED EXPERT
  • 52,796 POSTS
Good morning,

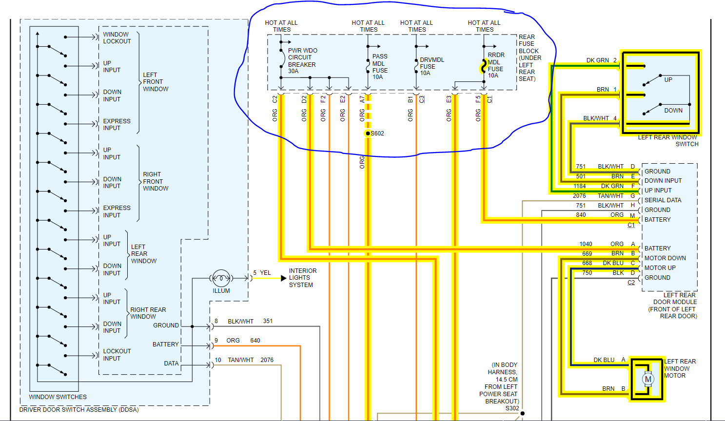
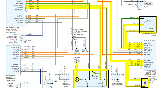
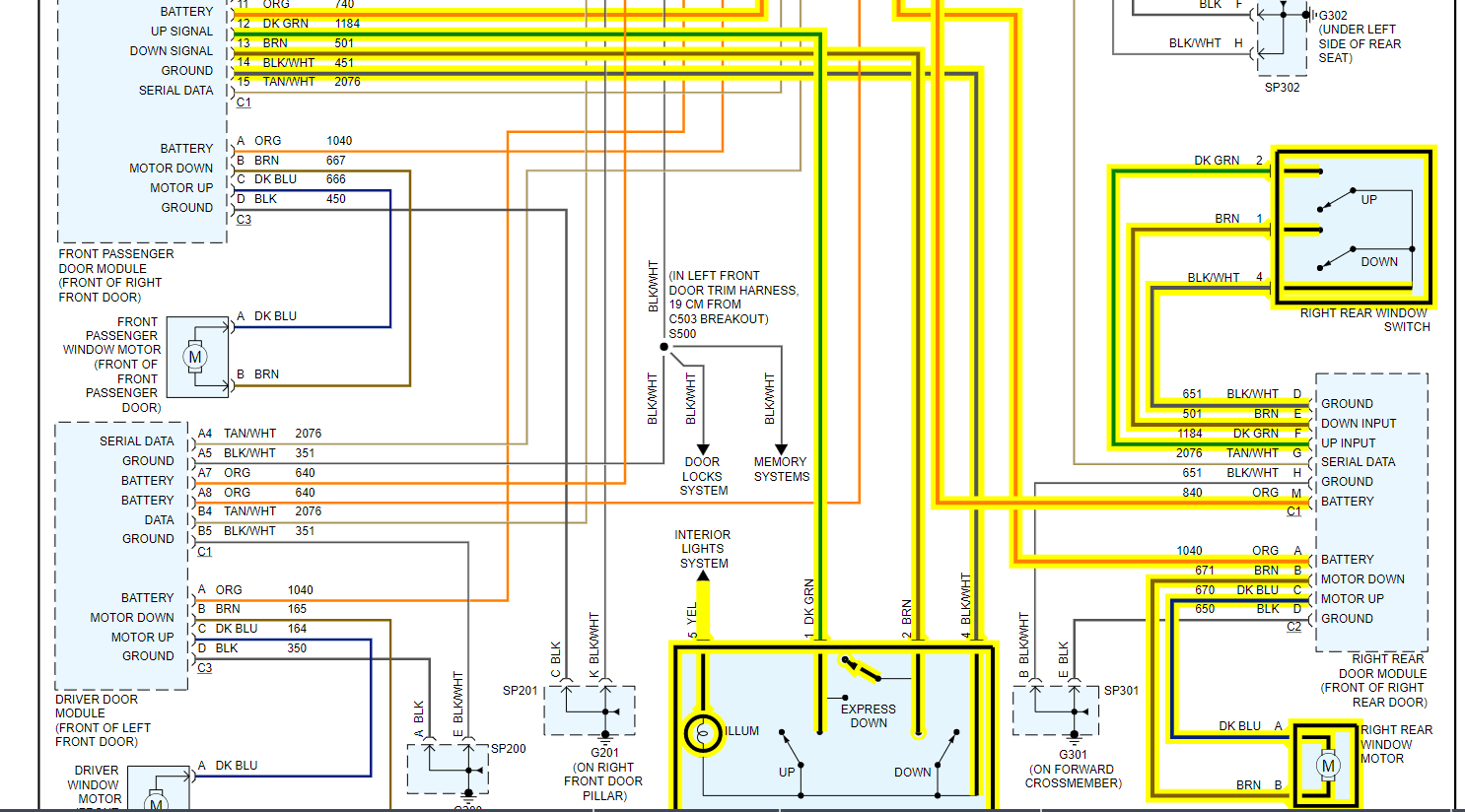
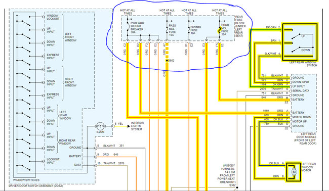
I attached a diagram for you for the windows.

Check the fuses I circled under the back seat for power with the key on. The one thing that they have in common is the fuse block. That was a common failure.

https://www.2carpros.com/articles/how-to-check-wiring

https://www.2carpros.com/articles/how-to-use-a-voltmeter

Roy
Apr 17, 2021 at 2:03 AM