Window wiring diagram needed?

2007 CHEVROLET SILVERADO
100,000 MILES • V8 • 4WD • AUTOMATIC
Avatar
DYOUTSEY
  • MEMBER
  • 1 POST
My back right power window was only going down at the door but not back up and I could only roll it up at the master but not down. So, I replaced the switch. Now it will work at the door up and down and not all at the master switch. Can you give me the wiring diagram for these windows?
Jun 2, 2025 at 9:34 PM
Advertisement
Avatar
STRAILER
  • CERTIFIED EXPERT
  • 53,854 POSTS
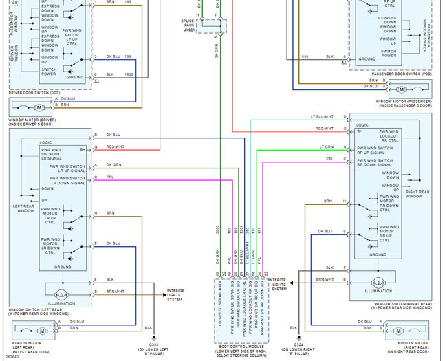
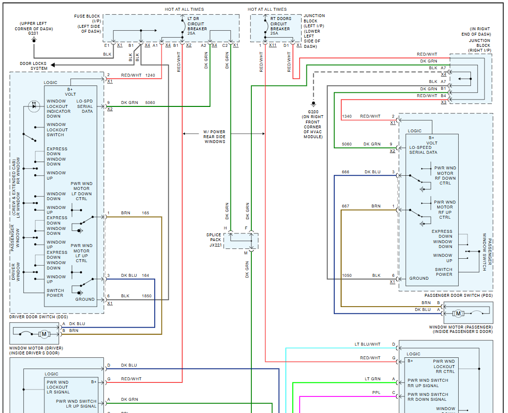
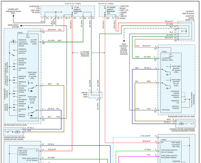
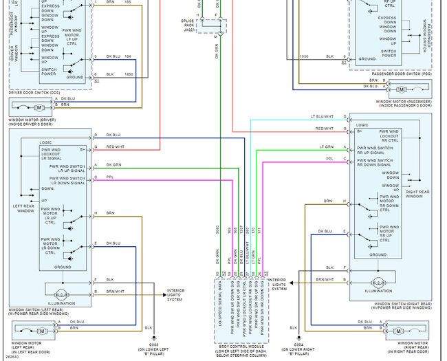
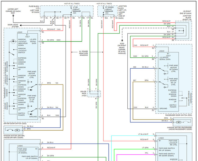
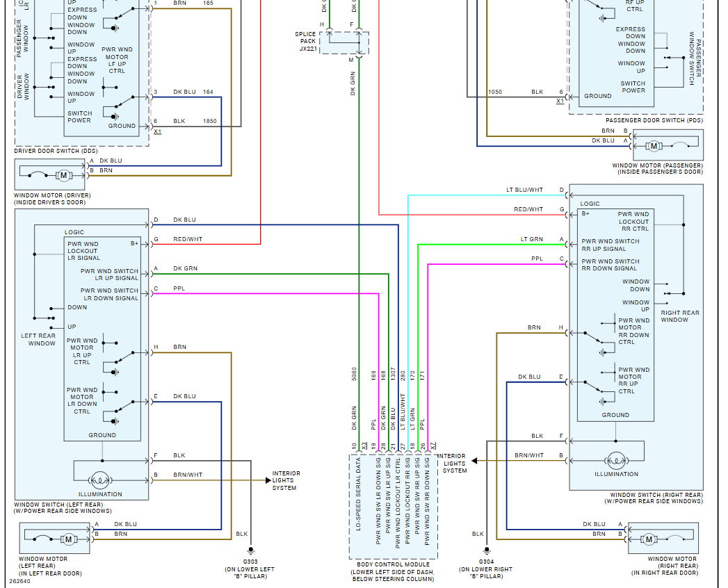
Did you use an OEM replacement switch, if not this can be the problem. The master switch can be the problem in the first place. Here is the window wiring as requested. Check out the images (below). Please upload pictures or videos in your response.
Jun 3, 2025 at 11:33 AM