Window wiring diagram needed?

2004 GMC YUKON
158,000 MILES • 5.3L • V8
Avatar
HAILEEGRACECRIMI12
  • MEMBER
  • 19 POSTS
I just bought this vehicle and the driver window buttons do not work for anything. Upon opening up the door panel to check it out, I found someone had cut all the wires. is there a way to know which is window up and down so I can just wire in my own switches? I looked at diagrams online but can't figure them out.
Mar 19, 2023 at 7:29 PM
Advertisement
Avatar
BORIS K
  • CERTIFIED EXPERT
  • 836 POSTS
Hello,

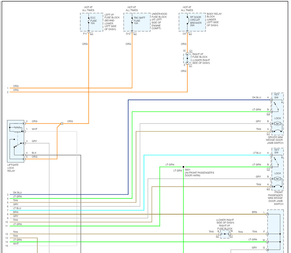
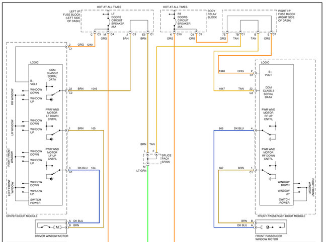
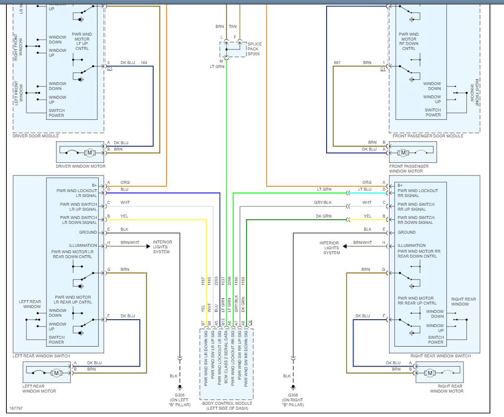
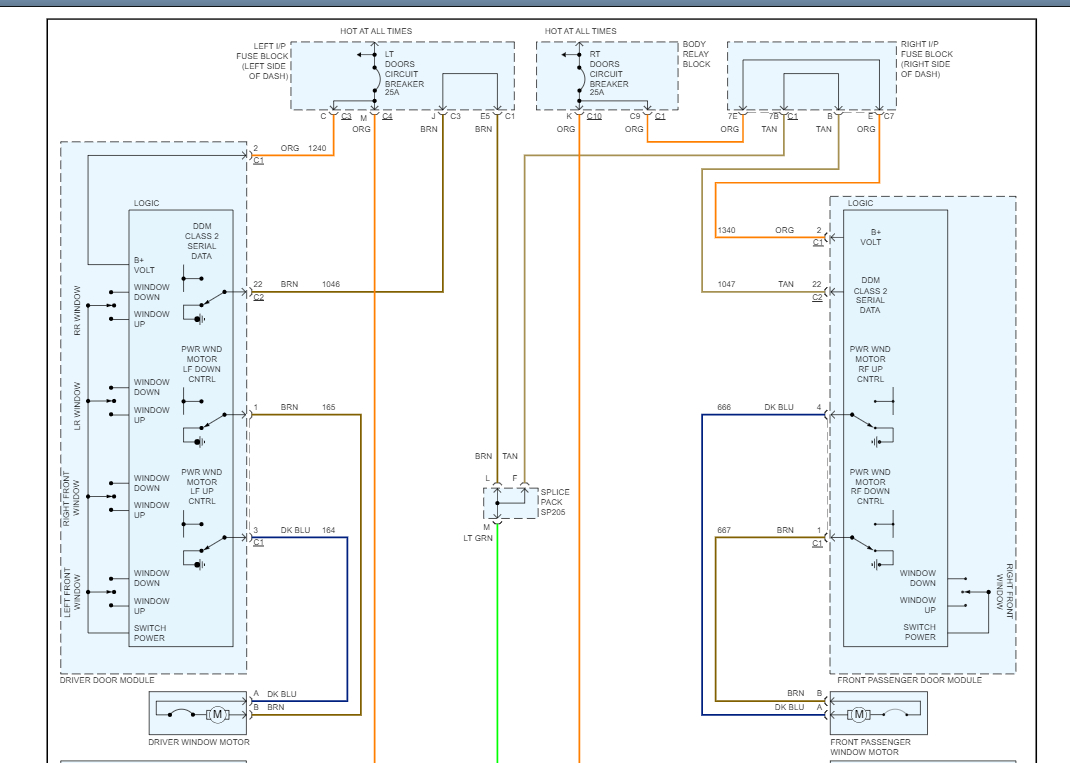
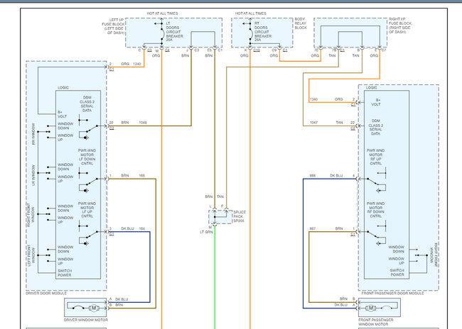
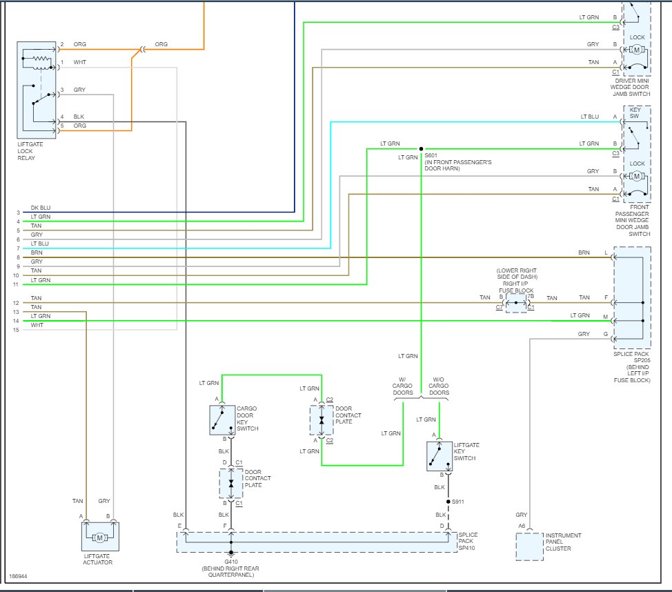
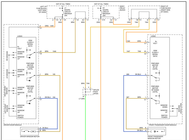
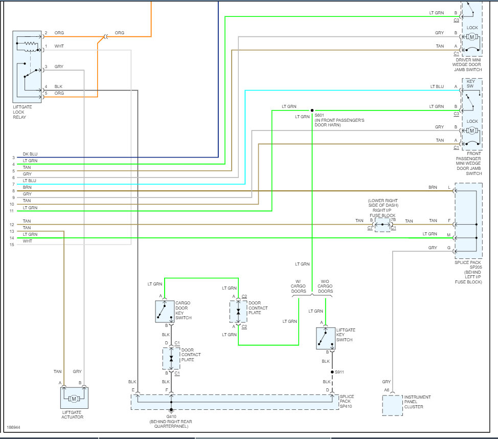
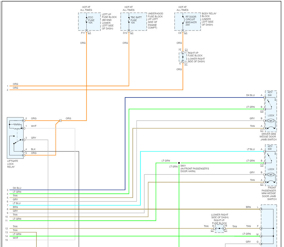
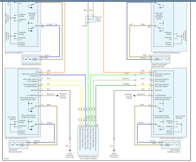
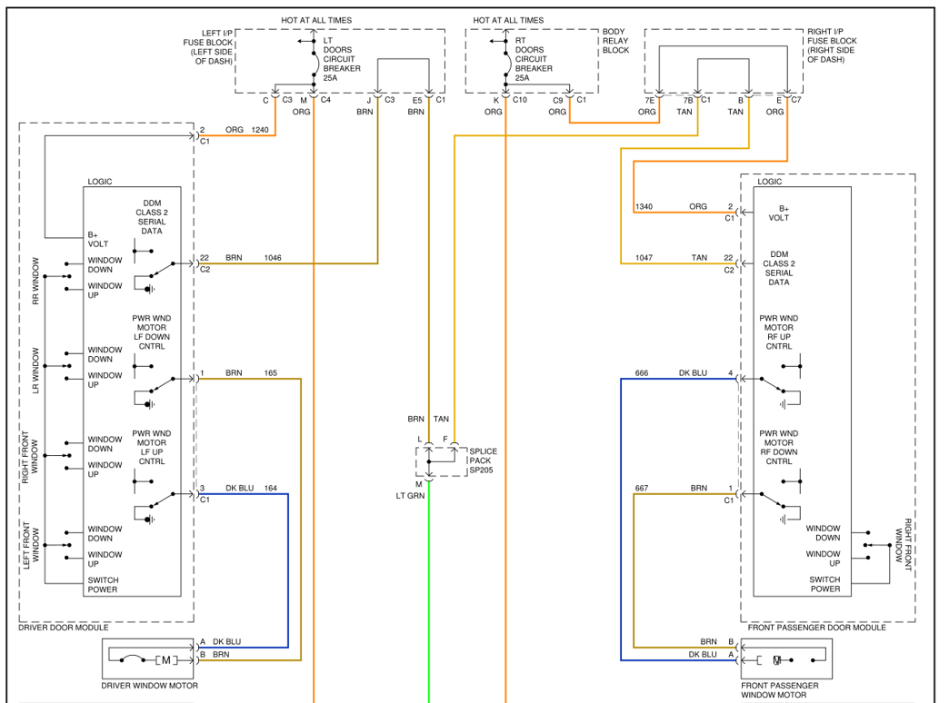
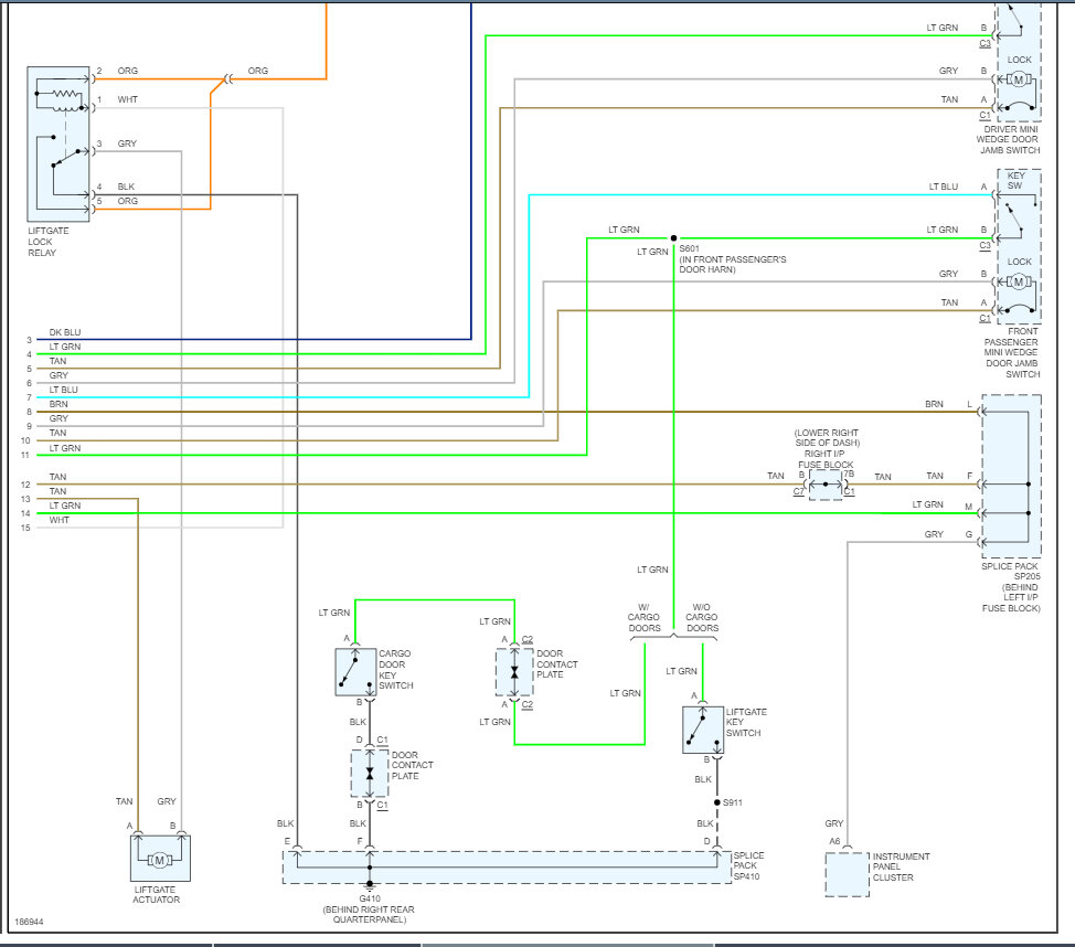
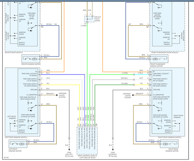
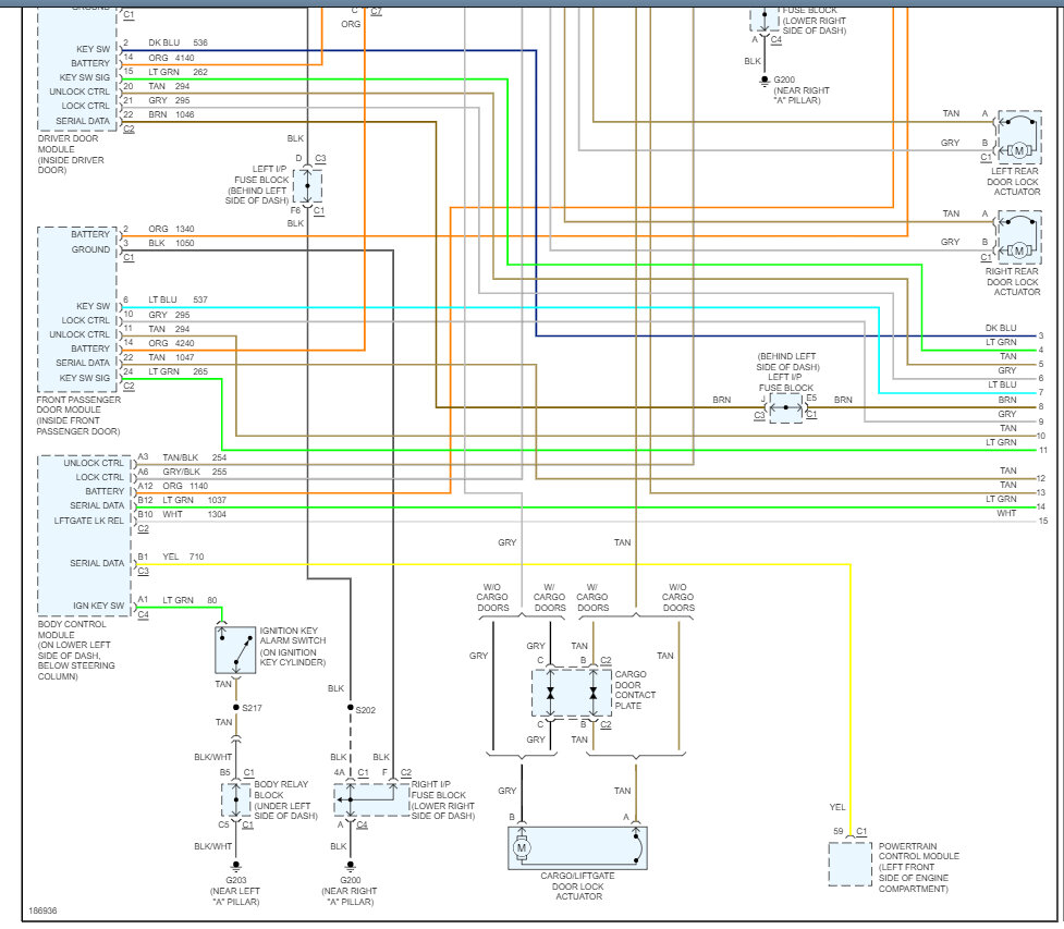
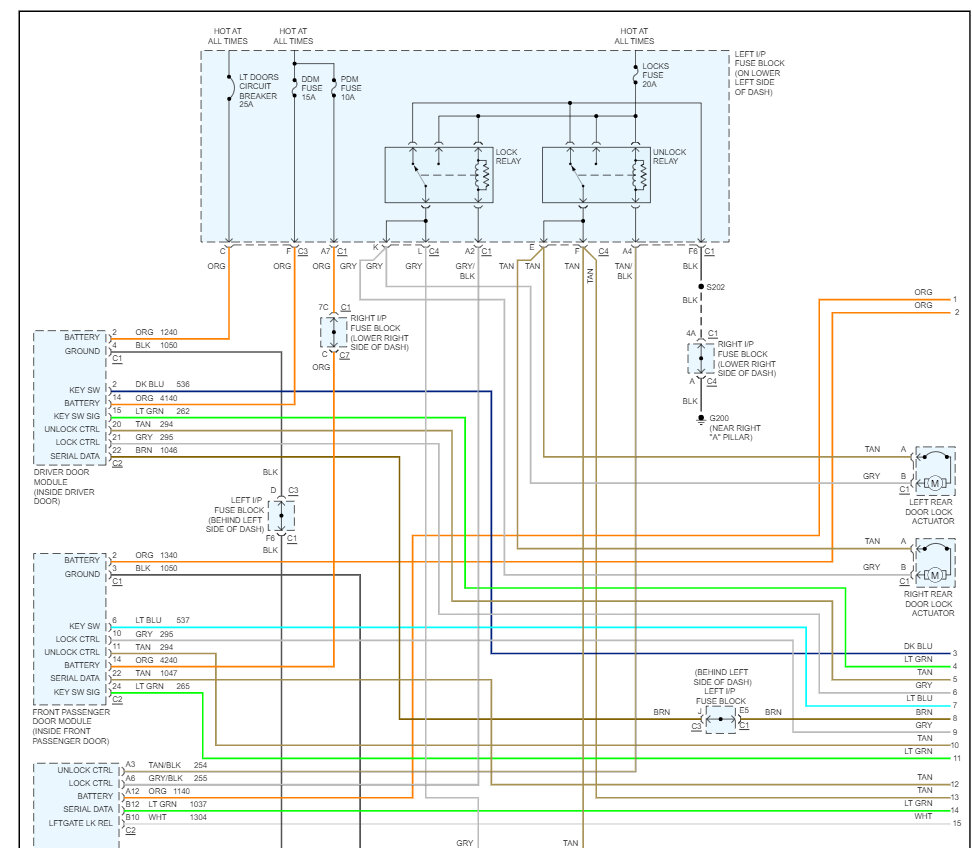
Looking at the wiring diagram the only direct window control you have from the driver's door switch module is for the driver's window, pin1 and pin 3. All other windows are controlled by the body control module (BCM) via the class 2 serial data bus, brown wire at pin 22, connector C2.
Pin 2, orange wire is 12V supply.

Individual window switches will not work.

Cheers, Boris
Mar 20, 2023 at 7:00 AM
Avatar
HAILEEGRACECRIMI12
  • MEMBER
  • 19 POSTS
Okay. So, I was out tonight and all of a sudden, the windows and locks started going up and down on their own, so I pulled the switches on my driver door out but not before my window was all the way down and it's going to be 24 degrees tonight. All the other windows still work on their own door controls but all of mine are cut and spliced. Is there any way I can get it up so I'm not freezing?
Mar 21, 2023 at 9:10 AM
Advertisement
Avatar
STRAILER
  • CERTIFIED EXPERT
  • 53,855 POSTS
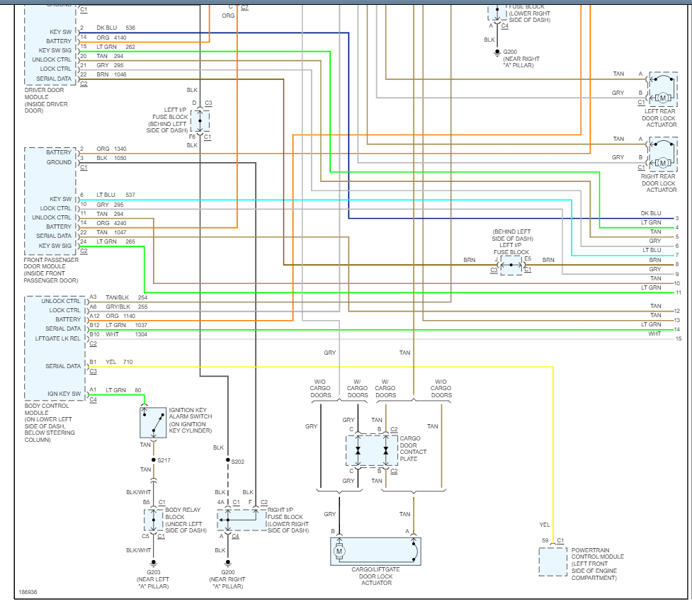
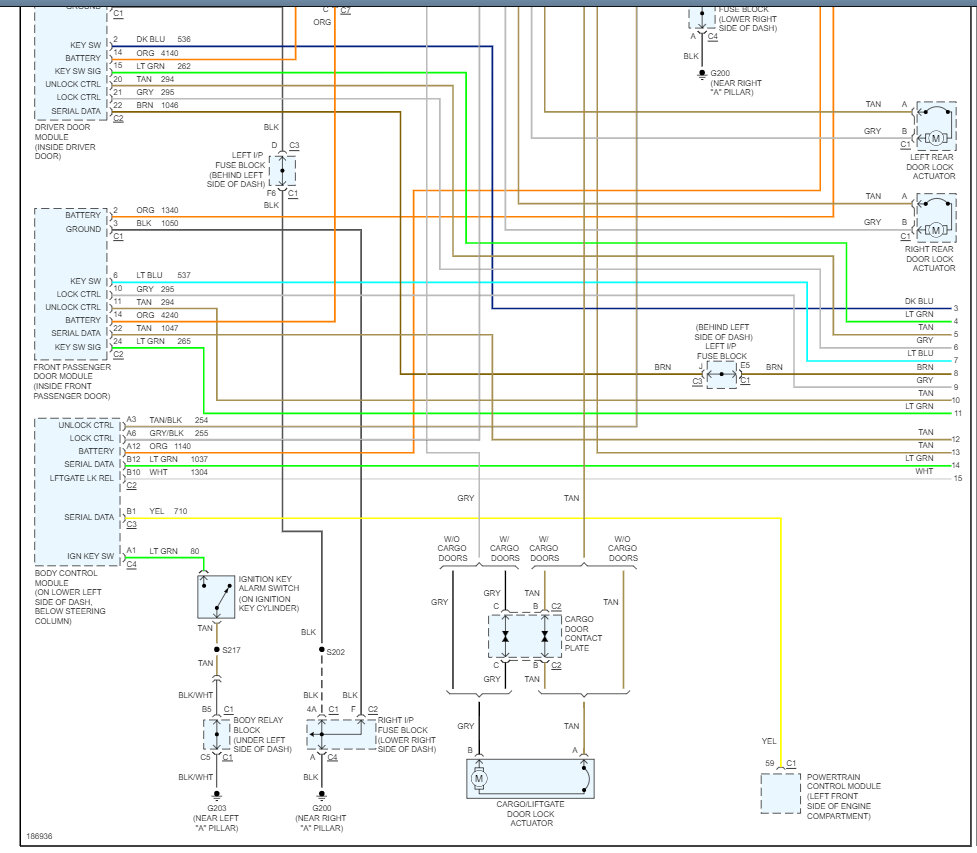
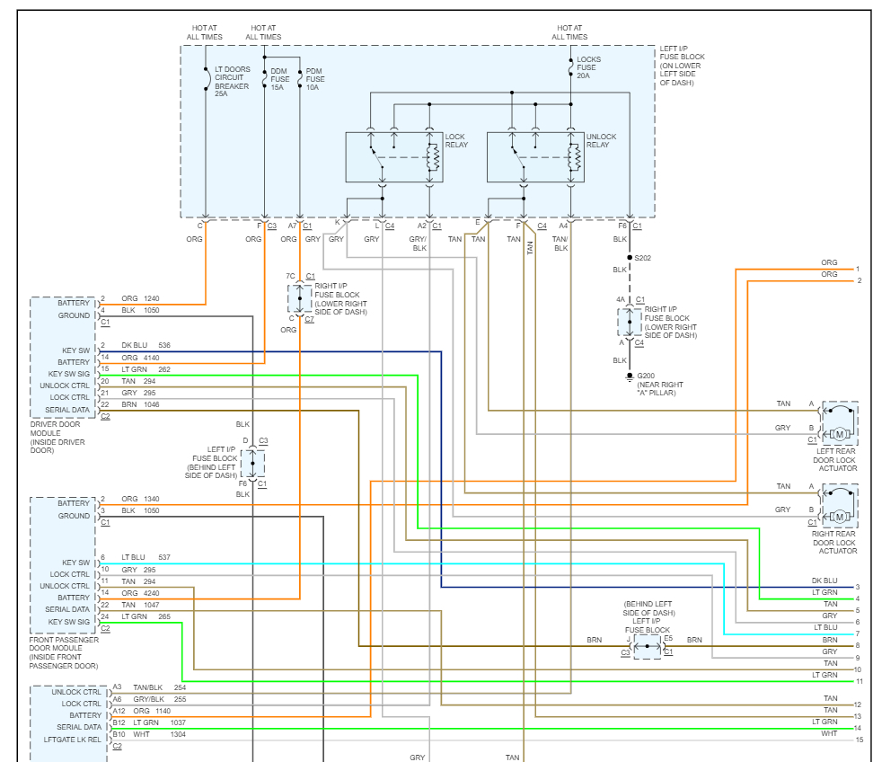
Yes, there are two wires coming out of the window motor and going to the switch supply power and ground to these wires and the window will go up, you may have to switch polarity. You have a 50/50 chance of getting it right the first time. It sounds like the driver's door module is out. here are the remaining wiring diagrams so you can see how the system works and how the two systems are tied together. I also included how to change out the DDM. Check out the images (below). Please let us know what happens.
Mar 22, 2023 at 1:39 PM