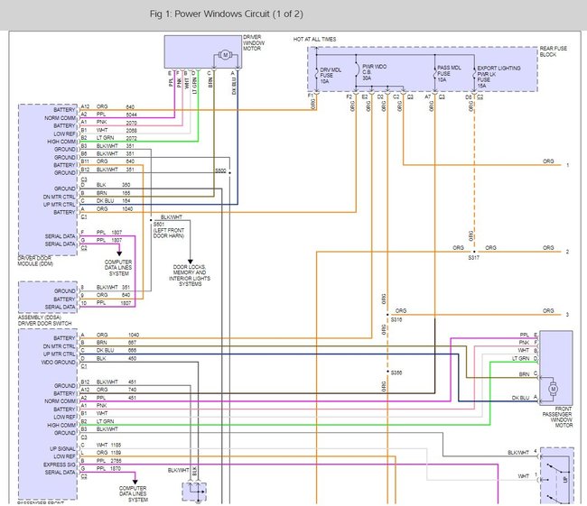
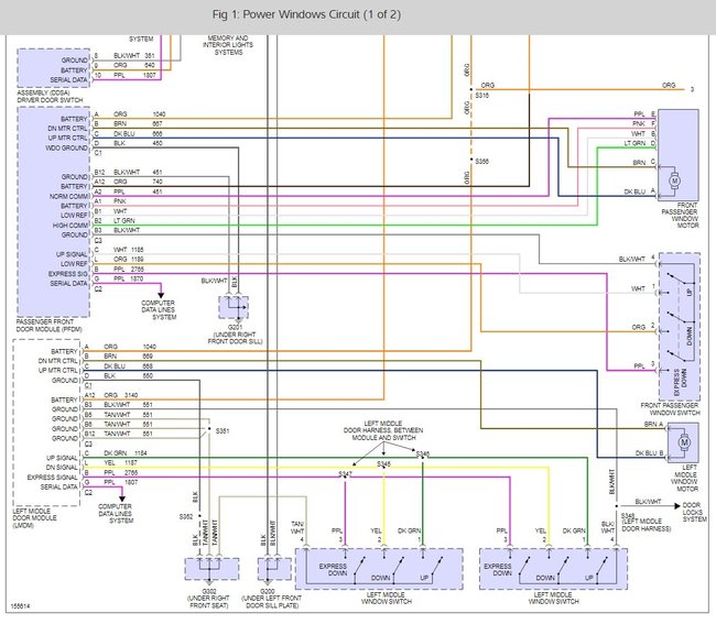
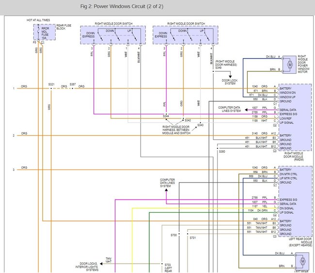
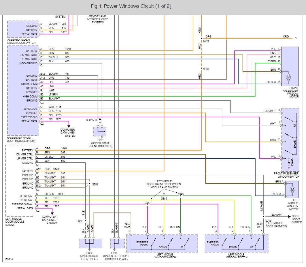
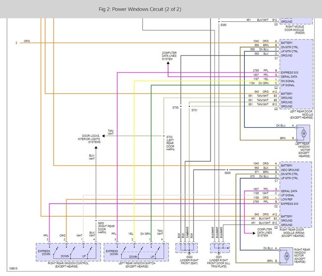
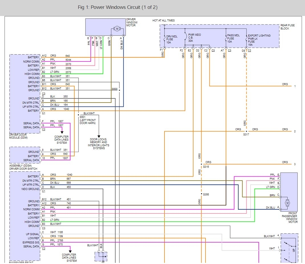
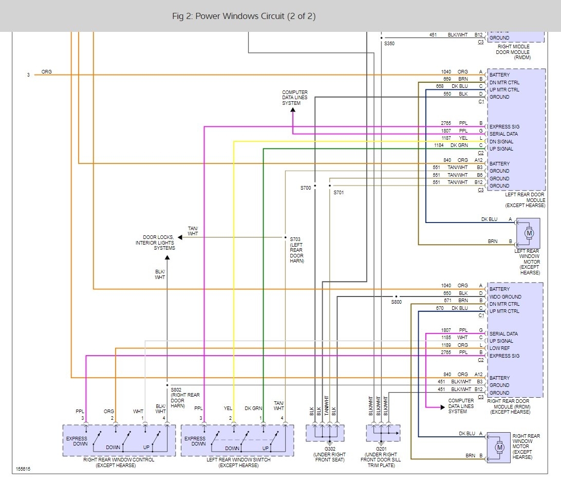
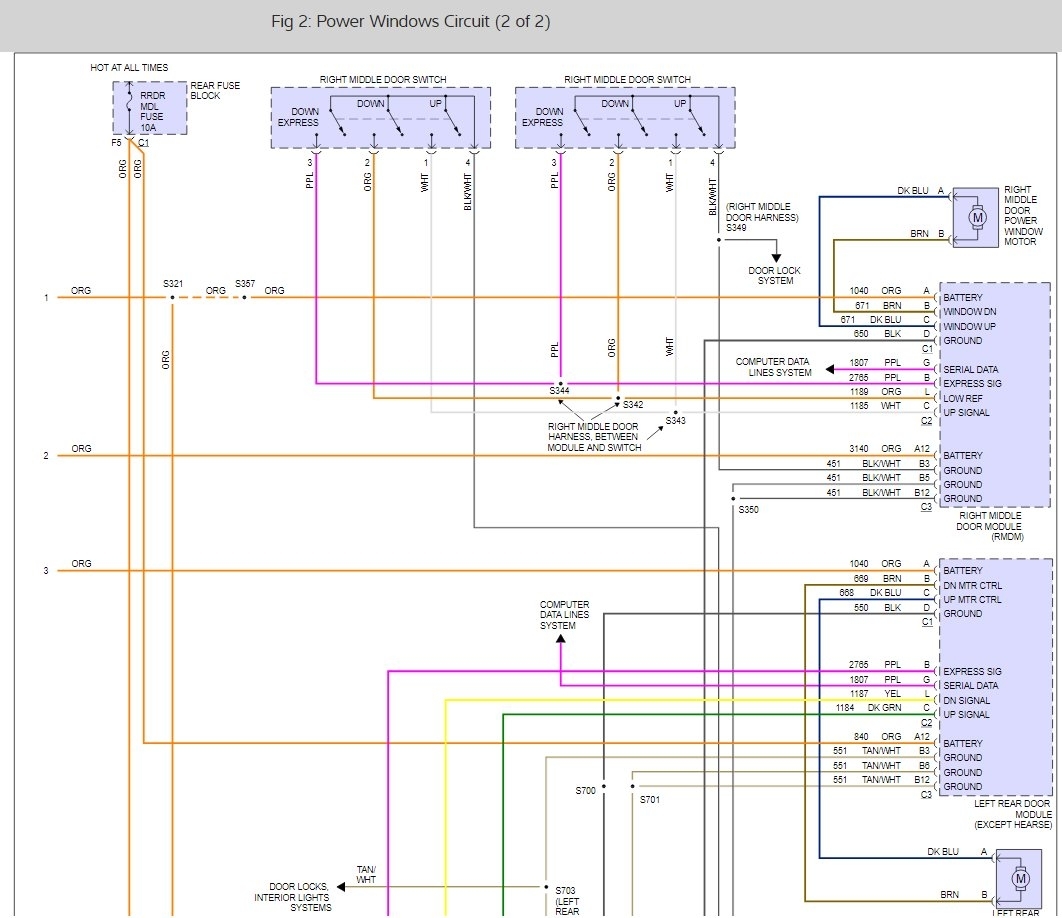
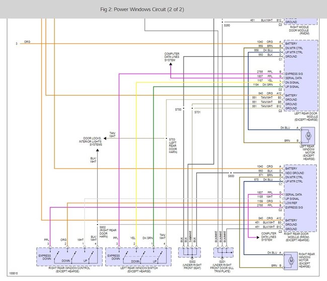
I had my alternator replaced and now the passenger side windows and mirrors only work when I use the buttons meant for the drivers side. Both sides function at the same time. The car battery did run down to an almost zero charge before new install. I asked the shop about it and they insist that it has nothing to do with installing the new alternator although I do know that they were accessing the battery and fuse panel under the rear seat as they both vaguely mentioned it and left the seat disengaged and the cover to the fuse panel off and near the seat.
Jul 15, 2017 at 5:01 PM



