window switch wiring diagram

2003 GMC SIERRA
200,000 MILES • 6.0L • V8 • 4WD • AUTOMATIC
Avatar
  • MEMBER
  • 1 POST
window on drivers' side will not work, i have replaced it two times still won't go up! i need wiring diagram and info on which color each wire represents.
Oct 30, 2021 at 12:29 AM
Advertisement
Avatar
ASEMASTER6371
  • CERTIFIED EXPERT
  • 52,796 POSTS
Good morning,

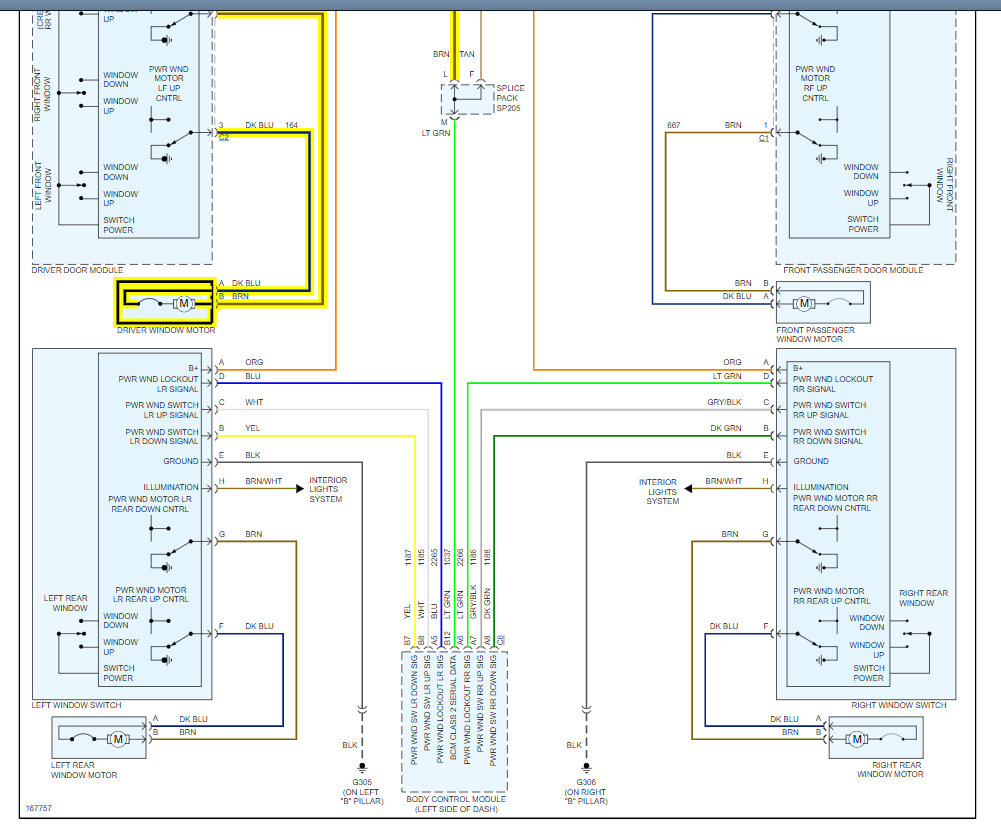
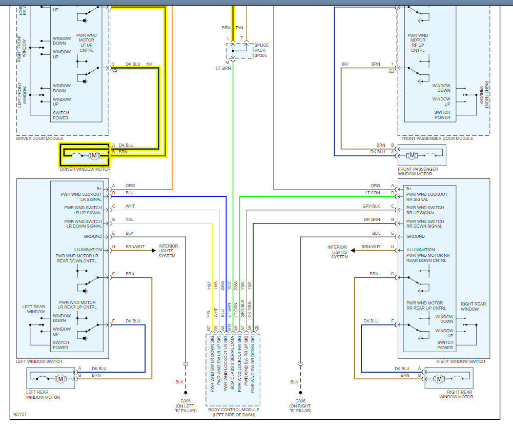
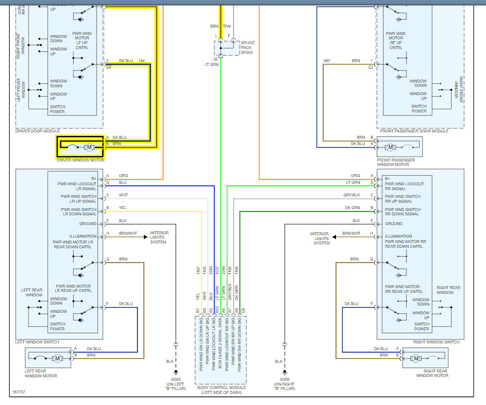
I attached the wiring diagram and the connector diagram for you below.

https://www.2carpros.com/articles/how-to-check-wiring

https://www.2carpros.com/articles/how-to-use-a-voltmeter

Check the wires inside the boot that goes from the body to the door. It is common for the wires to break from all the flexing.

Let me know if you have any other questions.

Roy
Oct 30, 2021 at 2:33 AM