☰
Login
Join
×
Home
Answered Questions
Repair Topics
Repair & Service Guides
Popular Questions
Warning Lights
Trouble Codes
How It Works
Testing / Diagnostics
Symptoms
Videos
Login
Become a Member
Home
Chevrolet
Express
Body
Window
Wiring
Can I get the window switch wiring diagrams?
2002 CHEVROLET EXPRESS
150,000 MILES • V8 • 2WD • AUTOMATIC
PIMINHS3500
MEMBER
11 POSTS
FOLLOW
Can I get the wiring diagram and or the schematic for the driver and passenger side window switch please? thank you.
Feb 25, 2025 at 1:09 PM
Advertisement
STEVE W.
CERTIFIED EXPERT
15,113 POSTS
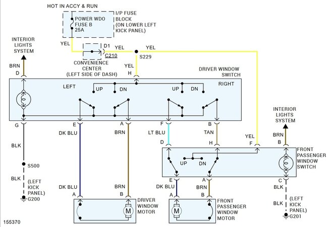
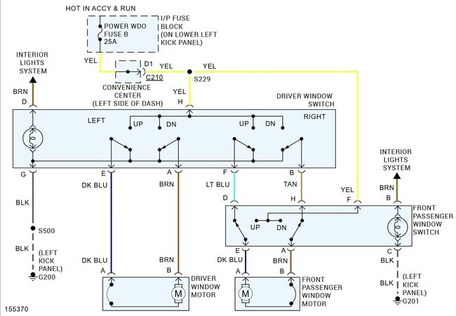
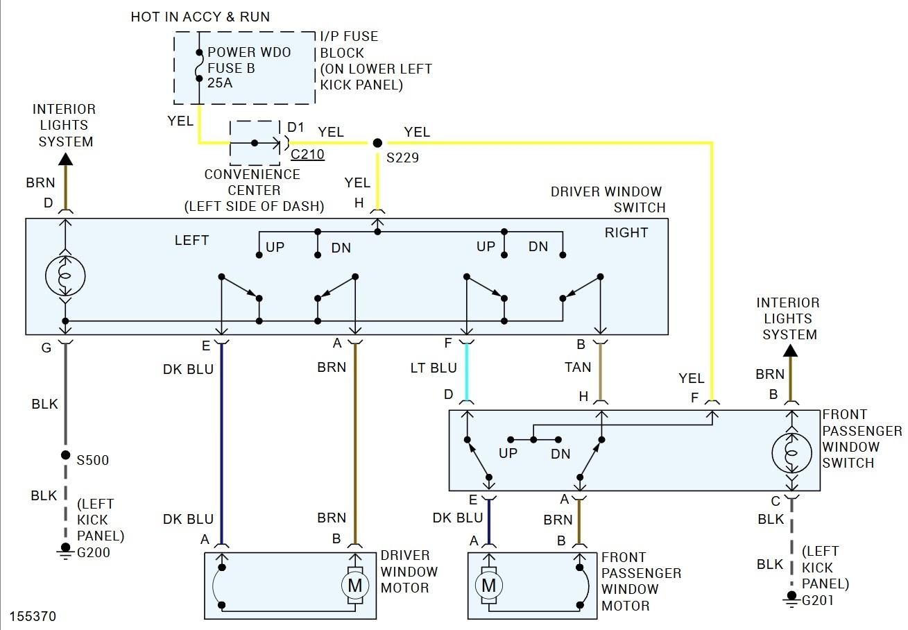
That truck uses a simple polarity reversal system to move the windows. This is the wiring for them. What issue are you having?
Image (Click to enlarge)
Feb 26, 2025 at 1:34 AM
PIMINHS3500
MEMBER
11 POSTS
Thank you very much for the response, theres no problem just putting my own switch in is all.
Feb 28, 2025 at 8:11 AM
Advertisement
STEVE W.
CERTIFIED EXPERT
15,113 POSTS
Okay. If you need other information just let us know.
Feb 28, 2025 at 11:04 PM