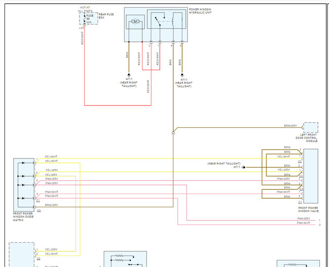
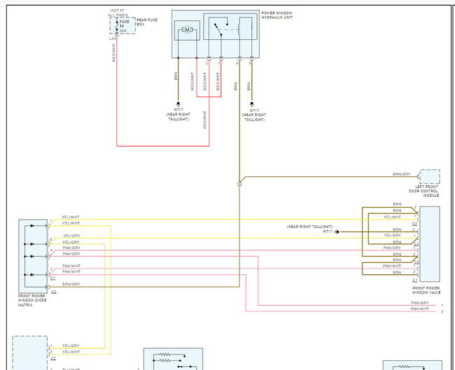
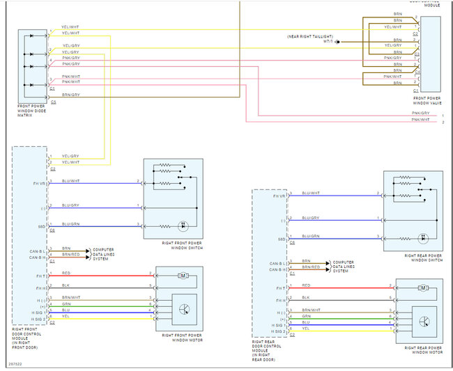
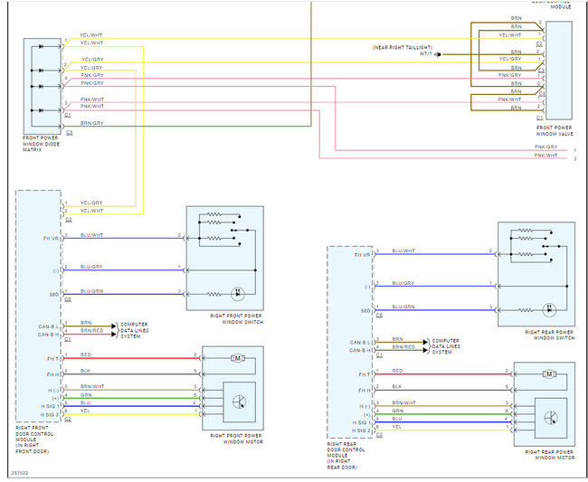
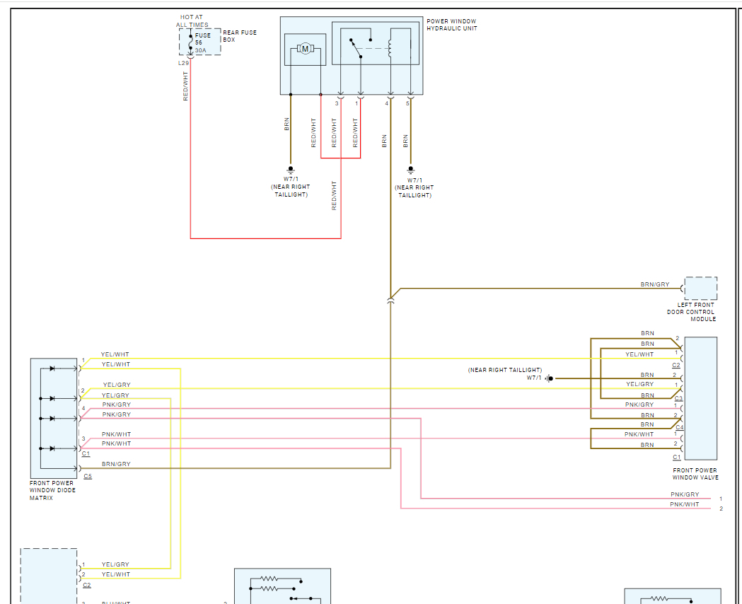
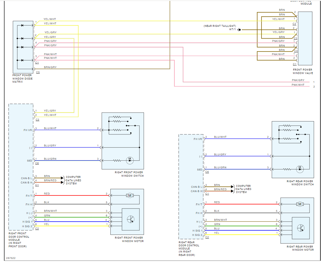
I would like to know the wiring diagram for the passenger side window switch. I'm trying to test it to see if it's just a switch that has failed because the motor works the regulator is fine, the fuses are good and so are the relays. Thank you
Oct 7, 2024 at 11:46 AM



