Window switch not working properly

1997 BUICK LESABRE
149,435 MILES • 3.8L • V6 • 2WD • AUTOMATIC
Avatar
JUSTIN GUDE
  • MEMBER
  • 1 POST
So I can’t get my rear windows to go down without using the master switch. Wondering if I just need to get new switches for the rear windows or is it a fuse problem?
Jan 30, 2021 at 7:36 AM
Advertisement
Avatar
STEVE W.
  • CERTIFIED EXPERT
  • 15,113 POSTS
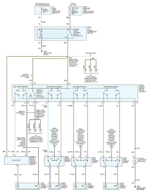
It isn't a fuse issue as all of the windows use the same power source. The first item I would check would be the window lockout switch on the master switch, it will remove power to those windows if switched on. If that isn't the issue then we need to do some testing at the rear window switches. To access the switches will depend on which way they were mounted, Most GMs of that era used a snap in style switch plate, you use a thin tool to depress the retainer clips that hold the plate to the door panel and lift it up and out. That gives you access to the connector. With the switch out you will see the switch connector.
The dark blue wire on pin A is the power feed from the main switch. You can use a simple test light connected to ground to see if power is there with the key on. That is the same wire that feeds both sides as well as the front passenger side window. If the windows go up and down from the master switch but not from the door switches that wire is the only one that could be the issue as the other two wires that go from the motor to the switch and then from each switch to the master switch must be okay or the windows wouldn't work either way.

https://www.youtube.com/watch?v=HBFBcJrdym4
Jan 30, 2021 at 8:28 AM