Window not working

2002 BUICK RENDEZVOUS
134,000 MILES • 3.4L • 6 CYL • 4WD • AUTOMATIC
Avatar
DREV0012
  • MEMBER
  • 36 POSTS
Hello, I have a rear passenger window that stopped working today. It went down, then would not come back up. Then a few hours later, it would not go up or down. I do hear a click when I push the switch down, but not when pushing it up.

I have voltage at the motor and tried replacing the window motor, but that did not change anything.

I pulled the switch from the other side of the vehicle and it did not change the symptoms.

I have around twelve volts on the meter when the switch is pressed down, however when I press it up the voltage jumps all over in the mV range but does not settle on a -12v like I expected it would.

I am a little stumped in where to dig into next.

the symptoms are the same if the switch is used on the drivers door to control the rear windows.

Any help would really be appreciated. Thanks!
Mar 14, 2018 at 7:45 PM
Advertisement
Avatar
ASEMASTER6371
  • CERTIFIED EXPERT
  • 52,796 POSTS
Good morning.

It sounds like the dark blue wire has a issue. it may be frayed or partially broken in the door.

the voltage should be battery voltage, not around twelve volts and be steady when commanded to work.

Inspect the wiring from the switch to the motor?

Roy
Mar 15, 2018 at 3:49 AM
Avatar
HARRY P
  • CERTIFIED EXPERT
  • 2,292 POSTS
I would inspect the track for bends or foreign objects jamming up the window. If there is nothing there, then disconnect the power plug to the motor and run direct power to it from the battery. It might be easier to do this if you pull the battery out and set it right next to the door in question. If the window still will not move, then you have just ruled out everything except the motor itself. I know you said that you replaced it, but you could have gotten a dud, especially if it was a used motor (you did not specify, so I assume it is a new one).

If the window does move when direct power is given, then suspect either a bad main switch (unlikely) or a problem with the wiring. There should be a rubber boot in the door jamb that protects the wires from rubbing. Sometimes these boots fail to actually protect them and they get shorted. Pull that boot back and see if you can see/feel any issues there.

Start with all that and let us know what you find.
Mar 15, 2018 at 3:50 AM
Advertisement
Avatar
DREV0012
  • MEMBER
  • 36 POSTS
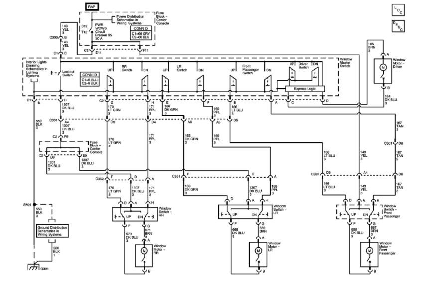
If I am understanding the schematic, I should have continuity between the brown wire from the switch to the motor, and the dark blue wire from the switch to the motor, correct?

I have continuity on the brown, but not the blue. (Used continuity setting on multi-meter) I just was not sure if there was anything else in the path that would cause it to not have a passive signal flow on that wire.
Mar 15, 2018 at 8:07 AM
Avatar
ASEMASTER6371
  • CERTIFIED EXPERT
  • 52,796 POSTS
The blue wire from the switch to the motor. that is what you need to be sure. that looks like the troubled wire.

Roy
Mar 15, 2018 at 8:14 AM
Avatar
DREV0012
  • MEMBER
  • 36 POSTS
I forgot to mention that I do have +14 and -14 at the dark blue and green wiring in the wiring harness. These are the lower two connections in that clip. I believe they are feeding into the clip, rather than going to the motor.
Mar 15, 2018 at 8:25 AM
Avatar
ASEMASTER6371
  • CERTIFIED EXPERT
  • 52,796 POSTS
Okay, now check for that same voltage to the motor with the switch applied.

Roy
Mar 15, 2018 at 8:28 AM
Avatar
DREV0012
  • MEMBER
  • 36 POSTS
I double checked the blue wire from the switch to the motor and do have continuity. I must have not had a good connection when I checked it last.
Mar 15, 2018 at 8:29 AM
Avatar
ASEMASTER6371
  • CERTIFIED EXPERT
  • 52,796 POSTS
okay, If you have power and ground in both directions from the switch, that will leave only the motor or as the other tech said, the window track that will not allow the window to move.

Roy
Mar 15, 2018 at 8:32 AM
Avatar
DREV0012
  • MEMBER
  • 36 POSTS
I must have missed something. I plugged a motor up to the switch without connecting it to the regulator and it only spins down, not up.
Mar 15, 2018 at 9:18 AM
Avatar
ASEMASTER6371
  • CERTIFIED EXPERT
  • 52,796 POSTS
correct. go over your measurements again. especially when you command up.

Roy
Mar 15, 2018 at 10:35 AM
Avatar
DREV0012
  • MEMBER
  • 36 POSTS
Thanks for the help and patience. I really appreciate it.

Pressing "up" yields the following:
-14v at the motor (green wire to blue wire at motor).
-0V from Blue wire on switch to blue wire at motor.

Pressing "down"
-14v at the motor (green wire to brown wire at motor).

Also, When I stick my multi-meter on the two wires at the motor clip, I get fourteen volts when pressing down, but not a steady voltage of any sort when pressing up.

Mar 15, 2018 at 11:05 AM
Avatar
ASEMASTER6371
  • CERTIFIED EXPERT
  • 52,796 POSTS
you need to ground your black lead to the body and do your checks. you are doing a voltage drop measurement.

Roy
Mar 15, 2018 at 11:12 AM
Avatar
DREV0012
  • MEMBER
  • 36 POSTS
Would you be able to explain that a little further, I am not quite sure I am following correctly?
Mar 15, 2018 at 11:25 AM
Avatar
ASEMASTER6371
  • CERTIFIED EXPERT
  • 52,796 POSTS
powers are reversed to run the motor up and down.

when you check for power, it will go from positive voltage to negative voltage. you need to check each wire for it function. when one wire is positive the other is negative and the other way around when the command is the other way.

you ground the black wire on your meter to the body and check for powers in both directions. the blue will be power in one direction but the ground in the other. to check for grounds put your black lead to a positive feed such as the feed to the switch and the red to the ground command from the switch.

have you tried to switch the rear switches from side to side?

Roy
Mar 15, 2018 at 12:07 PM
Avatar
DREV0012
  • MEMBER
  • 36 POSTS
I did pull the rear driver side switch and it does the same thing. The rear passenger switch does work both ways in the rear drivers side door though.
Mar 15, 2018 at 12:14 PM
Avatar
ASEMASTER6371
  • CERTIFIED EXPERT
  • 52,796 POSTS
Did you verify power to the switch without commanding any movement?

Roy
Mar 15, 2018 at 12:17 PM
Avatar
DREV0012
  • MEMBER
  • 36 POSTS
There is power on the blue wire coming into the switch without commanding movement.

When I grounded the negative lead to the door frame and probed the two wires at the motor, I got twelve volts for both wires (blue and brown at motor) on the "up" command which does not seem right.

I checked on the "down" command and only one wire showed twelve volts.
Mar 15, 2018 at 12:51 PM
Avatar
ASEMASTER6371
  • CERTIFIED EXPERT
  • 52,796 POSTS
both wires hot on a command means no ground. the ground wire should have 0 volts.

Roy
Mar 15, 2018 at 12:57 PM
Avatar
DREV0012
  • MEMBER
  • 36 POSTS
Here is some additional data:

Down command
-Blue wire has 6mV (which assume to be relative to zero volts)
-Brown wire has 14 volts.

UP Command
-Blue wire has 14 volts.
-Brown wire - voltage jumps all over***

***I would assume this should settle at the 6mV as well, correct?

Mar 15, 2018 at 1:05 PM
Avatar
ASEMASTER6371
  • CERTIFIED EXPERT
  • 52,796 POSTS
Brown wire is not being grounded. that is the issue. it should read as close to 0 as possible.

Roy
Mar 15, 2018 at 1:07 PM
Avatar
ASEMASTER6371
  • CERTIFIED EXPERT
  • 52,796 POSTS
The brown wire goes all the way back to the master switch. do a continuity test on the brown wire from the switch to the master switch.

Roy
Mar 15, 2018 at 1:09 PM
Avatar
DREV0012
  • MEMBER
  • 36 POSTS
Does the brown wire not just go between the rear door switch and the motor?
Mar 15, 2018 at 1:32 PM
Avatar
ASEMASTER6371
  • CERTIFIED EXPERT
  • 52,796 POSTS
nope, look on the diagram I sent you way back. when it is activated follow the path. it goes back to the master switch.

Roy
Mar 15, 2018 at 1:43 PM
Avatar
DREV0012
  • MEMBER
  • 36 POSTS
Maybe I am missing something. It looks like the brown wire from the passenger rear window motor connects to the switch on that door, which then switches between dark blue and purple. I only see three wires entering the passenger rear switch (light green, dark blue, purple).
Mar 15, 2018 at 1:55 PM
Avatar
ASEMASTER6371
  • CERTIFIED EXPERT
  • 52,796 POSTS
I am sorry, the brown wire changes to the purple wire which goes back to the master switch.

Roy
Mar 15, 2018 at 2:01 PM
Avatar
DREV0012
  • MEMBER
  • 36 POSTS
Here is what I found regarding continuity from the master switch:

Dark green
--Connects to dark blue (to motor).
--Connects to light green.

Purple 1
--Connects to dark blue (to motor).
--Connects to light green.

Light green
-Connects to dark blue (to motor).
-Connects to light green.

Purple 2
-Connects to dark blue (to motor).
-Connects to light green.


Neither purple wire connected to the purple wire at the local switch.
Mar 15, 2018 at 2:14 PM
Avatar
ASEMASTER6371
  • CERTIFIED EXPERT
  • 52,796 POSTS
Pin 11 is the location at the master. check for continuity from there to the switch at the door.

Roy
Mar 15, 2018 at 2:26 PM
Avatar
DREV0012
  • MEMBER
  • 36 POSTS
Can you tell me which is pin 11? I do not see any labeling other than letters on the master switch?
Mar 15, 2018 at 2:31 PM
Avatar
ASEMASTER6371
  • CERTIFIED EXPERT
  • 52,796 POSTS
Pin H in the master.

Roy
Mar 15, 2018 at 2:41 PM
Avatar
DREV0012
  • MEMBER
  • 36 POSTS
With both of the switches connected to the harnesses, Pin H tests positive for continuity with the dark blue and the light green. When the switches are removed, it does not have any continuity.
Mar 15, 2018 at 2:53 PM
Avatar
ASEMASTER6371
  • CERTIFIED EXPERT
  • 52,796 POSTS
do the tests with the connector not connected. then test continuity.

Roy
Mar 15, 2018 at 3:23 PM
Avatar
DREV0012
  • MEMBER
  • 36 POSTS
I tested without switches connected on either end and Pin H does not yield any continuity with any wire at the rear door.
Mar 15, 2018 at 3:51 PM
Avatar
ASEMASTER6371
  • CERTIFIED EXPERT
  • 52,796 POSTS
okay, then at least you know the failure. now you have to find the break in the wire.

Roy
Mar 15, 2018 at 4:03 PM
Avatar
DREV0012
  • MEMBER
  • 36 POSTS
I will start pulling the sheathing off and check the boots on the doors and see if I can locate it. Any tips on that before I dig in?

Thank you so much for the help.
Mar 15, 2018 at 4:08 PM
Avatar
ASEMASTER6371
  • CERTIFIED EXPERT
  • 52,796 POSTS
look close to the switches. look where the wires go through the door to the body.

Roy
Mar 15, 2018 at 4:16 PM
Avatar
DREV0012
  • MEMBER
  • 36 POSTS
In the meanwhile, is there a place where I could jumper that connection so I can get my window shut?
Mar 15, 2018 at 4:43 PM
Avatar
ASEMASTER6371
  • CERTIFIED EXPERT
  • 52,796 POSTS
when you command the window up, the brown wire needs to be grounded. then the window will go up.
Mar 15, 2018 at 4:45 PM