Window to go down now but will not go up?

2002 MERCURY GRAND MARQUIS
150,000 MILES
Avatar
JBANKS82X
  • MEMBER
  • 4 POSTS
The window wasn't working at all. I changed the motor and the whole assembly. Got the window to go down now but won't go up.
Jul 6, 2023 at 5:45 PM
Advertisement
Avatar
STRAILER
  • CERTIFIED EXPERT
  • 53,855 POSTS
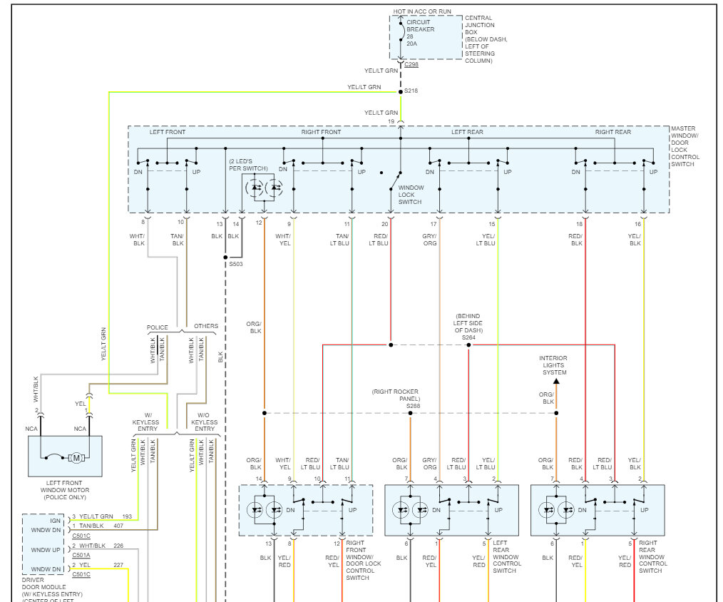
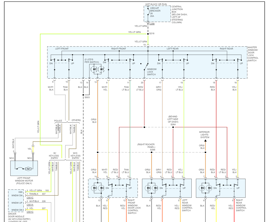
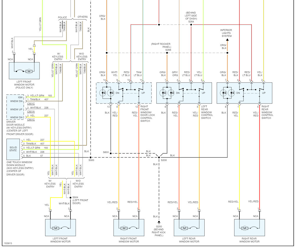
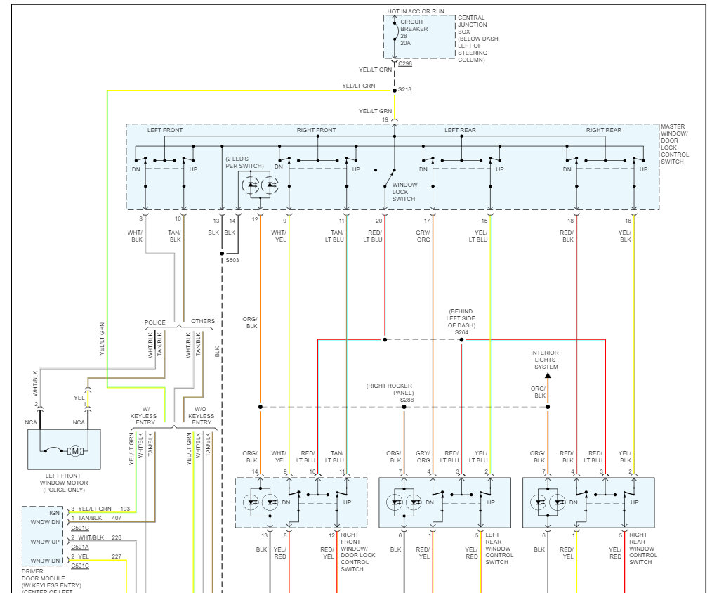
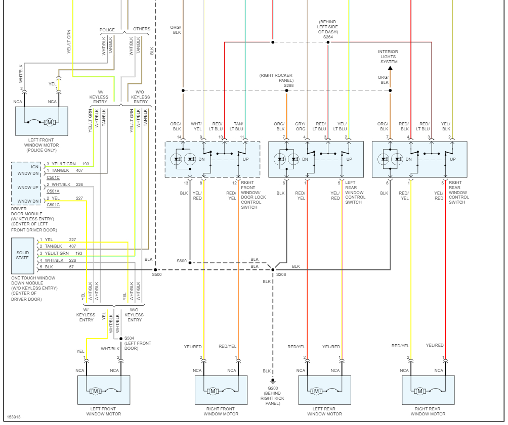
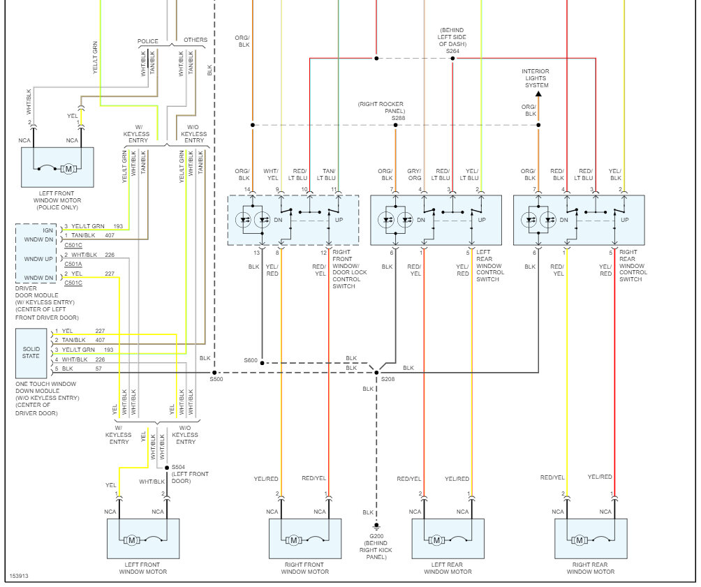
It sounds like the switch has gone bad, but to be sure this guide can show you how to check the power and ground for the window operation. Also, I have included the window wiring diagrams to help you see how the system works and which wires to test.

https://www.2carpros.com/articles/electric-window-repair


Check out the images (below). Let us know what happens and please upload pictures or videos of the problem so we can see what's going on.
Jul 7, 2023 at 11:33 AM
Avatar
JBANKS82X
  • MEMBER
  • 4 POSTS
Tried the switch on driver door and on passenger door where the problem is, and both go down not up. Both the passenger windows were not working at all until I changed the motor on the front one. Now the front will go down and back does nothing.
Jul 7, 2023 at 1:35 PM
Advertisement
Avatar
STRAILER
  • CERTIFIED EXPERT
  • 53,855 POSTS
The window commands get sent through the switches, you must have a broken wire or a bad switch, you can use the wiring diagrams above and this guide to help check the connections and through the switches:

https://www.2carpros.com/articles/how-to-check-wiring

It sounds like the passenger's side front switch is bad, you said all the windows work with the driver's door main switch?
Jul 8, 2023 at 11:06 AM