Window and door locks not working

2007 HYUNDAI ENTOURAGE
138,000 MILES • 3.8L • 6 CYL • 2WD • AUTOMATIC
Avatar
MWILSING
  • MEMBER
  • 36 POSTS
Suddenly all my window and door buttons dont work on driver door except driver window. Also gas tank door button stopped working too. checked fuses and found nothing wrong. But driver side is only window it will control. If I need to remove the button unit I would need some guidance getting it out.
Jan 9, 2020 at 10:55 AM
Advertisement
Avatar
SCGRANTURISMO
  • CERTIFIED EXPERT
  • 4,897 POSTS
Hello,

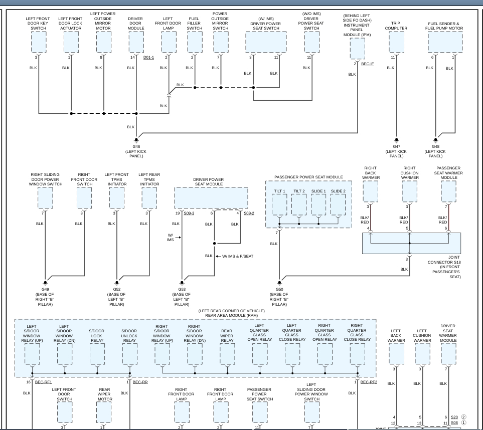
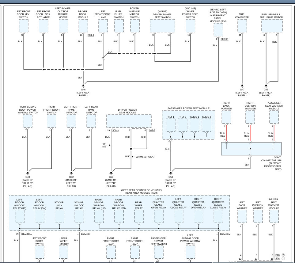
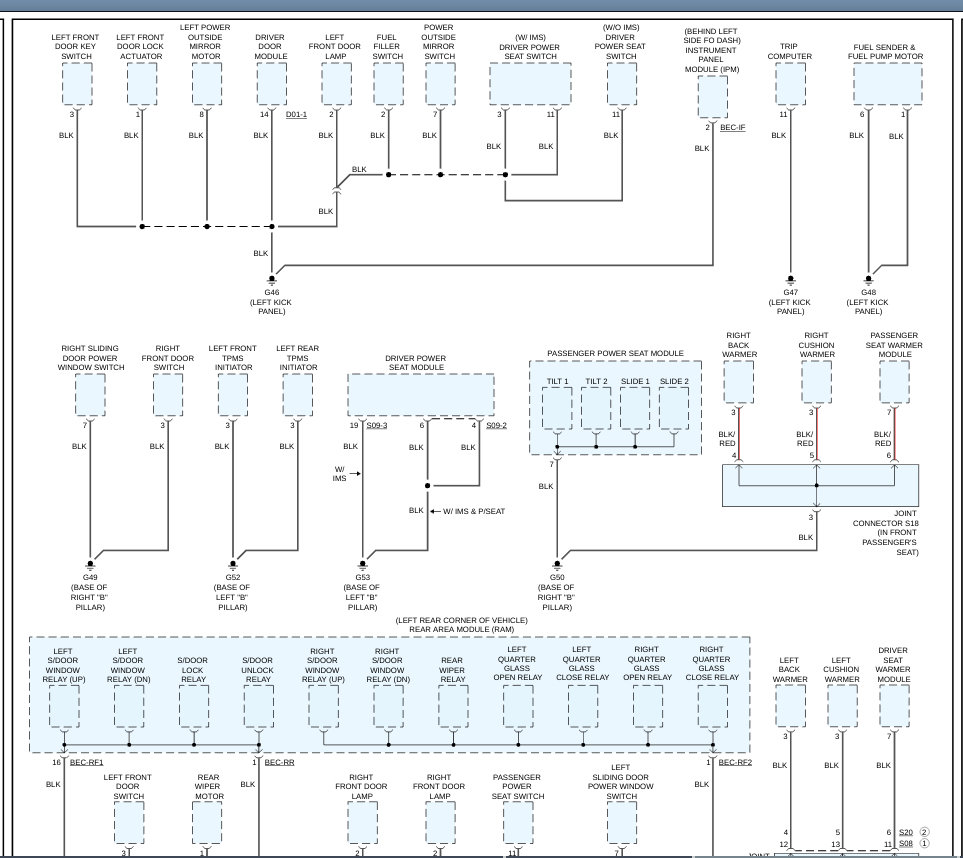
This could be a problem with Ground 46 of your vehicle. In the diagrams down below I have include the ground distribution wiring diagram for your vehicle as well a picture of where ground 46 is located for your vehicle. Please check the ground and make sure that it is clean, tight, corrosion free, and making good metal to metal contact. Please get back to us with how everything turns out.

Thanks,
Alex
2CarPros
Jan 9, 2020 at 11:56 AM
Avatar
MWILSING
  • MEMBER
  • 36 POSTS
Thank you. Will be doing brakes, finding the heater fan problem from another post on here, and try to figure this out. Will post results and or ask more questions. (lol) I'm thinking my daughter left the windows open and it may have gotten wet at one time, but i'm hoping not.
Jan 9, 2020 at 9:47 PM
Advertisement
Avatar
MWILSING
  • MEMBER
  • 36 POSTS
and just to verify, the passenger window works from passenger side switch. So motors are okay.
Jan 9, 2020 at 9:52 PM
Avatar
SCGRANTURISMO
  • CERTIFIED EXPERT
  • 4,897 POSTS
Hello again,

Yes. 75% of all electrical problems in automotive circuits are going to be ground problems, and all of the symptoms here all point to that ground. Please let us know.

Thanks,
Alex
2CarPros
Jan 10, 2020 at 4:39 AM
Avatar
MWILSING
  • MEMBER
  • 36 POSTS
you will be the first to know. thank you.
Jan 10, 2020 at 9:15 AM
Avatar
MWILSING
  • MEMBER
  • 36 POSTS
would you know color of ground wire that runs to the main switch on door through the door harness ?
Jan 10, 2020 at 11:28 AM
Avatar
SCGRANTURISMO
  • CERTIFIED EXPERT
  • 4,897 POSTS
Hello again,

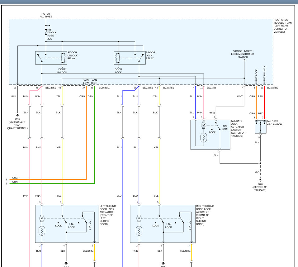
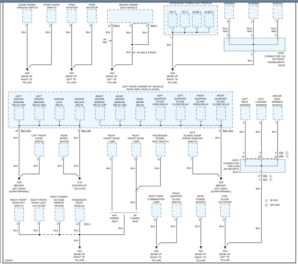
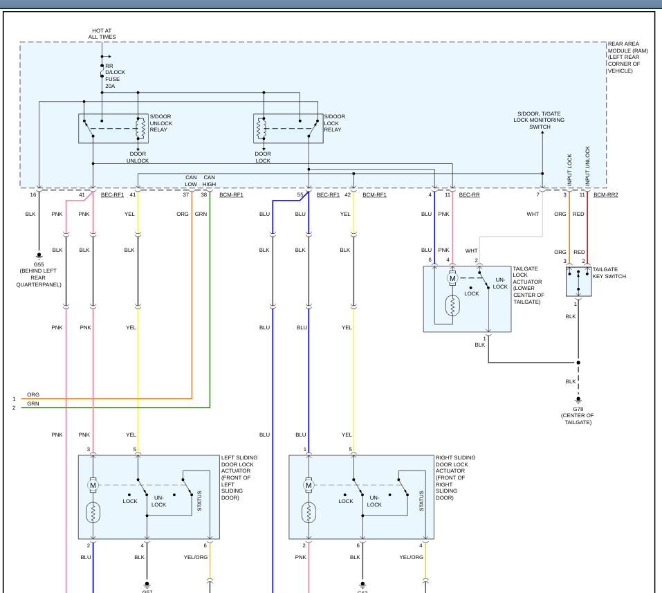
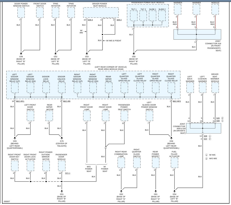
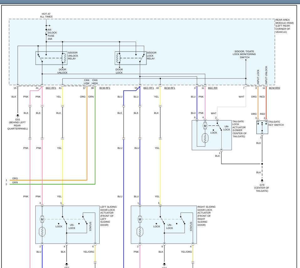
Most ground wires are going to be black, and your vehicle is no exception. In the diagrams down below I have included the power door lock wiring diagrams for you for reference. Pleasego through these guides and report back with what you find out.

Thanks,
Alex
2CarPros
Jan 10, 2020 at 3:26 PM
Avatar
MWILSING
  • MEMBER
  • 36 POSTS
Success! Did find ground was a little loose but still didn't work. Decided time to pull door panel and check for power. Found main socket fell out of the unit. Somehow the blue pin that secures it failed. Had to zip tie it into place to keep it in. All is well now. Thank you
Jan 11, 2020 at 11:42 AM
Avatar
MWILSING
  • MEMBER
  • 36 POSTS
Now off to the heater fan. Then the brakes, fun fun!
Jan 11, 2020 at 11:42 AM
Avatar
STRAILER
  • CERTIFIED EXPERT
  • 53,854 POSTS
Glad you could get it fixed, that kind of problem can be tough. Please use 2CarPros anytime we are here to help.

Please post your new question here, you must be logged in.

https://www.2carpros.com/questions/new

Cheers, Ken
Jan 13, 2020 at 1:50 PM