Window switches will not roll the windows down?

2001 SATURN L200
200,000 MILES
Avatar
BETTIE ANN LERMA
  • MEMBER
  • 1 POST
Window motors are good, but switches won’t roll them down.
Feb 14, 2025 at 1:21 PM
Advertisement
Avatar
STRAILER
  • CERTIFIED EXPERT
  • 53,854 POSTS
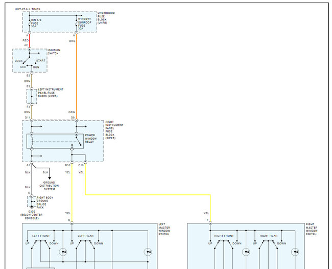
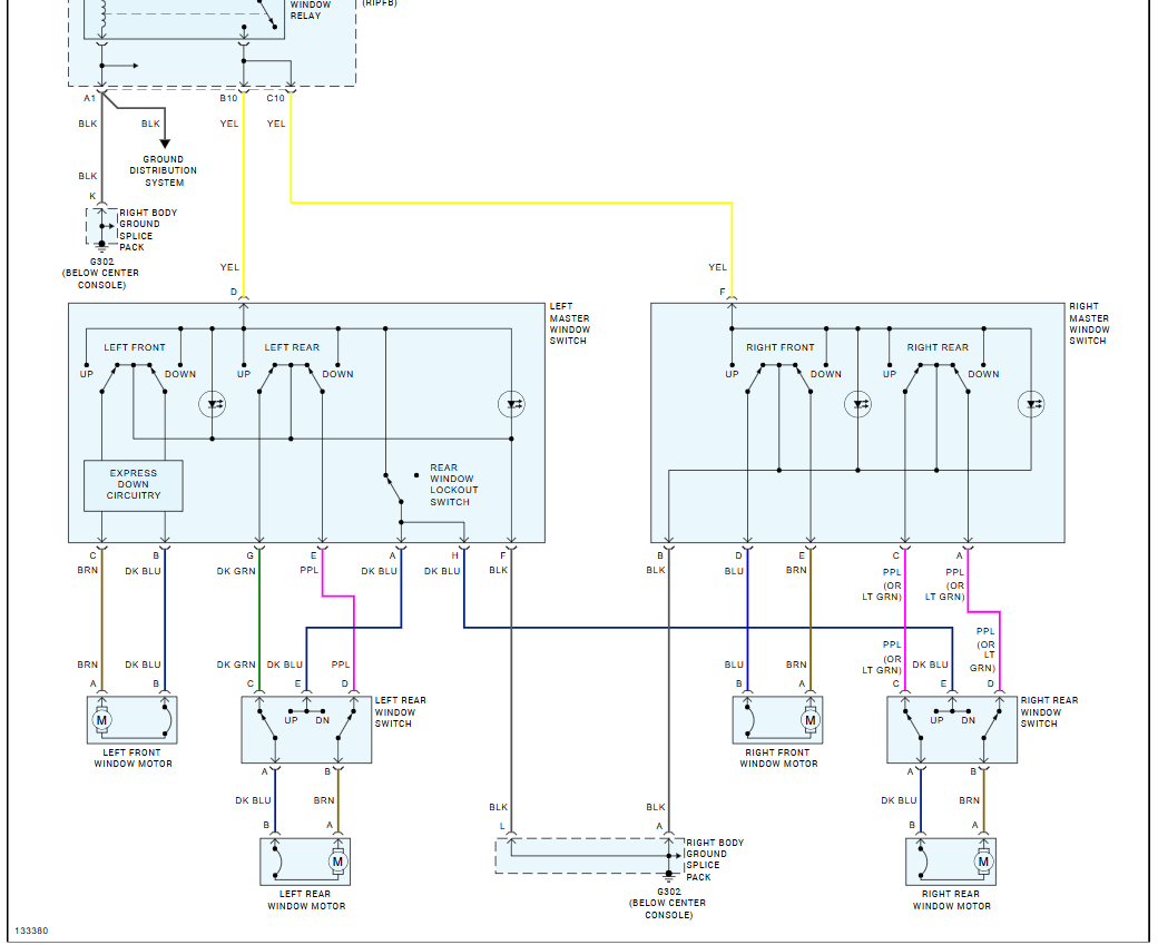
I would start by checking the fuses: IGN 1/2 and window/sunroof which are under the hood.

Here is a guide to help:

https://www.2carpros.com/articles/how-to-check-a-car-fuse

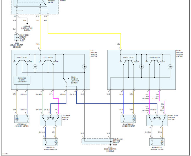
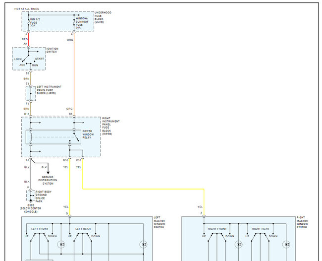
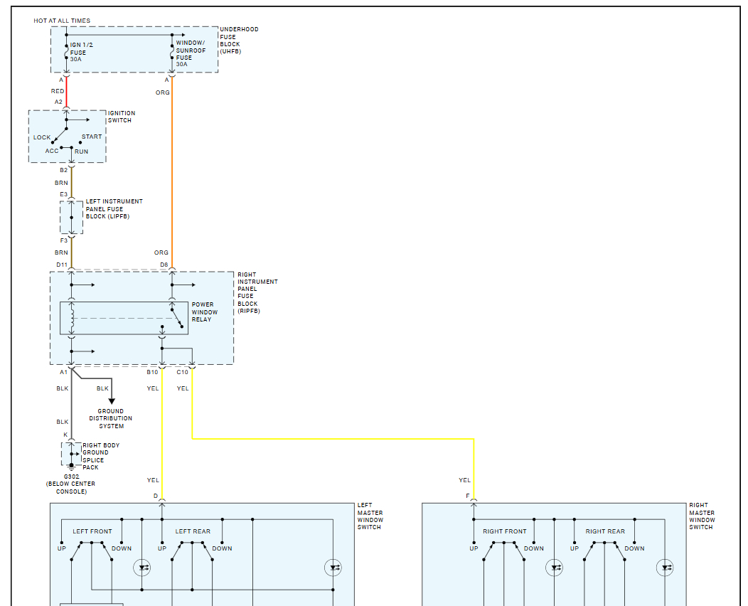
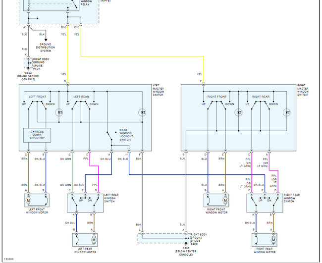
If there are okay the system is run by a power window relay which is in the fuse panel inside the car, here are the locations to help you as well. I have also included the window system wiring diagrams so you can see how the system works. Check out the images (below). Please upload pictures or videos in your response of any problems so we can see what to help you with.



Feb 15, 2025 at 10:54 AM