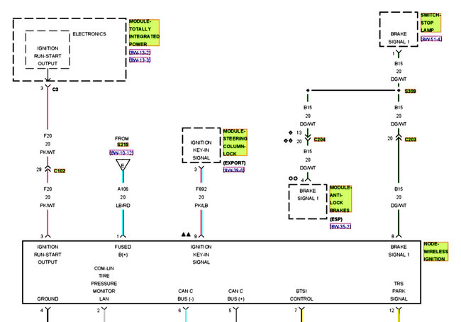
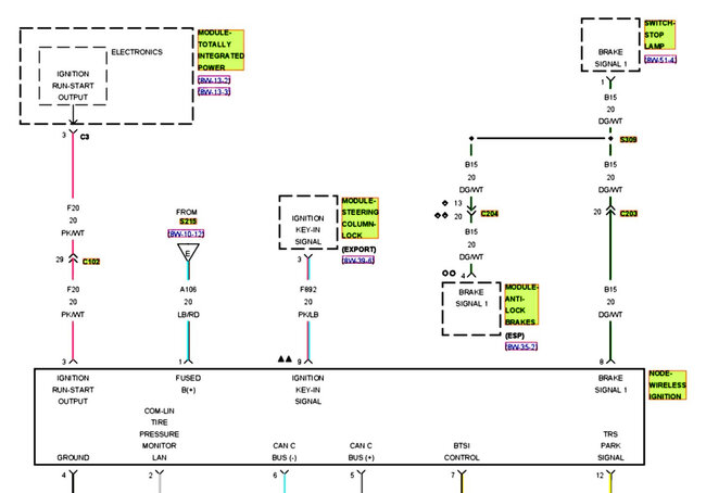
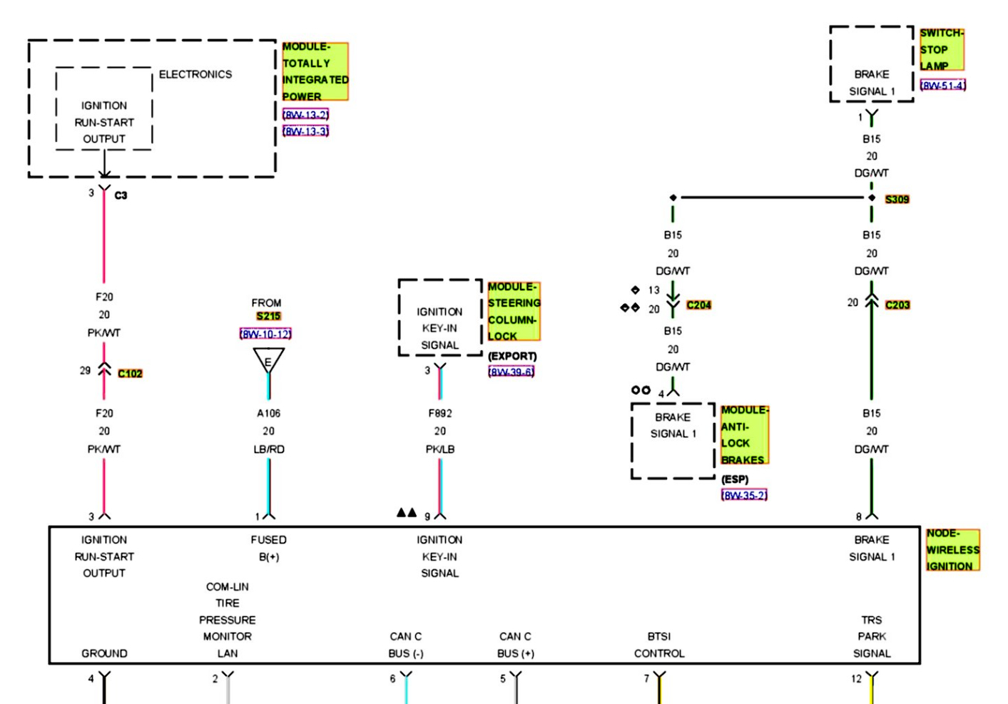
Hello, service info on the wireless ignition module doesn't look completely correct, but here are the OEM wiring diagrams 1 and 2, and the connector pinout diagrams 3 and 4, then the win module location. The second to last diagram is another location diagram but it looks upside down for some reason, I added the network bus diagram as well, the pinout for the can bus C network pins look correct. Hope this helps some.
Images (Click to enlarge)
Feb 7, 2023 at 5:04 PM