no starter operation engine will not crank over?

2007 DODGE CALIBER
182,800 MILES • MANUAL
Avatar
SHAREBARE
  • MEMBER
  • 2 POSTS
Vehicle sat for two weeks, prior to it sitting it started. When I went to start it upon my return, it would not start. There was a single click and then nothing. I have tried to boost it however nothing. There is power to the lights, radio etc. My vehicle does not have anti theft.
Jan 6, 2019 at 1:19 PM
Advertisement
Avatar
DANNY L
  • CERTIFIED EXPERT
  • 5,648 POSTS
Hello, I'm Danny.

It sounds like you may be having trouble with the starting solenoid on the starter motor.If you remove the starter from your vehicle your local auto parts stores will test for free.Here are a few tutorials for you to view showing what is involved:

https://www.2carpros.com/articles/starter-not-working-repair

https://www.2carpros.com/articles/how-to-replace-a-starter-motor

https://www.2carpros.com/articles/how-a-starter-and-solenoid-works

Hope this helps and thanks for using 2CarPros.
Danny-
Jan 6, 2019 at 8:17 PM
Avatar
SHAREBARE
  • MEMBER
  • 2 POSTS
Thank you Danny for your expertise.
Jan 6, 2019 at 8:37 PM
Advertisement
Avatar
DANNY L
  • CERTIFIED EXPERT
  • 5,648 POSTS
You're welcome!
Thanks again for using 2CarPros and please use us again in the future.
Danny-
Jan 6, 2019 at 9:37 PM
Avatar
CARMEN HENDERSON
  • MEMBER
  • 2 POSTS
No indication or idea of why my car wont start.
Dec 30, 2020 at 5:50 PM (Merged)
Avatar
SATURNTECH9
  • CERTIFIED EXPERT
  • 30,869 POSTS
Are all the dash lights coming on when turning the key to the run position? Also your going to need a multi meter or test light to help troubleshoot. These guides can help us fix it

https://www.2carpros.com/articles/starter-not-working-repair

and

https://www.2carpros.com/articles/car-battery-load-test

Please run down these guides and report back.
Dec 30, 2020 at 5:50 PM (Merged)
Avatar
CARMEN HENDERSON
  • MEMBER
  • 2 POSTS
Thanks, I am having it towed in the morning.
Dec 30, 2020 at 5:50 PM (Merged)
Avatar
STRAILER
  • CERTIFIED EXPERT
  • 53,854 POSTS
It sounds like it could be a starter issue, here is a guide that can help:

https://www.2carpros.com/articles/car-cranks-but-wont-start

Please let us know what you find so it will help others.

Best, Ken

Dec 30, 2020 at 5:50 PM (Merged)
Avatar
JOMARIE BENTZLER
  • MEMBER
  • 3 POSTS
So basically I have an ex husband that is having some issues, when I picked my daughters up from school I was gone no more then ten minutes and when I came back it would not start. I thought I had left my lights on, after trying to jump it I gave up. A friend came to help me that is when my ex showed up and tried to take the key from us at the same time he admitted he disabled my car. I believe what ever he did was done inside of the car and not under the hood, and quickly. I checked the battery, fuses, for any cut wires, and it still wont start.
Dec 30, 2020 at 5:50 PM (Merged)
Avatar
SATURNTECH9
  • CERTIFIED EXPERT
  • 30,869 POSTS
So when you turn the key to the run position does all the dash lights come like normal?
Dec 30, 2020 at 5:50 PM (Merged)
Avatar
JOMARIE BENTZLER
  • MEMBER
  • 3 POSTS
Well I figured it out and now I feel stupid. What it was was he unplugged my spark plug wires and I did not see that because I never removed the plastic cover thinking he had not been able to get time under the hood. Thanks so much for your time however.
Dec 30, 2020 at 5:50 PM (Merged)
Avatar
RENEE L
  • CERTIFIED EXPERT
  • 1,260 POSTS
Hi JOMARIE,

We are happy to hear that you found the problem. If you ever need any auto repair help please come back to the site as we are always happy to help.

Kindest regards,

Renee
Admin
Dec 30, 2020 at 5:50 PM (Merged)
Avatar
SATURNTECH9
  • CERTIFIED EXPERT
  • 30,869 POSTS
Glad you found it pretty sad trying to get your kids to school and you have someone just trying to make your job even harder of raising your kids.Just not right
Dec 30, 2020 at 5:51 PM (Merged)
Avatar
JOMARIE BENTZLER
  • MEMBER
  • 3 POSTS
Well that's life sometimes you find a nut. :)
Dec 30, 2020 at 5:51 PM (Merged)
Avatar
STRAILER
  • CERTIFIED EXPERT
  • 53,854 POSTS
Yep, keep up the positive attitude it helps.

Best, Ken
Dec 30, 2020 at 5:51 PM (Merged)
Avatar
DAEDA03
  • MEMBER
  • 1 POST
I really hope that it is not anything serious. I pulled up in my driveway put the car in park and it cut off. I tried to crank it up but it would not start it was just clicking. The radio and my lights were still working. I had the battery and alternator tested a couple weeks prior and everything was good. Now my lights are starting to go dim and I think the battery is dying. I can't ignore the fact that the reason I had it tested was because of this loud noise in the front of the car. It was sounding like a F150 . It was my belt making a lot of noise what could be possibly wrong?
Dec 30, 2020 at 5:51 PM (Merged)
Avatar
JACOBANDNICKOLAS
  • CERTIFIED EXPERT
  • 110,175 POSTS
The clicking when trying to start usually indicates a low battery. Also, did you replace the belt since you heard the noise? It may be bad allowing the alt to slip and not properly charge the battery.

As far as the belt, make sure it's tight. There is an automatic belt tensionier that could be getting weak and allowing the belt to slip.

Let me know.

Joe
Dec 30, 2020 at 5:51 PM (Merged)
Avatar
TONYP505
  • MEMBER
  • 3 POSTS
I replaced the head on my 2007 dodge caliber 2.0. I made sure the timing chain was set correctly and all wires plugged back in when put together. When I go to turn over the car it has slow cranking the belt turns and it seems like it has a dead battery almost. I replaced the battery and the starter. Check with volt meter to see if I was getting 12v to starter. I also replaced battery terminals. Car has a real slow cranking speed. I turned the key to start position 3 times to run obd. When I do this it only says "done" on dashboard. Any help would be greatly appreciated.
Dec 30, 2020 at 5:51 PM (Merged)
Avatar
CARADIODOC
  • CERTIFIED EXPERT
  • 34,306 POSTS
You said you checked the voltage at the starter but you didn't say what you found. Put the meter's negative probe right on the engine block, not the battery post, and the positive post on the large terminal on the starter. You'll find full battery voltage. The important number is what you have there when a helper cranks the engine. The voltage must stay above 9.6 volts.

When you replaced the battery and starter, were they new or used parts?

Feel the battery cables after cranking the engine for five or ten seconds. If they're warm, too much current is being drawn. Try turning the engine by hand to feel how tight it is.

Tell me the voltage you found on the starter when you reply back.
Dec 30, 2020 at 5:51 PM (Merged)
Avatar
TONYP505
  • MEMBER
  • 3 POSTS
I was getting 12.5 volts in the cable from battery to starter. I have to see what the volts are under load was checking by myself so couldn't check. I hand turned the motor before I tried to start it after I installed the new head. I did this to make sure it didn't get hung up. I replaced with new starter and battery also cleaned the 3 starter wires from any dirt. I also replaced the battery terminals. Everything eles is getting power and don't dim under load. I took the new batty and starter to autozone just to make sure they were not defective. They passed just fine. The next option is for me really is to take all the pulleys off and timing chain cover and put another chain to see if it helps. Its hard to tell if what I can do by hand the starter is having trouble with.
Dec 30, 2020 at 5:51 PM (Merged)
Avatar
CARADIODOC
  • CERTIFIED EXPERT
  • 34,306 POSTS
The only way you're going to get 12.5 volts at the starter terminal is when it's not cranking the engine. You can have 99 out of 100 strands of copper wire broken in that fat cable and you'll get 12.5 volts, but you know you won't get enough current through that one strand to crank the engine. That's why the only measurement that has any value is during cranking.

The high current drawn by the starter at first draws the battery voltage way down, perhaps to as low as five or six volts. After less than a second, when the starter gets up to speed, its internal parts are exactly the same as a generator, and in fact, when it's spinning, it develops a voltage that opposes the battery voltage. That means that while, lets say, 200 amps is leaving the battery, the starter develops an opposing current of, . . . oh, . . . 50 amps. You can't measure that 50 amps, but you can measure the results of it with a professional load tester. You'll see only 150 amps leaving the battery. That 50 amps is the result of the opposing voltage, or "back emf", (electromotive force). It's why an electric motor that isn't shorted will cause a fuse to blow when it is tight or forced to stall.

In the starter motor application, it draws high current until it gets up to speed, then current flow goes down the faster the motor spins. That means if there's less than a perfect connection in the circuit, the motor will draw too little current to get up to speed, it won't generate enough reverse current to oppose battery current, so current actually goes up. Yup, current flow is too high and speed is too low. The high current results in a large "voltage drop" across the bad connection. Bad connections in high-current circuits like this have resistance that is excessive, but it's way too small to measure with an ohm meter. We CAN, however, measure the results of that resistance. That is in the form of voltage drop measurements.

There are ways to shortcut this process but it takes longer to explain those shortcuts. Instead, measure just one connection at a time. We're looking for a mechanical connection in the circuit where more than 0.2 volts is dropped while it's under load. That means the measurements must be taken while cranking the engine. To start, put the voltmeter on one of the lowest DC volts scales, typically the 2.0 volt scale. Put one meter probe on the battery's positive post, and the other probe on the cable clamp attached to that post. You'll see 0.00 volts because those two parts are the same point in the circuit. Now see what you get during cranking. Typically you'll find around 0.05 to 0.10 volts. If there is excessive resistance in that mechanical connection, you're going to see something obviously too high, like one to three volts.

You just tested the first mechanical connection. Do the same thing on the negative post and cable clamp. On the negative circuit, also measure between the engine block and the ground terminal bolted to it.

On the positive circuit, follow the battery cable to the next mechanical connection. As I recall, that cable bolts right onto the starter. Measure between that terminal end on the cable and the copper stud it's attached to.

We normally do not worry about the mechanical connection between the engine block and the transmission on cars where the starter is bolted to the transmission housing because that is a very beefy and solid connection. Also do not worry, at least right now, about the mechanical connection where the copper terminals are crimped onto the ends of the cables. You really can't get in there with the probes, but if there's corrosion and / or cut strands of wire, you'll see the excessive voltage drop on the first test. That one should have one meter probe on the battery's positive post, (not the cable clamp), and the other probe on the larger terminal on the starter, (not the terminal on the end of the cable).

Normally we would measure across two more mechanical connections in the positive circuit. Those are the two solenoid contacts. To include those in the measurement, you'd look for the second larger terminal on the solenoid and place the meter probe on the braided wire attached to it, (not the stud). I didn't bother with that because you have a new starter, so the solenoid contacts won't be an issue.

Be aware too that removing the starter to have it tested in a store is not a valid test. That's like saying you're strong enough to hold up a 100-pound sack of potatoes because you're holding up an empty bag. The only valid test is when the starter is under load trying to spin the engine. Getting back to that back EMF, a starter that is free-wheeling off the engine will spin at least twice as fast as normal, will develop a real lot of back emf, so it will only draw about 30 to 40 amps.

I won't go too deep into the next issue. Every starter motor has two somewhat independent circuits built in. There's two pair of brushes that each use a different part of the armature. That insures the motor will start spinning if one brush isn't making perfect contact. The concern is if one brush is totally open, you only have half a starter motor. It will draw exactly half of normal current, spin much too slowly, develop very little back EMF, and therefore draw very high current, which ends up being close to normal current. That means you will measure correct current flow, (around 150 amps), but the motor will spin very slowly. We don't have to worry about that since the starter has been replaced.

For my last comment of great value, if you cut the cable clamps off the battery cables and bolted on universal replacements, those are only meant to be temporary repairs. They were never meant to be a permanent fix. When you find those in the circuit you have to include them as another mechanical connection.

To finish my story on those mechanical connections and voltage drops during cranking, the most you're allowed at any one mechanical connection is 0.2 volts. More than that means take it apart, clean it, and tighten it. In addition, you're allowed a maximum of 0.4 volts in the entire circuit. You only have two mechanical connections in the negative circuit anyway. One is the cable clamp bolted to the battery's negative post and the other is the cable bolted to the engine block. Oops, you DO have a third one. That's the connection between the cable clamp and the cable bolted to it.

Technically, in the positive circuit, you have the cable clamp / battery post, the terminal bolted to the copper stud on the starter solenoid, the first internal solenoid contact, the second internal contact, and the braided wire bolted to the second large stud. Each one of those can have no more than 0.2 volts dropped across it, and all of them in total can have no more than 0.4 volts dropped across them during cranking. Most of the time those solenoid contacts and the braided wire cause so very few problems that we ignore them and only test down to the stud at the end of the battery cable.

There's one more observation you can make that might help. Turn on the head lights or watch the interior lights during cranking. If the starter is drawing excessive current, the lights will dim a lot. That's due to one more place where there is excessive resistance but we can't measure it. That's inside the battery. It is always going be a 12.6 volt battery. You see a much lower voltage at the posts during cranking because some of that voltage will be dropped across the battery's internal resistance in the plates and acid. If the lights do not dim very much during cranking, suspect a bad connection that is limiting the amount of current that can get through to the starter. Lower current flow means less voltage dropped inside the battery, more voltage at the posts, and less dimming of the lights during cranking.
Dec 30, 2020 at 5:51 PM (Merged)
Avatar
TONYP505
  • MEMBER
  • 3 POSTS
OK so I checked the starter and no load there is of course 0.00 resistance. While cranking the motor it was 0.02 of a drop. The lights do dim a little bit what I would consider normal. This might sound stupid but since I replaced the timing chain when replacing the head. Could the chain be to tight and causing it to not want to turn over at normal speeds? I can hand turn the crank with a wrench and I don't feel a difference from the past before I did any work on it. When changing a belt. I tested both points on the starter. The wire between the battery and cylinoide. I also tested the ignition wire, still no loss. Can I run a obd2 tester on it? Or would it even give me any kind of code? I know on the calibers you are supposed to be able to turn the key over 3 times and it just says "Done" where normally it reads the mileage. Should I be getting a code there? Thank you for all your help so far on this problem.
Dec 30, 2020 at 5:51 PM (Merged)
Avatar
CARADIODOC
  • CERTIFIED EXPERT
  • 34,306 POSTS
Hi Tonyp... I'm sorry that I didn't see your reply. Did you get this figured out? Somewhere around 2006 to 2009 they stopped showing fault codes in the odometer. I guess they're starting to follow the other manufacturers and forgetting about ease of service in favor of, . . . uhm, . . . something else.
Dec 30, 2020 at 5:51 PM (Merged)
Avatar
  • MEMBER
  • 1 POST
turned key and nothing happened, no sound, had been sitting for 10 days
Dec 30, 2020 at 5:51 PM (Merged)
Avatar
RNDARROW
  • MEMBER
  • 15 POSTS
First thing check to see if the Battery is any good. check to see if you have any lights coming on, such as headlight or dome light. Try charging it or replacing it. If you do have power to all accessories and no sound still, could be the starter cylinoid or the ignition switch.
Dec 30, 2020 at 5:51 PM (Merged)
Avatar
MHPAUTOS
  • CERTIFIED EXPERT
  • 31,937 POSTS
Have you had any luck with this problem as yet? are you still stuck and need further assistance?

mark (mhpautos)
Dec 30, 2020 at 5:51 PM (Merged)
Avatar
BALMERMOTORCO
  • MEMBER
  • 1 POST
Drove in my garage and now it will not turn over at all. lights are good checked battery okay.
Dec 30, 2020 at 5:51 PM (Merged)
Avatar
KASEKENNY
  • CERTIFIED EXPERT
  • 18,907 POSTS
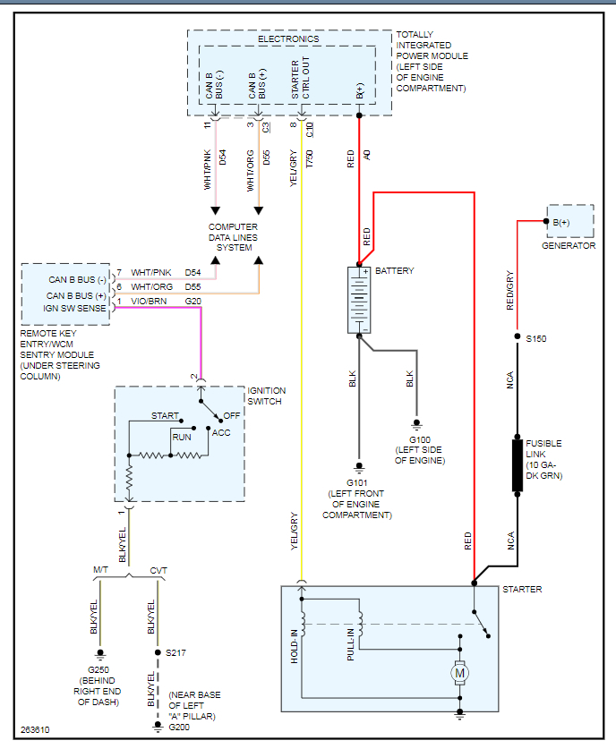
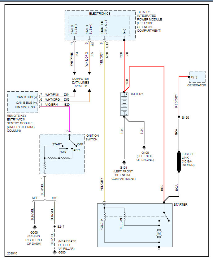
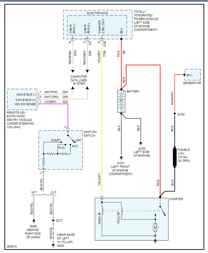
We need to check the starter for voltage on the red wire and then the yellow wire when cranking the engine. I suspect you will have voltage on the red wire and that should be there all the time.

The yellow wire should only have 12 volts when cranking the engine. If it does then the starter is the issue. If not then we have either a TIPM issue or sentry key system issue.

Also, we should check the codes just to see if there is something there that points us in the right direction.

https://www.2carpros.com/articles/checking-a-service-engine-soon-or-check-engine-light-on-or-flashing

Let us know this info and we can go from there. Thanks
Dec 30, 2020 at 5:51 PM (Merged)
Avatar
DODGEWOMAN
  • MEMBER
  • 1 POST
My car won't start - check the battery & change the starter. When I stick the key in the ignition turn it nothing happen. What could it be?
Dec 30, 2020 at 5:51 PM (Merged)
Avatar
JACOBANDNICKOLAS
  • CERTIFIED EXPERT
  • 110,175 POSTS
Try this test. Have a helper turn the key to the start position while you check for power at the smaller wire on the starter. You should have 12v. If you do, there is still a problem with the starter. If there is no power, check the starter relay,.
Dec 30, 2020 at 5:51 PM (Merged)
Avatar
MIKEWYRO
  • MEMBER
  • 2 POSTS
The car will not start but battery is fine, will not turn over but all electric items are working, is the starter bad?
Dec 30, 2020 at 5:51 PM (Merged)
Avatar
RASMATAZ
  • CERTIFIED EXPERT
  • 75,992 POSTS
Cranks over and will not start or just won't crank at all?
Dec 30, 2020 at 5:51 PM (Merged)
Avatar
MIKEWYRO
  • MEMBER
  • 2 POSTS
The car will not crank over at all. Do you think the battery is low on juice? Thanks, Mike
Dec 30, 2020 at 5:51 PM (Merged)
Avatar
RASMATAZ
  • CERTIFIED EXPERT
  • 75,992 POSTS
Could be the battery and connections -get it tested and also could be the starter relay or the starter motor itself
Dec 30, 2020 at 5:51 PM (Merged)