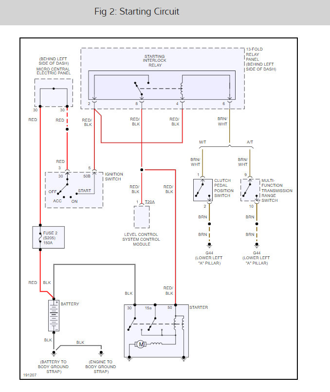
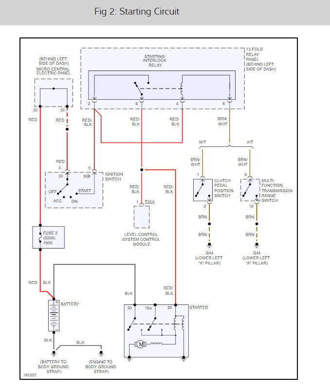
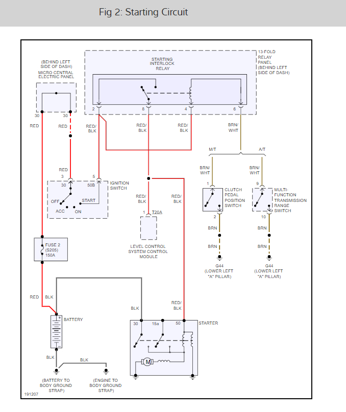
My vehicle listed above has been in storage for the last 6 months. it would start and drive before I put it away and now it just will not start or turn over. what could be the issue?
Sep 30, 2019 at 11:59 AM
