No crank, battery reads 12.6 on starter relay?

1999 FORD EXPLORER
117,000 MILES • 4.0L • 6 CYL • 4WD • AUTOMATIC
Avatar
  • MEMBER
  • 1 POST
No crank. Battery reads 12.6. On starter relay, jumped out post 30 to 85 (or 86) and starter turns on. Replaced said relay. Replaced starter safety switch. Removed and clean key ignition switch.
Dec 26, 2022 at 10:45 AM
Advertisement
Avatar
STRAILER
  • CERTIFIED EXPERT
  • 53,855 POSTS
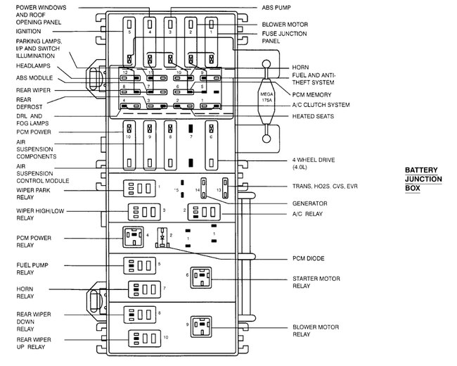
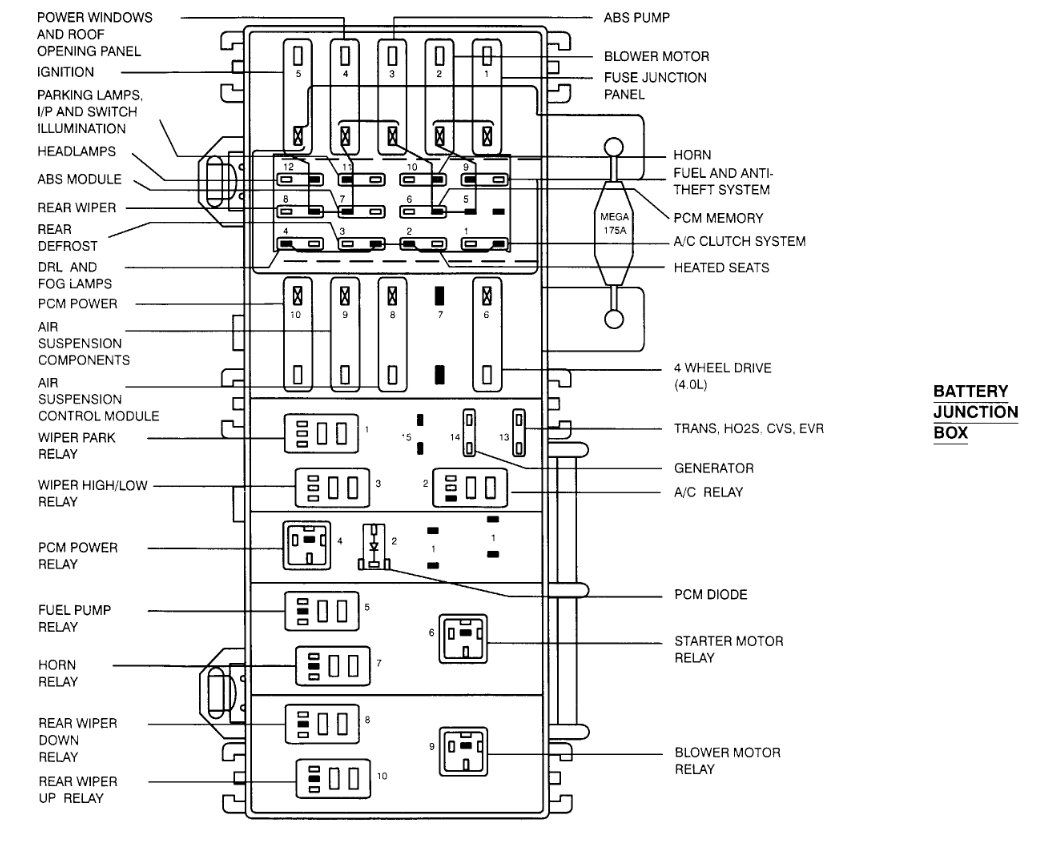
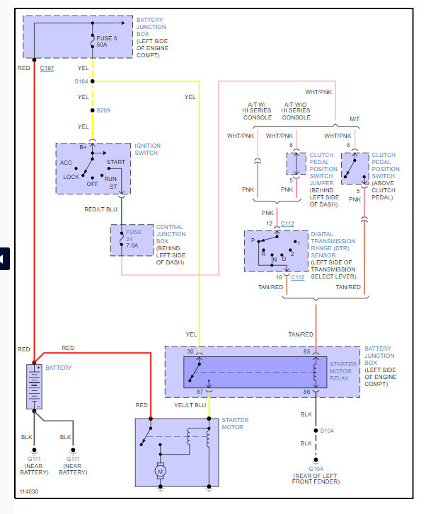
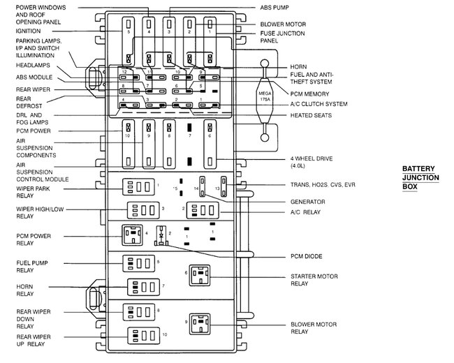
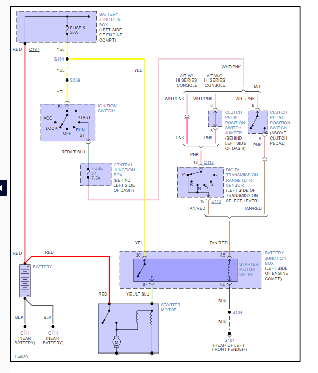
There is a fuse #24 7.5 amp in the interior fuse panel and a fuse # 5 in the fuse panel under the hood that needs to be checked for power.

Here is a guide and the fuse locations so you can check it out:

https://www.2carpros.com/articles/how-to-check-a-car-fuse

Here are the starter motor wiring diagrams as well so you can see how the system works. Check out the images (below). Please let us know what you find. We are interested to see what it is.
Dec 26, 2022 at 11:04 AM