Hello,
P0089 has several possible descriptors.
DTC P0089 00: Fuel Pressure Regulator Performance Malfunction.
DTC P0089 11: Fuel Pressure Regulator Performance High Input.
DTC P0089 12: Fuel Pressure Regulator Performance Low Input.
DTC P0089 18: Fuel Pressure Regulator Performance Low Signal Amplitude.
DTC P0089 19: Fuel Pressure Regulator Performance High Signal Amplitude.
Seeing that the engine will not start I would think that you have insufficient rail pressure (fuel pressure to the injectors)
System operation
The ECM uses commanded fuel pump flow to determine a desired fuel rail pressure. The ECM monitors fuel rail pressure with the fuel rail pressure sensor. The Fuel Pressure Regulator Solenoid is used to control the fuel pressure at the fuel rail. The Fuel Pressure Regulator Solenoid is pulse width modulated (PWM). The engine control module (ECM) supplies the voltage directly to the Fuel Pressure Regulator Solenoid. The ECM controls the solenoid by grounding the control circuit with a solid-state device called a driver.
Diagnostic Aids
A restricted fuel supply line, a leakage in the high-pressure section, too much or too little fuel in the low-pressure line may cause DTCs to set. When ambient temperatures are below 0°C (32°F), the fuel tank pickup screen may be iced over from water in the fuel tank.
High Resistance in either circuit of the Fuel Pressure Regulator will cause a DTC to set.
There are no drivability concerns associated with the fuel rail pressure regulator unless a DTC is present. One of the causes of these DTCs is a sticking fuel rail pressure regulator.
If the fuel system pressure is actually too high, a fuel knock and smoke condition will exist.
The fuel supply consists of a low-pressure fuel pump in the tank, diesel filter, high pressure fuel pump on the engine. The fuel pressure is regulated by the SCV (Suction Control Valve) at the rear of the high-pressure pump.
Low Pressure
A fuel system leak.
Restricted fuel filter.
Injection nozzle stuck in open position.
carry out injector leak off test or remove injectors and have them tested by specialist diesel shop.
Leakage in the fuel rail pressure regulator.
Worn fuel injection pump.
What injector leak off is and how to test:
https://youtu.be/1z2dBRYJH5o
I would suggest, using a suitable diagnostic tool, to check live date for the rail pressure. The engine requires a minimum pressure of 200 bar(2900 PSI) for the injectors to be triggered.
Check that diesel filter is clean or replace if suspect.
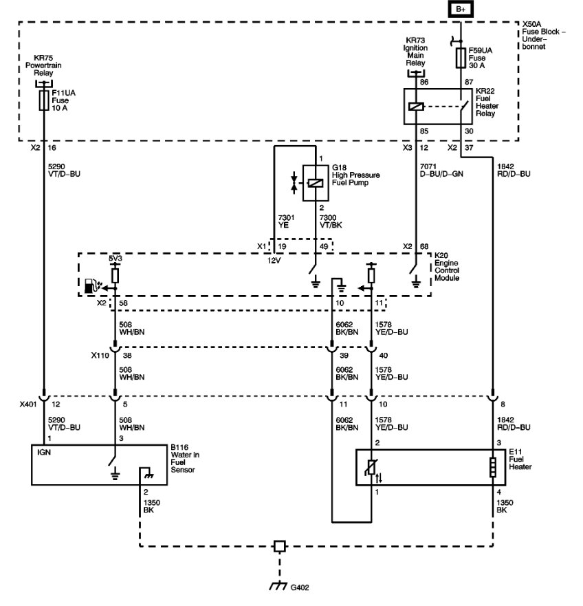
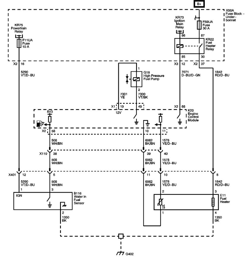
Image 2 below
A video:
https://youtu.be/qlJ66q8kjT4
Check that the in tank fuel pump is energized. Suggest to remove the feed pipe from the diesel filter, insert it in a container. Crank the engine and see if fuel is being supplied,
A more accurate reading would be by using a manual fuel pressure gauge, attach it to the pipe and see what pressure is being produced. we should see between 414-483 kPa (60-70 PSI).
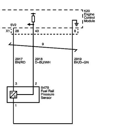
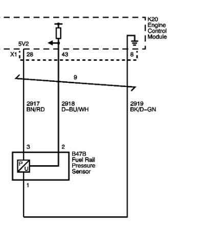
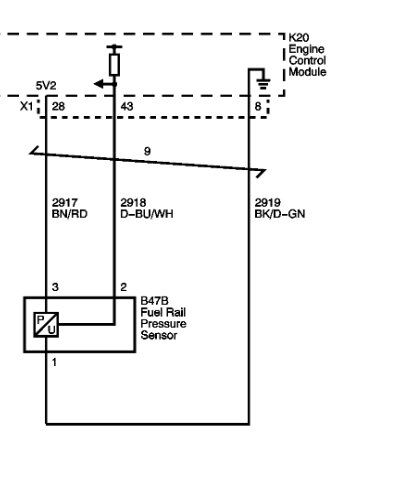
Check connector and wiring to the rail pressure sensor.
Using a multimeter check for 5V supply and ground
Pin 1, black/dark green wire ground
Pin 3, brown/red wire 5V with ignition on
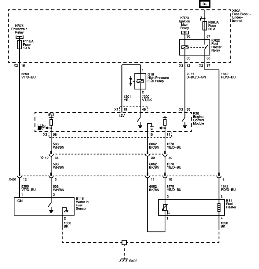
Check wiring to fuel pressure sensor(G18)
Pin 1, yellow wire 12V
Pin 2, violet/black wire ground
See wiring information in images 1+3 below
How to use a voltmeter:
https://www.2carpros.com/articles/how-to-use-a-voltmeter
Cheers, Boris
Images (Click to enlarge)
Jun 12, 2023 at 8:21 AM