Engine will not rev, no power?

1994 HONDA CIVIC
200,000 MILES • 1.5L • 4 CYL • 2WD • MANUAL
Avatar
JOHN6996
  • MEMBER
  • 4 POSTS
I have a jdm d15b vtec. it will not rev past 4,000 rpm's. if I jump power to vtec solenoid it will rev to 5,500 it has a 7,000 rpm red line. I've checked for codes and there are none. I've tried swapping ECU and still same problem.
Aug 28, 2019 at 7:49 PM
Advertisement
Avatar
STRAILER
  • CERTIFIED EXPERT
  • 53,854 POSTS
If it doesn't blink it means there are no codes. have you checked the engine oil level? Vtec will not work if the oil is low. Can you check it and get back to me?
Aug 31, 2019 at 12:48 PM
Avatar
JOHN6996
  • MEMBER
  • 4 POSTS
Yes, oil is full.
Aug 31, 2019 at 6:18 PM
Advertisement
Avatar
STRAILER
  • CERTIFIED EXPERT
  • 53,854 POSTS
Also the engine must be at operating temperature before Vtec will work doe the engine have a thermostat?
Sep 1, 2019 at 10:50 AM
Avatar
JOHN6996
  • MEMBER
  • 4 POSTS
Yes, it has a working temperature gauge that goes into the normal range. I also pulled and checked the screens I do notice that it hunts for idle wen it's warmed up sometimes but no code for the IAC working.
Sep 3, 2019 at 9:59 PM
Avatar
STRAILER
  • CERTIFIED EXPERT
  • 53,854 POSTS
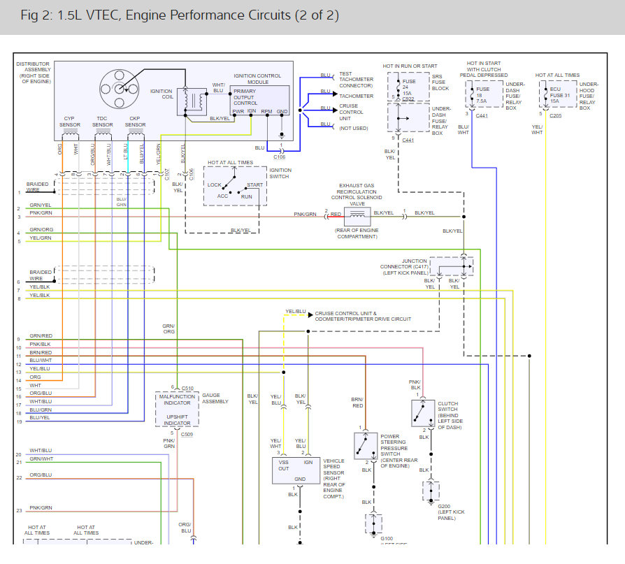
It sounds like the PCM is bad. To be sure lets check the wiring between the Vtec and ECU. here is a guide and the engine wiring diagrams so you can see which wires to test:

https://www.2carpros.com/articles/how-to-check-wiring

Check out the diagrams (below). Please let us know what happens.
Sep 5, 2019 at 11:21 AM
Avatar
  • MEMBER
  • 1 POST
Everytime i start the car and i dont step on the gasoline pedal, the rpm revert back to zero.
Aug 8, 2020 at 11:21 AM (Merged)
Avatar
KHLOW2008
  • CERTIFIED EXPERT
  • 41,814 POSTS
Hi [email protected],

The idling system is malfunctioning. What is the idling speed ?

Does stalling occur even when starting from cold?
Aug 8, 2020 at 11:21 AM (Merged)
Avatar
SUKATHAI
  • MEMBER
  • 1 POST
loss of power and stalling. revs ok when stationary.
air filter seems clean.fitted new radiator 2 weeks ago
Aug 8, 2020 at 11:21 AM (Merged)
Avatar
MHPAUTOS
  • CERTIFIED EXPERT
  • 31,937 POSTS
Hi there, check fuel filter, plugs, leads, coil and compressions, start here as this is a miss under load and will normally be ignition related.

mark (mhpautos)
Aug 8, 2020 at 11:21 AM (Merged)
Avatar
MANNY7546
  • MEMBER
  • 1 POST
Hello:)I was going to remove the distributer so I can remove a hose because my car is so compact I thought if I remove the distributer i can have more leverage..After removing the three bolts holding the distributer I pulled out the distributer about a quater of a inch then decided to not to remove it.Now my car has bad acceleration and doesnt want to shift gears properly.But it starts fine.What could be the problem?Is it because when I removed the distributer the oring got damaged? I only removed it a quarter of an inch.How could I ruined the oring.Thanxs:)
Aug 8, 2020 at 11:21 AM (Merged)
Avatar
KHLOW2008
  • CERTIFIED EXPERT
  • 41,814 POSTS
Hi manny7546,

Did you tighten the bolts according to the initial position?
If not, the ignition could have been retarded when the distributor is twisted and retightened.
Aug 8, 2020 at 11:21 AM (Merged)
Avatar
AMARTINEZ209
  • MEMBER
  • 6 POSTS
I have a 94 honda civic Dx 1.5L D15b7 I seem to have loss of power and hesitation upon acceleration. I've replaced the fuel pump,fuel filter, main relay, distributor,wires, plugs, did a valve adjustment, and checked the timing. all seems to be in working order. I have pulled the DTC it is 43 fuel system malfunction. i have performed a fuel pressure test and everything seems at standard but the problem still persist. could this be the EGR valve? does this year and model of Civic have an EGR valve or ports and if so how do you clean them? thanks for your time sorry about the long write up!
Aug 8, 2020 at 11:21 AM (Merged)
Avatar
F4I_GUY
  • CERTIFIED EXPERT
  • 3,302 POSTS
Replace the primary oxygen sensor. Code 43 is 9/10 because of a faulty oxygen sensor.
Aug 8, 2020 at 11:21 AM (Merged)
Avatar
AMARTINEZ209
  • MEMBER
  • 6 POSTS
after replacing the O2 sensor like you recommended all is well and in perfect running condition thanx
Aug 8, 2020 at 11:21 AM (Merged)
Avatar
BRENDAN123
  • MEMBER
  • 2 POSTS
Hi,

I own a 1994 Honda Civic 180i. The car has served me well and I am very happy with it. Recently the car has started "hunting". The engine seems to rev on its own and will not stabilize at the normal 800 - 900RPM. On start up, when the car is idling, the revs climb to about 2500RPM then drop back to 1000RPM - this occurs continuously every 1 or 2 seconds for the first 30 minutes or so, and even after the engine has reached its normal running temperature this still continues. After about 30 minutes of driving, this usually stops and the revs return to normal.

Is there anything to worry about? Can you offer some advice on how to fix this problem?

Any assistance that you can provide will be greatly appreciated.

Many thanks
Brendan
Aug 8, 2020 at 11:21 AM (Merged)
Avatar
RASMATAZ
  • CERTIFIED EXPERT
  • 75,992 POSTS
Clean out the idle air control valve and test the throttle positon and intake air temperature sensors.
Aug 8, 2020 at 11:21 AM (Merged)
Avatar
BRENDAN123
  • MEMBER
  • 2 POSTS
Thank you for your advise.

I will try what you have recommended.

Many thanks.
Aug 8, 2020 at 11:21 AM (Merged)
Avatar
CBTURNER
  • MEMBER
  • 2 POSTS
Hello,
I have a 1994 honda civic DX 5 speed with 185,000 miles . Right now we are experiencing a problem with accelerating. The car has no real power in 1st or 2nd gears, only after patting the accelerator while taking off will the car pick up speed. The entire time there is a strain. Also, the is no acceleration in reverse either. Please help!
Aug 8, 2020 at 11:21 AM (Merged)
Avatar
BRUCE HUNT
  • CERTIFIED EXPERT
  • 3,754 POSTS
Feed me more information about fluid levels, what you have had to add, is there any overheating, what else is happening or happened?
Aug 8, 2020 at 11:21 AM (Merged)
Avatar
CBTURNER
  • MEMBER
  • 2 POSTS
The car has never overheated nor have I had to apply any fluids. My wife remindered me that the car did a similar thing before we replaced the clutch slay cylinder about a year ago. The car shifts ok, but there is no real power in any gear.
Aug 8, 2020 at 11:22 AM (Merged)
Avatar
BRUCE HUNT
  • CERTIFIED EXPERT
  • 3,754 POSTS
Replacing the clutch slave cylinder probably didn't do much to assist with power unless it was causing the clutch to engage and thus actually slip. I doubt this is tranny or clutch related but I hope you would be able to tell if the clutch is slipping.

Other potential things to look at are the wires to the plugs. They can be failing. Sounds silly but a plug wire is not a true solid or stranded wire but a composite of various conductive materials. They can fail. Also check that air filter and fuel filter. Start with the basics and the simple things first.
Aug 8, 2020 at 11:22 AM (Merged)
Avatar
ABERD
  • MEMBER
  • 2 POSTS
I have a 94 civic lx with 128,xxx miles. I recently did a tune up with new plugs, wires, distributor cap, rotor, air filter, oil change. Have a fuel filter to put on still, but anyways. When I start my car up in the morning it overides a little bit to about 1200 rpms. It stops after I begin to drive the car awhile. While I am driving the car has a hard time accelerating and seems like it almost has a dead spot where i cannot make the car go forward. I feel like I have to make sure the car gets going enough because sometimes when i got into second the car does not have enough power to keep going, esp on inclines.

I was thinking that maybe I should get the timing checked out. I've never done timing before so I guess I should just pay to have it done?

I was also thinking
PCV Valve
Oxygen Sensors
Fuel Pressure
Fuel Injectors

Any input would really help if you think I am on the right track or not. Thanks.
Aug 8, 2020 at 11:22 AM (Merged)
Avatar
BRUCE HUNT
  • CERTIFIED EXPERT
  • 3,754 POSTS
Those are all good thoughts. One that I have is the cat converter. I might even suggest to try dropping the pipe at the exhaust manifold and removing the gasket. Hook the sytem back up but not tight and let the air bypass the cat. See if the power is there again. Cat could be plugging. First I would try the timing.
Aug 8, 2020 at 11:22 AM (Merged)
Avatar
ABERD
  • MEMBER
  • 2 POSTS
thanks for the help, i'm going to try that tomorrow after work. anyone else have an idea or suggestion of what it could possible be. I think i'm going to try all the cost free methods first, and hopefully it will be one of them.
Aug 8, 2020 at 11:22 AM (Merged)
Avatar
RJASON11
  • MEMBER
  • 5 POSTS
Thank you for your time. My Civic has 178K miles on it. When the engine is cold, especially in the mornings, it has plenty of power and response. On a hot afternoon, after sitting in the sun, it's a little less power. The main symptom is almost exactly 8 minutes into my drive, the idle goes down (from 800 to 550 roughly), the engine gets noisier (valve sounding, I think), and I lose a significant amount of power. The idle change is well past the FITV stage, and a good 5 minutes past the engine being brought up to operating temperature. Based on my fuel gauge being much higher (2/3 full) than it usually is after 160miles on this tank, I'm guessing it's running lean, or that the timing is off. If I stop the car, wait five minutes, and start it again, the problem persists. So, the power loss is clearly a matter of temperature. If I wait 3 hours, I have power again, for 8 minutes. I'm going to test the fuel pressure, check timing, and replace the oxygen sensor this weekend. I don't want to throw 20 parts at it, so I'm hoping you can help me prioritize things. Cooling system works great, timing belt/water pump are new, throttle body is clean, TPS tests perfectly. After turning off my car, CAT is 280 degrees before and 380 degrees aft. Vacuum stabalizes at 18 pretty responsively. My car doesn't have an EGR. Not likely main relay, because it seems more engine temp dependent, than cabin temp dependent. PCV is new. Oil is GTX 5W30 and is in good shape. Fuel pump primes. Coil meets Haynes resistance specs. Distributor is only two years old. Disconnecting MAP stalls engine. Spark plugs have gas carbon on ring, white ceramic looks great, tip looks a bit on the white side. The valves were adjusted recently. Air filter looks great.

Another note. The idle seems to stabalize at a different level every time. The RPMs drop, hang a little at 900, then continue to 700, or 800, or 600, depending on the mood of the car. I noticed that when the car has power this idle tends to settle more in the 800 or 900 and when it's lost power it settles in the 600 area.

The power loss can be described as similar to the loss you get when turning on the AC, only double that. It isn't jerking, or stalling, it just feels light on the pedal. An inch of accelerator movement, might only slightly, slowly, begin to think putting some torque on the wheels. Golf carts have more power.

So, I'm thinking Knock Sensor, replace all vacuum lines, Ignitor, Improper timing belt installation, ECT sensor, or Crank Sensor. As a novice, I'd love to have an expert help me. I have a feeling the symptom of having power when cold, but not when hot can narrow the sensor/timing troubleshooting down.

THANKS AGAIN for your time.

Robert Jason
Aug 8, 2020 at 11:22 AM (Merged)
Avatar
RJASON11
  • MEMBER
  • 5 POSTS
Fuel filter is new also. Injectors were cleaned with B-12 in the tank. Combustion chambers were cleaned with water sprayed into the brake line vacuum.

I also ran a compression test. Compression is a bit higher than the 185 spec in the manual, more around 205, but all cylinders had close readings +/- 7 psi.

For good measure I made sure the valve cover GND wire, and the sensors GND wire on the thermostat had a solid connection. Battery tests good cold and running.
Aug 8, 2020 at 11:22 AM (Merged)
Avatar
KHLOW2008
  • CERTIFIED EXPERT
  • 41,814 POSTS
Hi Robert,

Thank you for the donation.

The information you have provided are meticulously done and calling yourself a novice is an understatement.

From the symtoms and info provided, I would suspect a fuel problem. Since you are going to check the fuel pressure, we will have to wait for the results.

Btw as problem happens only after warming up, you would need to check/test under same conditions.

The easiest would be to plug in a diagnostic machine and check the ECT and O2 readings if you suspect it is running lean.

What is the engine type?
Aug 8, 2020 at 11:22 AM (Merged)
Avatar
RJASON11
  • MEMBER
  • 5 POSTS
Okay, I have more info.

It's a D15B7 1.5L 16V SOHC engine.

In case you forgot by now, my problem is, major power loss is accompanied by a some pinging engine when warmed up. It is running VERY LEAN.

Tested the ECT, it was about 240 ohms with the engine hot (approx. 180 degrees). It was about 1400 ohms with the engine cold (approx 85 degrees). These seem a little on the low side. I might just replace it for good measure, it's only $20. Supply wire got good voltage. One thing to note, I found oil in the connector because the valve cover had been leaking for a while. I cleaned it out, the problem hasn't gone away. I wish it was that easy.

Tested the Air Intake temp sensor. Hot engine the resistance was 650 ohms, cold engine it was 1950 ohms, seems within spec. power was a solid 5V.

Replaced the O2 sensor.

Looking through the manual. The only sensors my car has are TPS, O2, Air Intake Temp, Atmospheric Pressure, MAP, ECT, Crank/TDS/CYL sensors (all in distributor)... there is no knock sensor that I know of. I've tested or ruled out most of these sensors.

On a cold engine I put soapy (leak detector) water on the exhaust manifold and saw no bubbling.

I thought I'd double check for a vacuum leak with propane gas, with IACV unplugged. The propane did not affect the RPMs. So, I could not find a vacuum leak.

Installed a permanent fuel pressure gauge. 44 lbs of pressure not counting the FPR, 34 lbs when the vacuum line to the FPR is connected. Turning off the engine the fuel pressure drops very slowly, so there is no leak.

I did a fuel volume test. I got 27 oz of fuel in 30 seconds. Not quite a quart. Seems low to me, but I don't think it's low enough to cause the problem of severe power loss.

I pinched the fuel return line and the pressure went from 34 to about 78, so the pump seems strong.

I am now getting 38 MPGs city. I used to get 32. I'm worried I might be damaging the engine driving to work and back. I'm concerned about detonation, so I keep RPMs below 2500.

Based on my tests, I really think the only thing left is the ignitor or MAP. I don't think a MAP would only act up when the engine is warm. I was really thinking it was an ECU, sensor thing since it only happens on a warm engine. It feels like timing gets retarded at that point. I don't know if I should replace the coil for good measure, the resistances on the primary and secondary are within spec.

Would a faulty ingnitor cause MPGs to go up that much ( from 32 to 38 )...? or a faulty coil..?

I can run all these tests, but I have little experience with these systems, so interpreting them is difficult.

Thanks Again, this is officially the toughest problem I've ever tried to find.

Robert
Aug 8, 2020 at 11:22 AM (Merged)
Avatar
KHLOW2008
  • CERTIFIED EXPERT
  • 41,814 POSTS
Hi Robert,

Sorry for the delay in asnwering as your question got me scratching my head as well.

The ECT readings are within specs so should not be a problem.

Vacumn leakages would not cause power losses unless it is substantial which would be easily detected.

For fuel to be causing the problem, it would more likely to happen during sudden acceleration or only at a higher engine rpm and this can be caused by fuel supply amount and pressure.
If it happens during initial acceleration, it would more likely to be pressure related, which does not seem to be the case here.
If the power loss is when you are pushing the rpm higher up and it takes forever to reach the peak, then it could be due to insufficient amount of fuel getting to the injectors.

Running overly lean for prolonged periods is definitely not good for the engine. Many people would like to be in your shoes, getting more mileage, lol.

If the ignition coil is providing weaker sparks, it should be running rich instead of lean. The ignitor provides the sparking and you do not have problems with starting and engine running so should not be responsible.

Knock sensors are only for the VTEC models.

You did not mention anything about the the ignition timing setting, is it set at 16 degrees at 620 to 720 rpm at idling?

The high compression rate seems odd, as the standard is only 185 psi. Was the head ever refaced or repaired?
Aug 8, 2020 at 11:22 AM (Merged)
Avatar
RJASON11
  • MEMBER
  • 5 POSTS
Hmmm, yes it's a mystery.

I'm still pretty sure it's not a vacuum leak. Covering the IACV hole in the throttle body causes the car to significantly bog down, although not die. Also, the power loss is throughout the RPM range, not just at idle.

I'm leaning away from ignition coil and ICM because it starts up nice an quickly. And as you mentioned, these fail rich, not lean. Although I have heard they are more likely to fail after warm up.

Here's another symptom. I noticed if I have the car in neutral, and rev up to, say 2000 RPMs, the RPMs start to decline, 1900, 1800, 1700... I have to press the gas more to get it to go back up to 2000. They won't keep declining, 2000 might go down to 1600 and stop there. Shouldn't the RPMs hold steady at a given opening of the throttle??? I have a feeling this symptom might be more telling than previous symptoms.

I'm not sure if this matters, but the problem usually occurs when the engine is around 190 degrees. This might be why the engine runs great for 10 minutes.

I'll check the timing today and get back to you.

Also, when applying electrical load, the RPMs surge, or are SLOW to respond. Example, at 800 RPMs, turning on the headlights, half a second delay, then RPMs go up to 1000, then after a couple seconds settle back at 800. Weak IACV..?? Maybe this three second RPM jump and settle is normal.

- Intermitant loss of power
- High MPGs (lean running)
- erratic idle (settles anywhere from 600 to 1000 randomly)
- RPMs slowly lower at set throttle position

I've read that lean running can be Weak Coil, MAP, TPS, Air Intake Temp Sensor, Vacuum Leak and other stuff we've already ruled out.

Would a faulty IACV cause this problem?

Some notes on the brake booster. I am getting intermitant solid and soft pedal. This keeps pointing to a vacuum leak. When I tested the vacuum, previously, I hooked it to the brake vacuum line. So, I may have eliminated the source of the problem when I tested the pressure. I'll cover the IACV hole and try the propane technique one last time tonight.

Just for troubleshooting sake, what if we pretend the problems have nothing to do with the car warming up. As I'm noticing the cold performance seems to be getting worse as well.

Can I clean out the MAP sensor by soaking it in electrical cleaner?

Thanks again... I'm about to go parts shotgun on this because it's so frustrating.

Robert
Aug 8, 2020 at 11:22 AM (Merged)
Avatar
OSWAKO
  • MEMBER
  • 3 POSTS
Hello everyone this is a very hard question , I have a honda civic 1994 coupe 1.6 EX, manual transmition and everytime is in neutral or car stoped the RPMs go down close to 0 but the car doesn't turn off and you can hear a noise because is to low the rpms that the engine is shaking , I saw that when the car is cold there is not trouble at all the rpms are close to 1000 but when it gets the normal temperature it starts going down to 0 rpms.

what can i do, i checked the computer and it tells me that no sensor is bad what else can i do?? or what you think is not working here?? The car runs great and hasn't a problem with rpm when is running on the freeway, and never gets overheating
Aug 8, 2020 at 11:22 AM (Merged)
Avatar
BRUCE HUNT
  • CERTIFIED EXPERT
  • 3,754 POSTS
Does it drop down to 0 and stay or does it surge and go back to a normal rpm and drop again? There is no way the engine can run at the 0 rpm level. Low level rpm is not good for the engine.
Aug 8, 2020 at 11:22 AM (Merged)
Avatar
KHLOW2008
  • CERTIFIED EXPERT
  • 41,814 POSTS
The IACV is more of an idling control and when throttle is opened, its work is reduced to a bystander.

The electrical load is delay is a possible suspect. Check the charging voltage when the power drops. Any substantial drop in voltage would cause power loss.

If you have voltage drop, you should have a look at the crank pulley. the harmonic damper might be out. Since you are checking the ignition timing, if the timing mark keeps running away, you have a bad pulley.

Now that you mentioned the brake booster, I had wanted to point this out. It could cause erratic idling only after warming up. Between the master cylinder and the booster there is a seal which tends to leak over time and this does not provide constant vacumn leaks so is mostly unnoticeable. Remove the master cylinder 2 pcs of holding nuts and you can gently pull the master cykinder away from the booster to have a look.

No, MAP sensors should not be soaked. It is a very sensitive component and any external inteference would cause it to fail.
Aug 8, 2020 at 11:22 AM (Merged)
Avatar
OSWAKO
  • MEMBER
  • 3 POSTS
yes, it surge and go back close to the normal rpm and drop again close to 0 rpms
Aug 8, 2020 at 11:22 AM (Merged)
Avatar
RJASON11
  • MEMBER
  • 5 POSTS
KHLow2008,

Thanks again for your help.

I was completely wrong about the situation. I have learned a lot from this. I did some extensive testing on my ECU, ran through all the voltages from the sensors. I learned how to read an oxygen sensor, which is easy, now that I understand it.

Last couple times it acted up (again after the car was hot), I pull the O2 sensor wire to see how lean it was running. Guess what...? It's running RICH, when the problems occur. The O2 sensor is getting great readings, then when the loss of power occurs, I'm getting 0.8 to 0.9.

I promise I'll post the solution when I've figured it out.

On the ECU, the MAP was reading 0.97 volts at idle, so I don't think it's the map. The MAP sensor wire is getting 3.56V from the ECU. The other MAP power wire gets 5V. I'm told 5V and approx 3V is correct based on the manual. And approx 1V in idle....

TPS passed the voltage specs closed and WOT.

I've replaced the ECT and Air Intake Temp Sensor. They both pass resistances at the ECU.

Cam/CYL/TDC all pass.

Basically, ALL the sensors passed the ECU voltage and resistance tests.

FI's are all 4 clicking when the problem occurs.

I took off the timing belt cover and made sure the cam and crank were aligned, they were.

So, we're down to three options...

1. Electrical, short/open
2. Ignitor
3. Coil

Does the rich condition change things...?

Thanks, Robert
Aug 8, 2020 at 11:22 AM (Merged)
Avatar
BRUCE HUNT
  • CERTIFIED EXPERT
  • 3,754 POSTS
If this happens only until warm it could be a select number of things but if happens all the time then I would have another range of causes. Which is it?
Aug 8, 2020 at 11:22 AM (Merged)
Avatar
KHLOW2008
  • CERTIFIED EXPERT
  • 41,814 POSTS
Hi Robert, Thank you for the feedback. From the 3 items listed, I would say the ignition coil has the highest probability. When ignitor goes bad, it would more likely cause difficult startinig and engine stalling rather than power loss. If it is electrical, it would be more consistent and would happen under any condition. That leaves us with the ignition coil. Test the sparks, they should be bright blue and not dull yellow. Test the coil resistance to see if they are within specs.


https://www.2carpros.com/forum/automotive_pictures/192750_IgnitionCoilResistance94Civic_1.jpg


https://www.2carpros.com/forum/automotive_pictures/192750_IgnitionCoil94Civic_1.jpg

Aug 8, 2020 at 11:22 AM (Merged)
Avatar
OSWAKO
  • MEMBER
  • 3 POSTS
this happend when is in normal temperature (all ready warm), and happend everytime.
Aug 8, 2020 at 11:22 AM (Merged)
Avatar
BRUCE HUNT
  • CERTIFIED EXPERT
  • 3,754 POSTS
How about a check engine light?

I believe I would put blame to the air control sensor. It is located on the throttle body and is usually straight across from the throttle cable cam. I don't think the sensor is replaceable by itself as an item and is usually replaced with the throttle body as it is riveted on.
Aug 8, 2020 at 11:22 AM (Merged)