If the engine is not cranking then we need to suspect a starter issue or something prohibiting the starter from engaging.
So we need to start with checking voltage at the starter to find out if it is a starter issue.
https://www.2carpros.com/articles/starter-not-working-repair
https://www.2carpros.com/articles/how-to-check-wiring
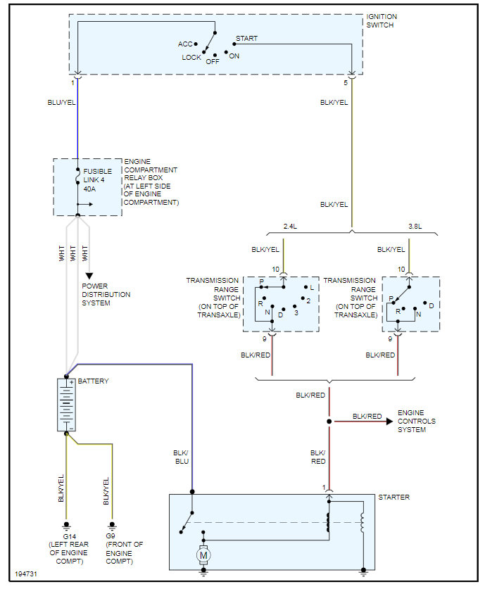
Below is the wiring diagram for the starter. This is what we need to find out what voltage you have on both wires while cranking we can go to the next step.
However, if you have no voltage on the control wire then we need to go back to the range switch and see if we have power going in and out of the switch. If we have it going in and not out then the switch is the issue.
If there is nothing going in then you move likely have a fuse or ignition switch issue.
There is a chance of a wiring issue but this is less likely.
Let us know if you have questions. Thanks
May 15, 2021 at 7:35 PM