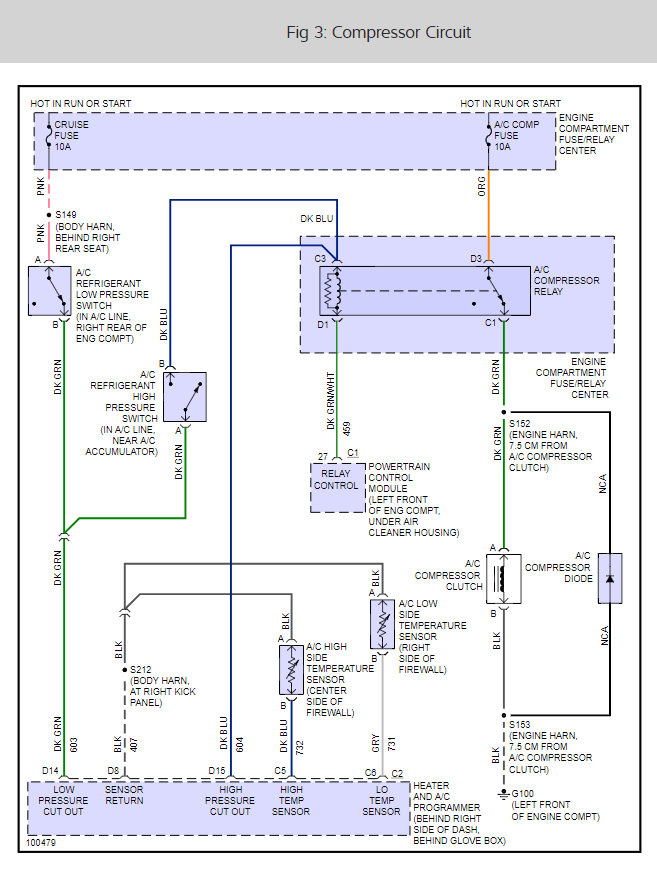
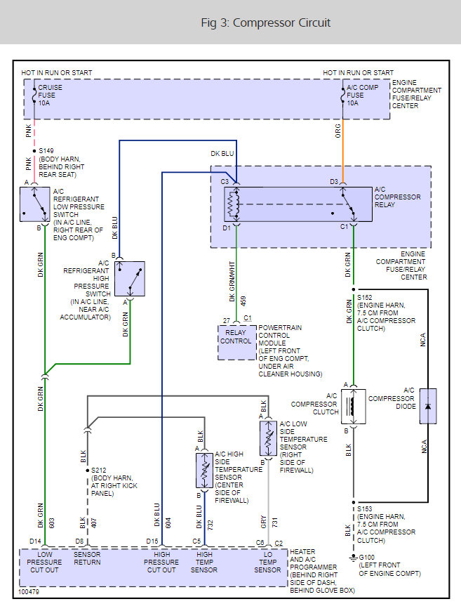
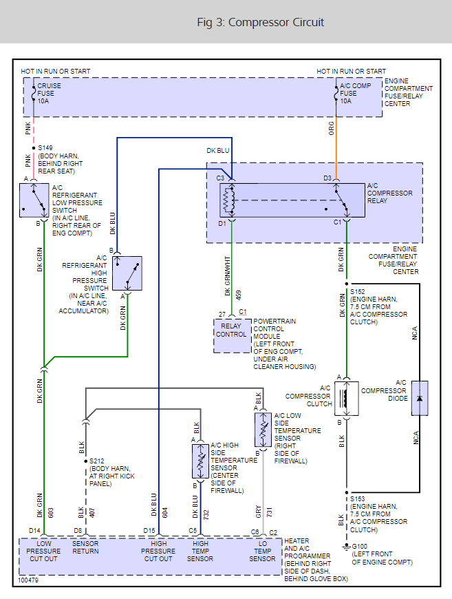
It sounds like the ac conditioner programmer has gone out and it needs to be replaced. Here is the air conditioner wiring diagrams so you can do some testing along with the programmer location so you can confirm the problem and the fix.
https://www.2carpros.com/articles/how-to-use-a-test-light-circuit-tester
Confirm that it is getting a good ground, then replace the programmer, try to find a used one.
Please let us know what you find.
Cheers, Ken
Images (Click to enlarge)
Sep 4, 2017 at 12:36 PM