Hello,
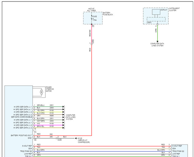
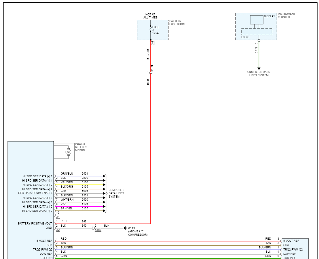
We have the last problem with the Steering Assist. The car is repaired after a front car accident. There are all faulty items are fixed, but the Steering Assist works as reduced option. We replaced the old steering gear (Rack and Pinion Gear) with a used steering gear but from 2018 year.
Is it possible that the second steering gear is not the same as the original 2016? Is possible to replace some electronics from old/original 2016 to used housing 2018?
Or is this message about reduced steering assist is normal, as a usually, well working system?
I am waiting for your help.
Have a nice day,
Pawel
We have the last problem with the Steering Assist. The car is repaired after a front car accident. There are all faulty items are fixed, but the Steering Assist works as reduced option. We replaced the old steering gear (Rack and Pinion Gear) with a used steering gear but from 2018 year.
Is it possible that the second steering gear is not the same as the original 2016? Is possible to replace some electronics from old/original 2016 to used housing 2018?
Or is this message about reduced steering assist is normal, as a usually, well working system?
I am waiting for your help.
Have a nice day,
Pawel
Nov 20, 2023 at 3:50 AM
















