Why do my headlights turn on when i start the engine

2008 NISSAN MURANO
164,000 MILES • 3.5L • V6 • 4WD • AUTOMATIC
Avatar
HAMIDHAJI
  • MEMBER
  • 1 POST
At the morning when i start the engine there are a lot of issues; the headlights turn on by themselves and the switch does not work. The fan runs in fast mode. The wiper does not work.
When i drive a little, all the problems come true.
Almost it does happen in cold days.
Oct 29, 2019 at 2:26 PM
Advertisement
Avatar
STRAILER
  • CERTIFIED EXPERT
  • 53,854 POSTS
Hello,

I would start by checking the fuses because the BCM doesn't sounds like it is working and may need replacement. Here is a guide to help you test the fuses and the fuse location as well in the diagrams below. I have also included the BCM replacement instructions.

https://www.2carpros.com/articles/how-to-check-a-car-fuse

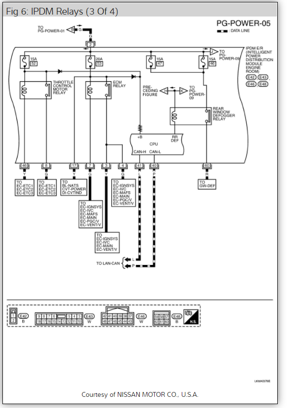
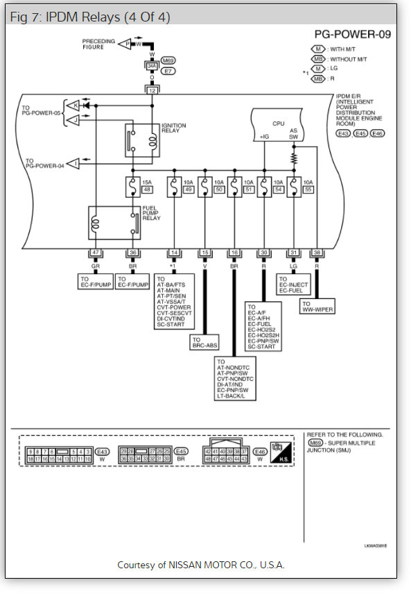
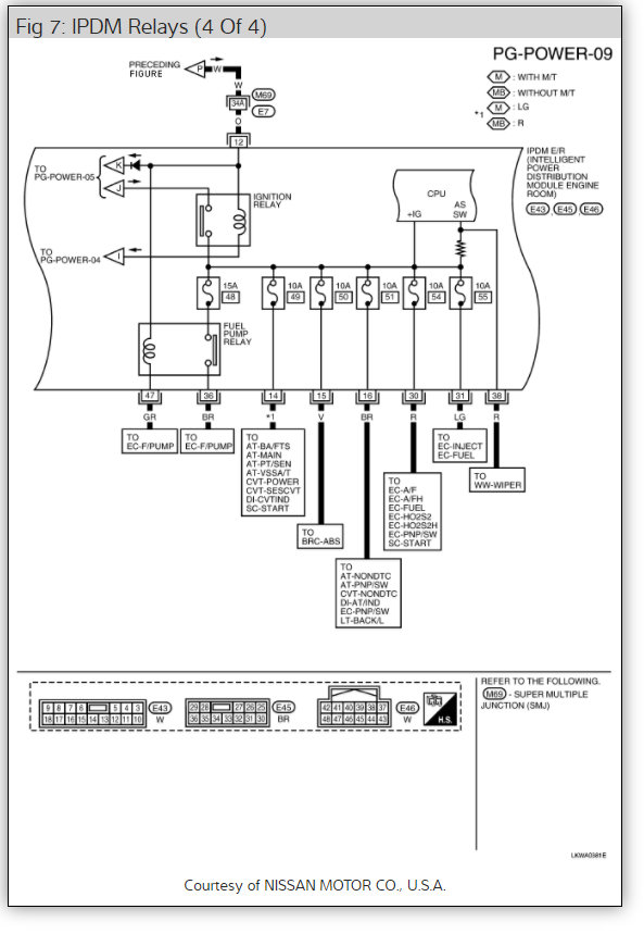
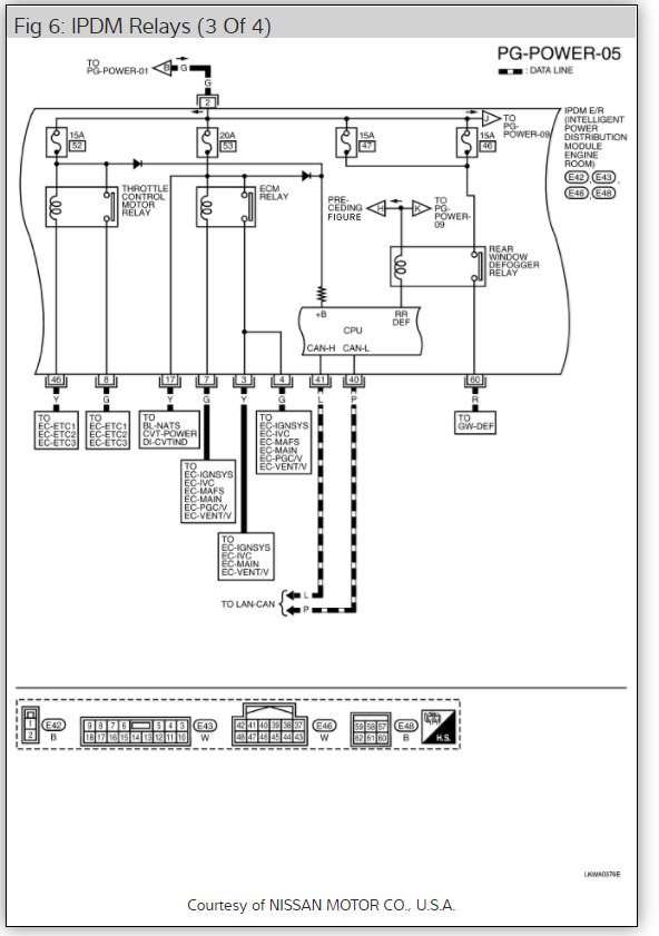
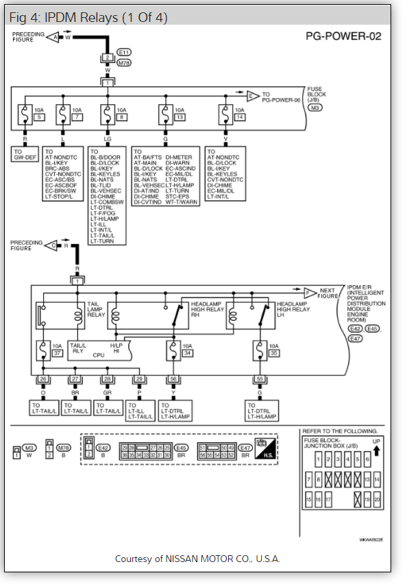
Check out the diagrams (below). Please let us know what you find. We are interested to see what it is.
Oct 30, 2019 at 4:59 PM