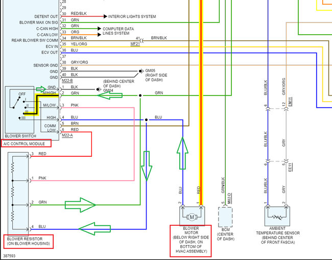
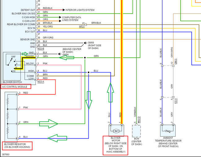
No problems with A/C or Heat, or Fans ever before. One day it was hot out and I tried to turn the A/C up, so no air coming from the vents at all. I thought it broke, but I turned it up higher, and it was fine. My vents blow air fine, no strange noises, nothing. I used to be able to wiggle the knob a little then it would work, but now setting number 3 just doesn't exist. (It's my wife's favorite setting apparently). From what I know if it were the resisters then all of the lower settings would stop working. But every setting works except for number 3. What do I do to fix this?
Jul 28, 2023 at 8:59 PM






