Oil pressure switch wiring diagram needed?

1989 CHEVROLET BLAZER
254,000 MILES • 4.3L • V6 • 2WD • AUTOMATIC
Avatar
ORRIN K. OSBORNE
  • MEMBER
  • 1 POST
ECM deleted. I ran a new wiring harness (headlights to taillights) I'm stuck on the oil pressure switch though, everything else is on and fine. What wires go where as far as power, ground, and the signal to my digital cluster?
Orange
Gray
Tan

PS: I traced and used the old factory wiring and ran the grounds and power to make this work.
TBI to 4-barrel carburetor (no intake swap).
Dec 8, 2022 at 11:14 AM
Advertisement
Avatar
JACOBANDNICKOLAS
  • CERTIFIED EXPERT
  • 110,175 POSTS
Hi,

I'm not sure if you are going to be mad at me or glad, I found what I did. LOL Because of the model year, the schematics I have are all OEM and difficult to follow.

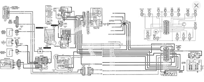
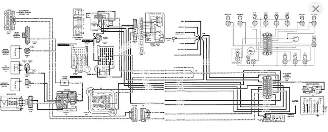
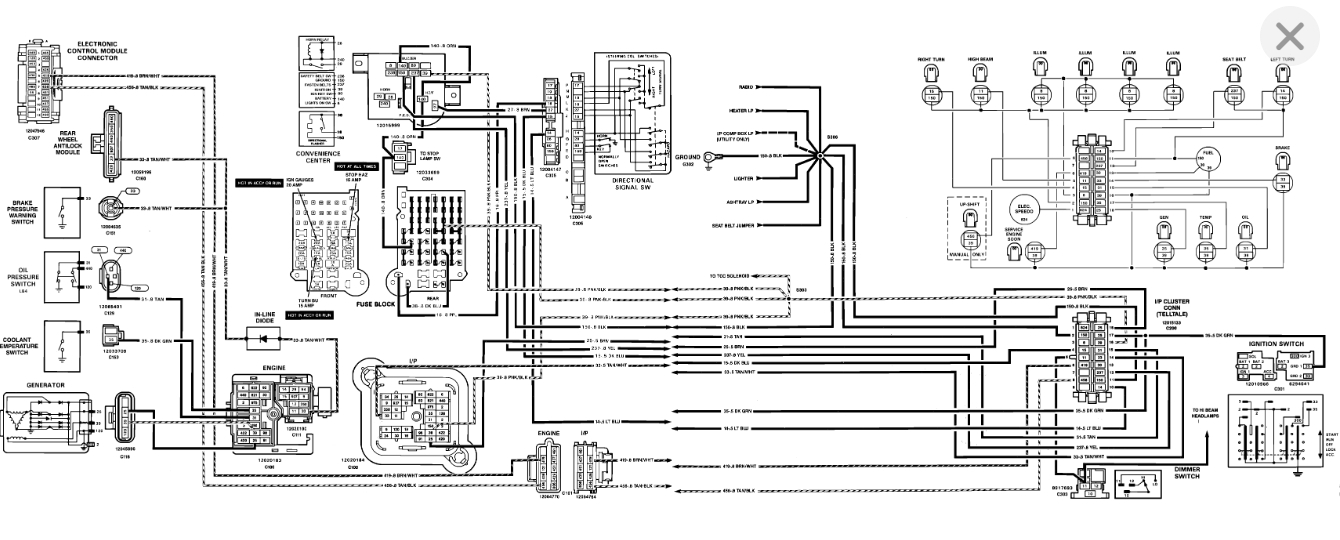
I attached the schematic below for the oil pressure switch circuit.

Let me know if this helps or if you have questions.,

Take care,

joe

See pic below.
Dec 8, 2022 at 8:54 PM