White smoke and engine shuts off when stopped

2005 CHEVROLET SUBURBAN
268,000 MILES • 5.3L • V6 • 4WD • AUTOMATIC
Avatar
APRIL TAYLOR SEIF
  • MEMBER
  • 23 POSTS
Runs but when stopped it shuts off. White smoke comes out of tail pipe.
Jun 7, 2020 at 9:18 PM
Advertisement
Avatar
DANNY L
  • CERTIFIED EXPERT
  • 5,648 POSTS
Hello, I'm Danny.

White smoke usually denotes a head gasket issue.This means the head gasket has failed and now engine coolant is being burned during the engines combustion process.It's a fixable repair but is costly. I've also noticed your truck has 268,000 miles so a $2,000.00 repair on an engine with that high of a mileage must be taken into consideration. Here is a tutorial for you to view:

https://www.2carpros.com/articles/white-smoke-or-steam-coming-from-the-exhaust-pipe

Let me know if you have any further questions on this issue.Hope this helps and thanks for using 2CarPros.
Jun 7, 2020 at 10:03 PM
Avatar
APRIL TAYLOR SEIF
  • MEMBER
  • 23 POSTS
Planned on doing it myself.
Jun 7, 2020 at 10:06 PM
Advertisement
Avatar
DANNY L
  • CERTIFIED EXPERT
  • 5,648 POSTS
Hello again.

Would you like for me to provide step by step picture instructions for you? Thanks again for using 2CarPros.

Danny-
Jun 7, 2020 at 10:11 PM
Avatar
APRIL TAYLOR SEIF
  • MEMBER
  • 23 POSTS
Yes please.
Jun 7, 2020 at 10:20 PM
Avatar
DANNY L
  • CERTIFIED EXPERT
  • 5,648 POSTS
Hello again.

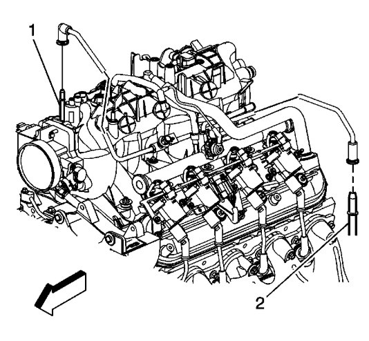
Here is part 1. I've attached picture steps below for removal and install of the intake manifold below.Here is a tutorial showing how to replace intake manifold gaskets:

https://www.2carpros.com/articles/replace-intake-manifold-gasket

Hope this helps and thanks again for using 2CarPros.

Danny-
Jun 7, 2020 at 11:35 PM
Avatar
DANNY L
  • CERTIFIED EXPERT
  • 5,648 POSTS
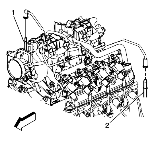
Hello again.

Here is part 2 left side. I've attached picture step instructions again below for the cylinder head removal and replacement for the head gaskets.Hope this all helps.
Jun 8, 2020 at 12:00 AM
Avatar
DANNY L
  • CERTIFIED EXPERT
  • 5,648 POSTS
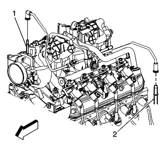
Hello again.

Here is the final part 3 right side. I've attached picture step instructions again below for the cylinder head removal and replacement for the head gaskets.Let me know if you have any further questions about all of this.Hope this all helps.

Danny-
Jun 8, 2020 at 12:14 AM
Avatar
APRIL TAYLOR SEIF
  • MEMBER
  • 23 POSTS
Do I have to change 4 head gaskets on this?
Jun 9, 2020 at 7:54 AM
Avatar
DANNY L
  • CERTIFIED EXPERT
  • 5,648 POSTS
Hello again.

No, each cylinder head has only one gasket. The intake manifold has one gasket per side as well.Let me know if you have any further questions about this considering this is a very big job.Hope this helps and thanks again for using 2CarPros.

Danny-
Jun 10, 2020 at 6:35 AM