Hi and thanks for using 2CarPros.
Often times, that type of sound is the result of a bad bearing. There are several things under the hood that have bearings in them. Specifically, the belt driven accessories all have them.
What I suggest is to remove the serpentine belt and then by hand, spin each of the accessories it turns. For example, spin the alternator, power steering pump, belt tensioner itself. Basically everything that is belt driven. Listen to see if one sounds rough or if one of them have excessive play.
The drive belt tension is maintained by an automatic tensioner which is non serviceable, basically needs replaced. If it has failed, the belt will be loose and can cause squealing or other strange noises.
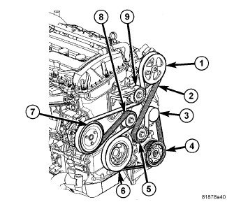
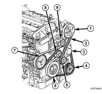
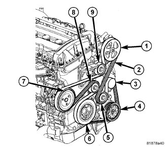
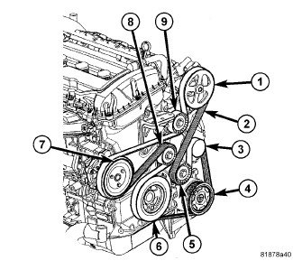
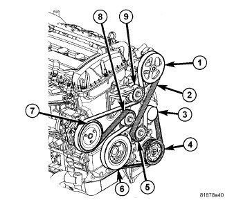
If you find the belt is loose or the tensioner is making noise, here are the directions for replacing it. The second pic is of the tensioner to help you locate it.
______________________________________
1. Raise vehicle on hoist.
2. Remove belt splash shield.
3. Remove accessory drive belt See: Drive Belt > Removal and Replacement > Serpentine
Accessory Drive Belt - Removal.
4. Remove accessory drive belt tensioner mounting bolt. Remove accessory drive belt tensioner (8).
1. Using a wrench, rotate accessory drive belt tensioner (8) counterclockwise until accessory drive belt (2) can be removed from pulleys (5 and 9).
2. Remove accessory drive belt (2).
See picture 3
I attached a picture of the belt and the components. Do this and let me know what you find.
Take care,
Joe
Images (Click to enlarge)
Dec 25, 2018 at 10:52 PM