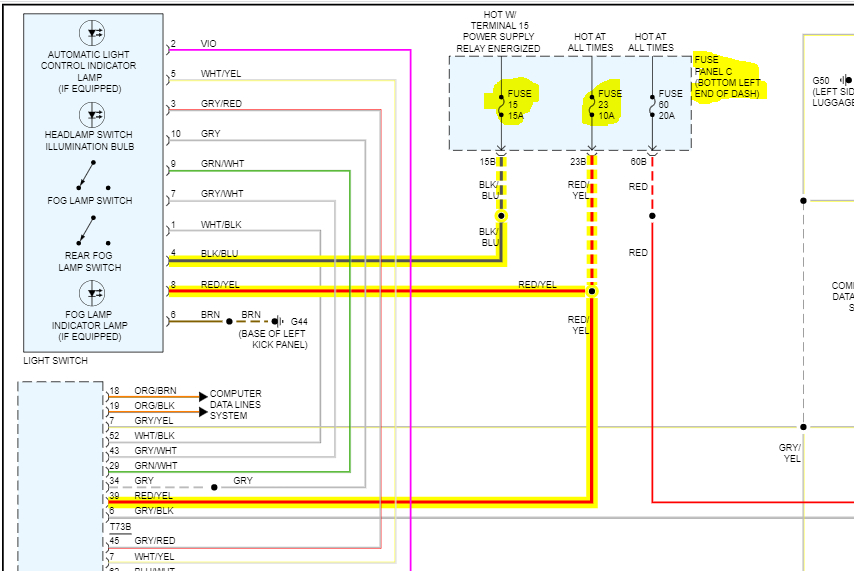
I have an image of my internal fuse box, but I’ve looked at every list possible and no lists show me which fuse is responsible for turn signals and brake lights specifically!! Please help.
Oct 8, 2022 at 10:14 PM


