Where is the flasher relay located on my car?

2006 BUICK LUCERNE
200,000 MILES • 3.8L • V6 • 2WD • AUTOMATIC
Avatar
GHOSTIE2477
  • MEMBER
  • 2 POSTS
Car listed above is the CXL model. Can't find flasher relay.
Oct 27, 2020 at 2:07 AM
Advertisement
Avatar
ASEMASTER6371
  • CERTIFIED EXPERT
  • 52,796 POSTS
Good morning,

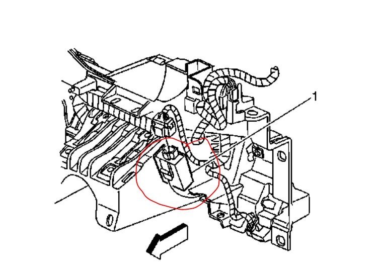
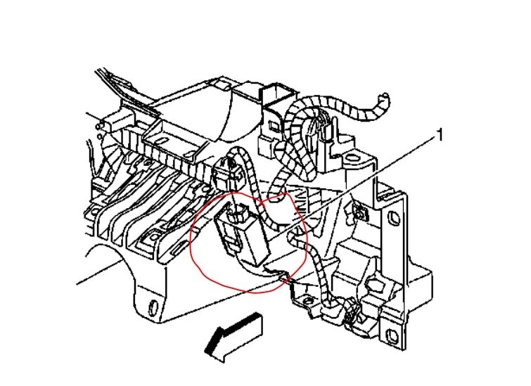
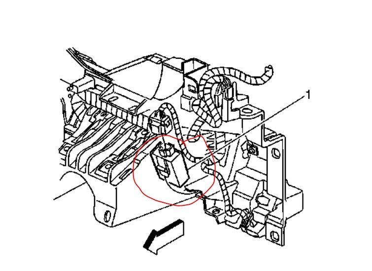
At the end of the instrument panel, there is a closeout panel you can open. Open the panel and relay is there.

I attached a picture for you of the location.

Roy

HAZARD AND TURN SIGNAL FLASHER REPLACEMENT

REMOVAL PROCEDURE
1. Remove the left closeout/insulator panel.


imageOpen In New TabZoom/Print

2. Remove the turn/hazard flasher module (1).
3. Disconnect the electrical connector.
Oct 27, 2020 at 2:27 AM