Where is the turn signal relay located at?

2006 NISSAN PATHFINDER
166,660 MILES • 4.0L • V6 • 2WD • AUTOMATIC
Avatar
ONPUBLICTY
  • MEMBER
  • 1 POST
I don't know where the turn signal relay is located at.
Nov 27, 2024 at 4:35 PM
Advertisement
Avatar
JACOBANDNICKOLAS
  • CERTIFIED EXPERT
  • 110,175 POSTS
Hi,

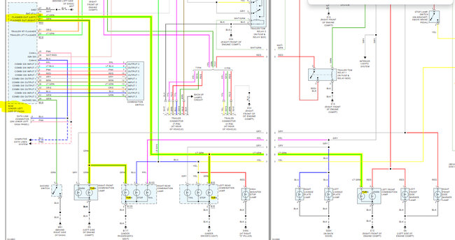
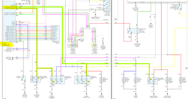
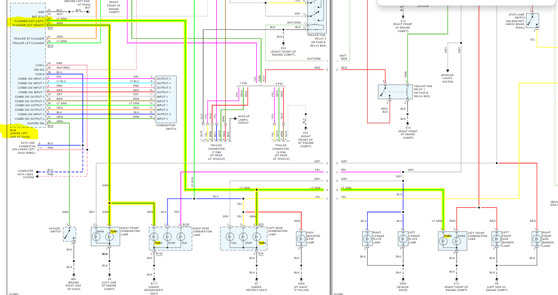
Looking at the schematic, this vehicle has signal relays for trailer towing. However, the vehicle signals are controlled by the body control module.

I attached a picture below showing what I mean. Let me know if that helps answer your question. Also, let me know what is happening.

Take care and Happy Thanksgiving.

Joe

See pic below.
Nov 27, 2024 at 9:38 PM