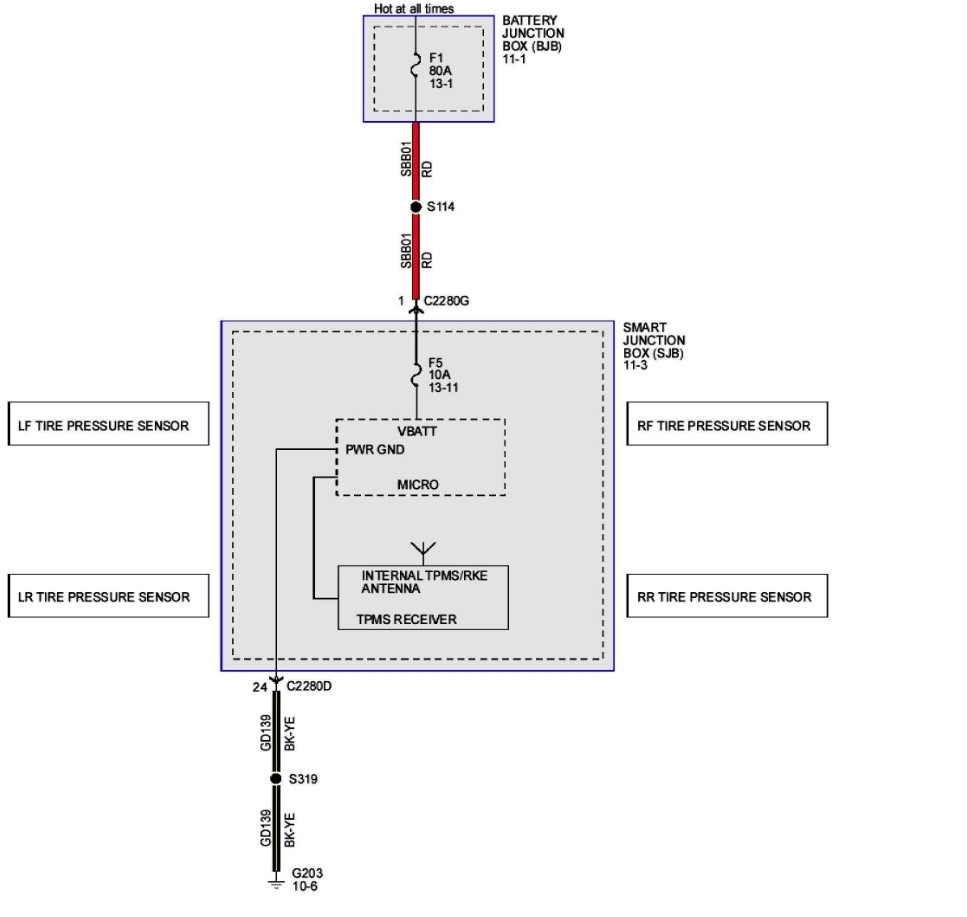
Where is the TPMS receiver module located?

2011 FORD MUSTANG
145,000 MILES • 3.7L • V6 • 2WD • AUTOMATIC
Avatar
CRDTLD
  • MEMBER
  • 4 POSTS
Right rear tire pressure sensor will not learn.
All new were installed and RR was changed again but still will not learn.
Apr 21, 2025 at 1:32 PM
Advertisement
Avatar
CRDTLD
  • MEMBER
  • 4 POSTS
Are there any wires or does the sensor directly “talk” to the module?
Apr 21, 2025 at 1:37 PM
Avatar
STEVE W.
  • CERTIFIED EXPERT
  • 15,113 POSTS
The sensors work on the same frequency as the remote key fob and the exterior combination pads. It is part of the smart junction box (fuse box). You say it's only the right rear that won't come up? Are they OE sensors? Have you tried re-learning them all in order again? I think you either have a bad sensor or something is blocking it because the way the system works it won't let you go past a sensor it cannot read a signal from. The other trick is to do the re-learn with the doors open. That can help with the signal.
Apr 21, 2025 at 2:17 PM
Advertisement
Avatar
CRDTLD
  • MEMBER
  • 4 POSTS
Thanks so much for the response. I know more now than I did going online for hours trying to locate receiver/module.
They are not OEM.
Got new tires at Sam’s and they replaced all 4 with Dill 5002.
They were able to get 3 to learn.
They worked for an hour and could not get RR to learn.
I did a relearn without tool and was able to get LF and RF to learn but then RR failed.
I am going to switch the RR with RF and see what happens.
Apr 21, 2025 at 4:27 PM
Avatar
STEVE W.
  • CERTIFIED EXPERT
  • 15,113 POSTS
Be sure to follow the pattern in the 2nd image. The Dill 5002 is the correct 315 mhz part. You don't have a 5001 in there? That would be the wrong frequency.
Apr 21, 2025 at 6:16 PM
Avatar
CRDTLD
  • MEMBER
  • 4 POSTS
Switched tires RF and RR and followed the sequence you sent
LF relearned then RF failed. So, it failed in both locations.
So obviously there has to be an issue with sensors. Correct?
Originally Sam’s installed and it failed at installation so they replaced with another new sensor and never could get that one to learn.
They gave me the empty box Dill 5002 315mhz.
Can you think of anything other than sensor being defective? Hard to believe 2 would be defective.
I could break the bead and look at what sensor is actually in place.
If I order a new sensor does it have to be Dill or will another manufacturer work?
Apr 22, 2025 at 12:26 PM
Avatar
STEVE W.
  • CERTIFIED EXPERT
  • 15,113 POSTS
2 failed in a row is possible, but I'm going to say you have the wrong part number installed. They look identical other than the 1 or 2 on the end of the part number, someone might have just grabbed one without looking at the actual part. You can use whatever brand you like as long as you can initialize it to match the vehicle.
Apr 22, 2025 at 12:44 PM