☰
Login
Join
×
Home
Answered Questions
Repair Topics
Repair & Service Guides
Popular Questions
Warning Lights
Trouble Codes
How It Works
Testing / Diagnostics
Symptoms
Videos
Login
Become a Member
Home
Hyundai
Tiburon
Engine
Starter
Replace/Remove
Where is the starter located?
2003 HYUNDAI TIBURON
150,000 MILES • 2.0L • 4 CYL • 2WD • MANUAL
KENNET13
MEMBER
2 POSTS
FOLLOW
Intermittent no start. changed clutch safety switch. need to test starter and cables?
Dec 10, 2023 at 9:22 PM
Advertisement
STRAILER
CERTIFIED EXPERT
53,854 POSTS
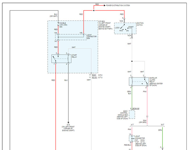
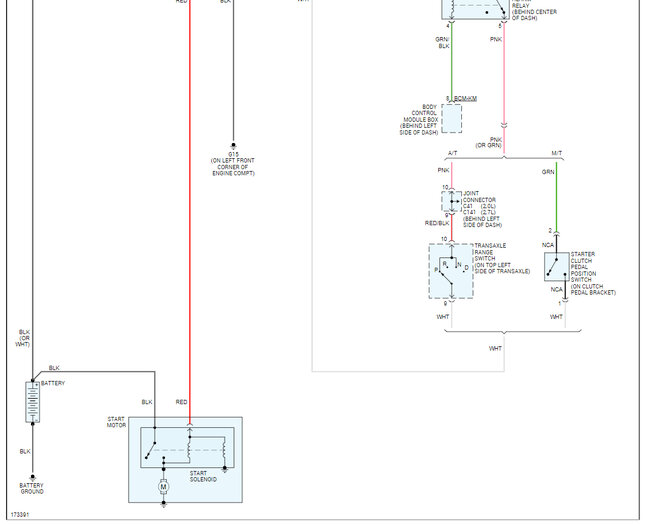
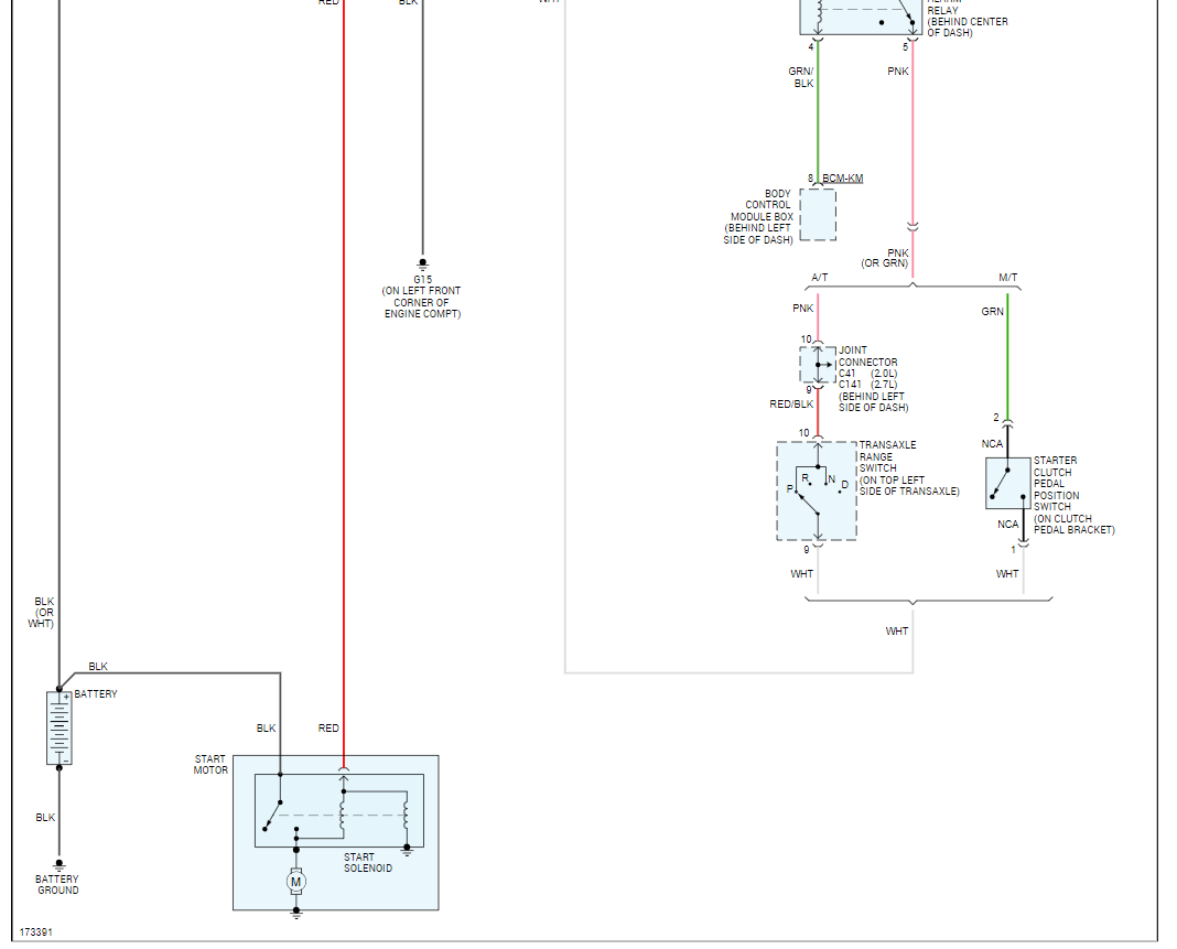
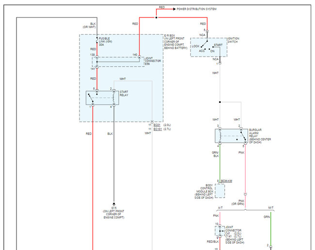
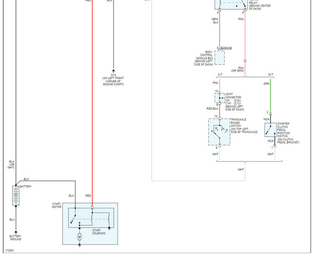
Good call, here is the location of the starter motor and the starter wiring diagrams so you can see how the system works which can help.
Here is a guide that can help as well:
https://www.2carpros.com/articles/starter-not-working-repair
Check out the images (below). Let us know how it goes.
Images (Click to enlarge)
Dec 11, 2023 at 12:52 PM