Hi,
There is only one crankshaft position sensor. By chance, did you mean the camshaft position sensor?
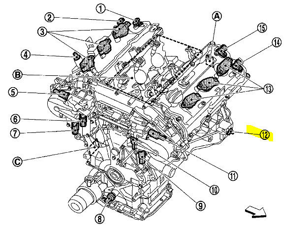
As far as the crankshaft position sensor, I attached a picture below showing the location. Let me know if that is what you needed or if you have other questions.
Note: The code you listed is for the crankshaft position sensor. I just want to make sure I'm giving you the correct info. When you say sensor A, that sounds like a reference to a camshaft position sensor.
Let me know.
joe
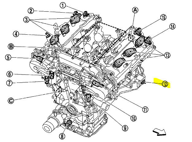
See pic below.
Jul 6, 2023 at 11:15 PM