I recently got the engine light come off in my car listed above. As usual, I ran the report to see what was wrong and it gave me two codes. P0700 and P07BF.
I took care of the first one which was replacing all 4 engine mounts.
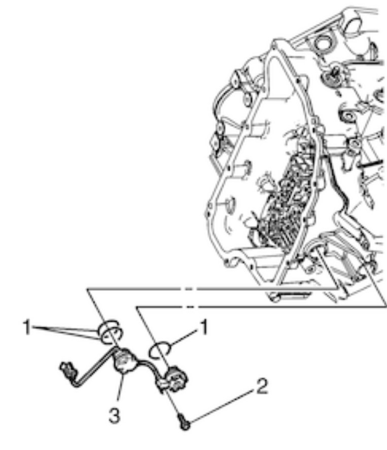
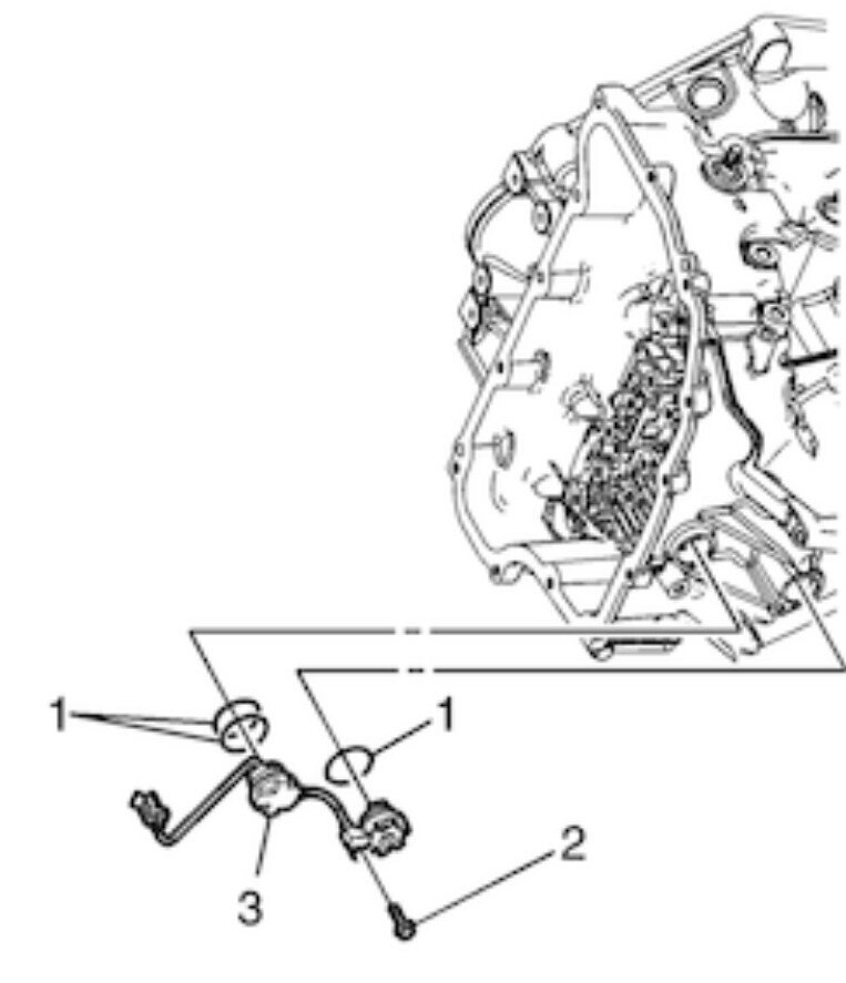
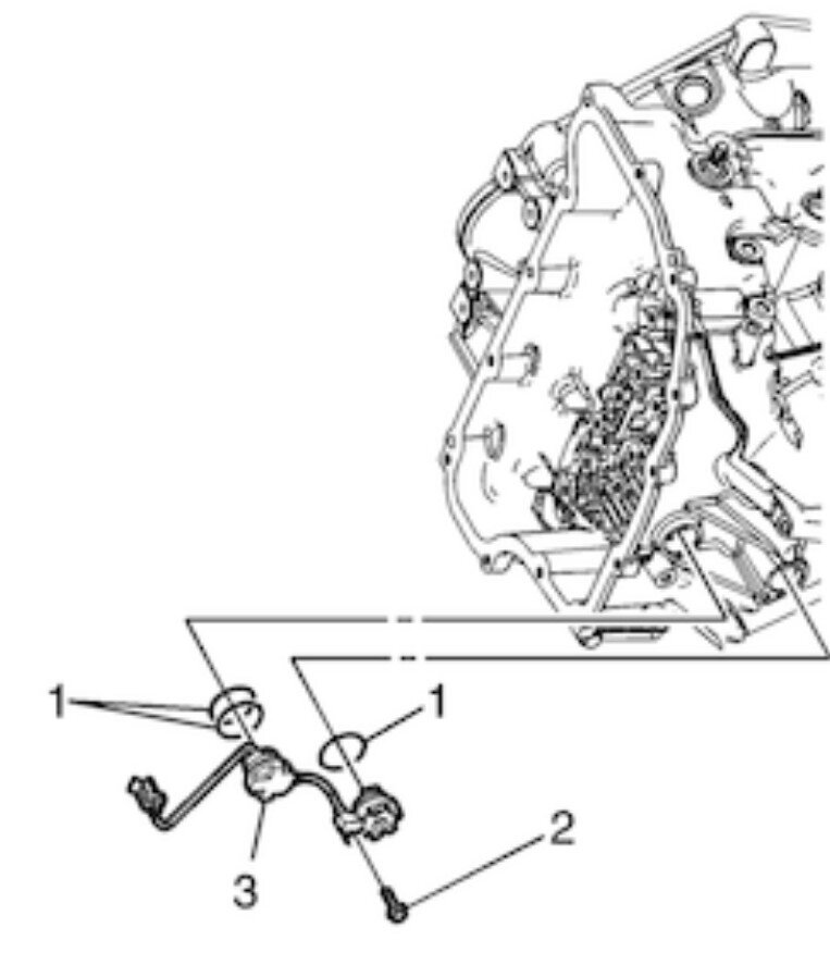
I have yet to replace the input speed sensor. I don't know exactly where it is. I've checked online and some say is on the driver's side and some say is on the passenger side. Any help will be appreciated.
I'm also thinking of flushing the old trans fluid and changing the filter and see If that fixes my issues.
I took care of the first one which was replacing all 4 engine mounts.
I have yet to replace the input speed sensor. I don't know exactly where it is. I've checked online and some say is on the driver's side and some say is on the passenger side. Any help will be appreciated.
I'm also thinking of flushing the old trans fluid and changing the filter and see If that fixes my issues.
Jun 29, 2024 at 5:40 AM


