Good morning.
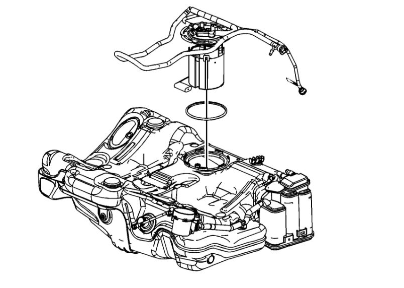
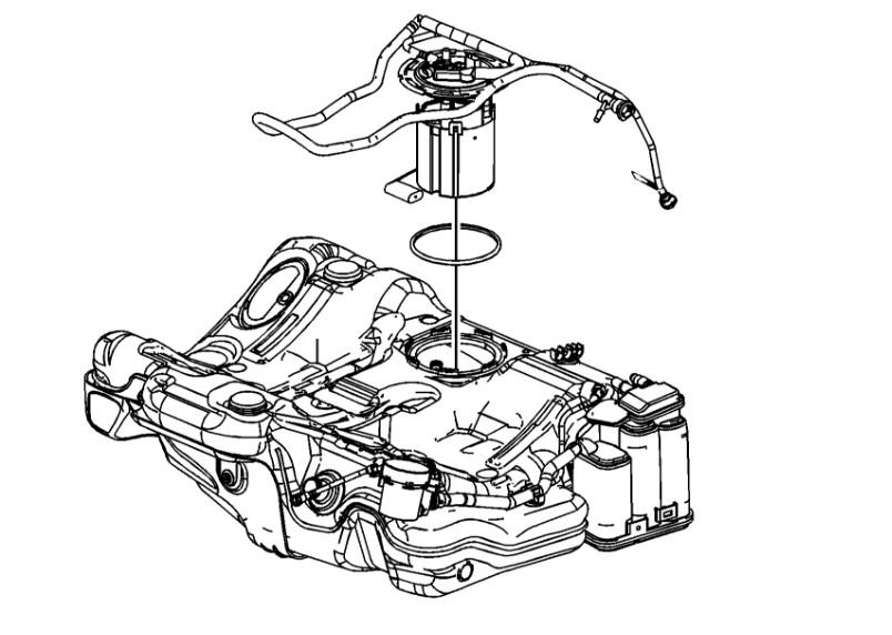
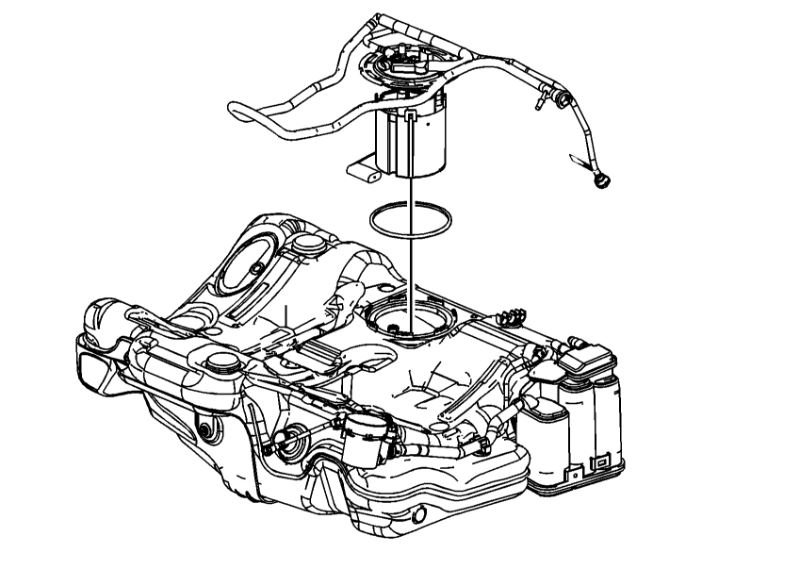
It is inside the fuel tank. The fuel tank must be dropped out to gain access the pump.
Roy
1. Relieve the fuel system pressure. Refer to Fuel Pressure Relief. See: Fuel Pressure Release > Procedures > Fuel Pressure Relief
2. Drain the fuel tank. Refer to Fuel Tank Draining.
3. Raise and support the vehicle. Refer to Vehicle Lifting.
4. Remove the body wiring harness electrical connector clip (1) from the underbody.
5. Disconnect the body wiring harness electrical connector (2) from the fuel tank fuel pump module wiring harness electrical connector.
imageZoom/Print
6. Remove the rear antilock brake system (ABS) wiring harness electrical connector (2) clip from the EVAP canister.
7. Disconnect the body wiring harness electrical connector (1) from the rear ABS wiring harness electrical connector (2).
8. Remove the rear ABS wiring harness clip from the EVAP canister.
imageZoom/Print
9. Disconnect the fuel tank fuel feed pipe quick connect fitting (1) from the chassis fuel feed pipe (3).
10. Disconnect the fuel tank EVAP pipe quick connect fitting (2) from the chassis EVAP pipe (4).
11. Cap the chassis fuel and EVAP pipes in order to prevent possible fuel and/or EVAP system contamination.
imageZoom/Print
12. Loosen the fuel fill pipe hose clamp (3) at the fuel tank.
13. Separate the fuel fill pipe hose from the fuel tank.
14. Disconnect the fuel tank EVAP emission canister vent pipe quick connect fitting (2) from the fuel tank fill EVAP emission pipe.
imageZoom/Print
15. Place a jackstand under the muffler assembly.
16. With the aid of an assistant, separate the muffler insulators (1) from the underbody hangers.
17. Slowly lower the muffler assembly allowing it to rest on the jackstand. If this is not possible, remove the muffler assembly. Refer to Muffler Replacement (Sedan LS, LT, Maxx LT) Muffler Replacement (Sedan LTZ, Maxx LTZ) Muffler Replacement (Sedan SS, Maxx SS).
imageZoom/Print
18. Have assistants support either side of the fuel tank.
19. Remove fuel tank strap bolts and straps.
20. Place a suitable adjustable jack under the fuel tank, and have the assistants rest the fuel tank on the adjustable jack.
21. If applicable, in order to clear the muffler assembly, slowly lower the right side of the fuel tank.
22. Once the tank is clear of the right frame rail, lower the fuel tank down and remove forward toward the right side of the vehicle.
23. If replacing the fuel tank, proceed to the disassembly procedure, if not proceed to the Installation Procedure.
Images (Click to enlarge)
Aug 13, 2018 at 8:44 AM