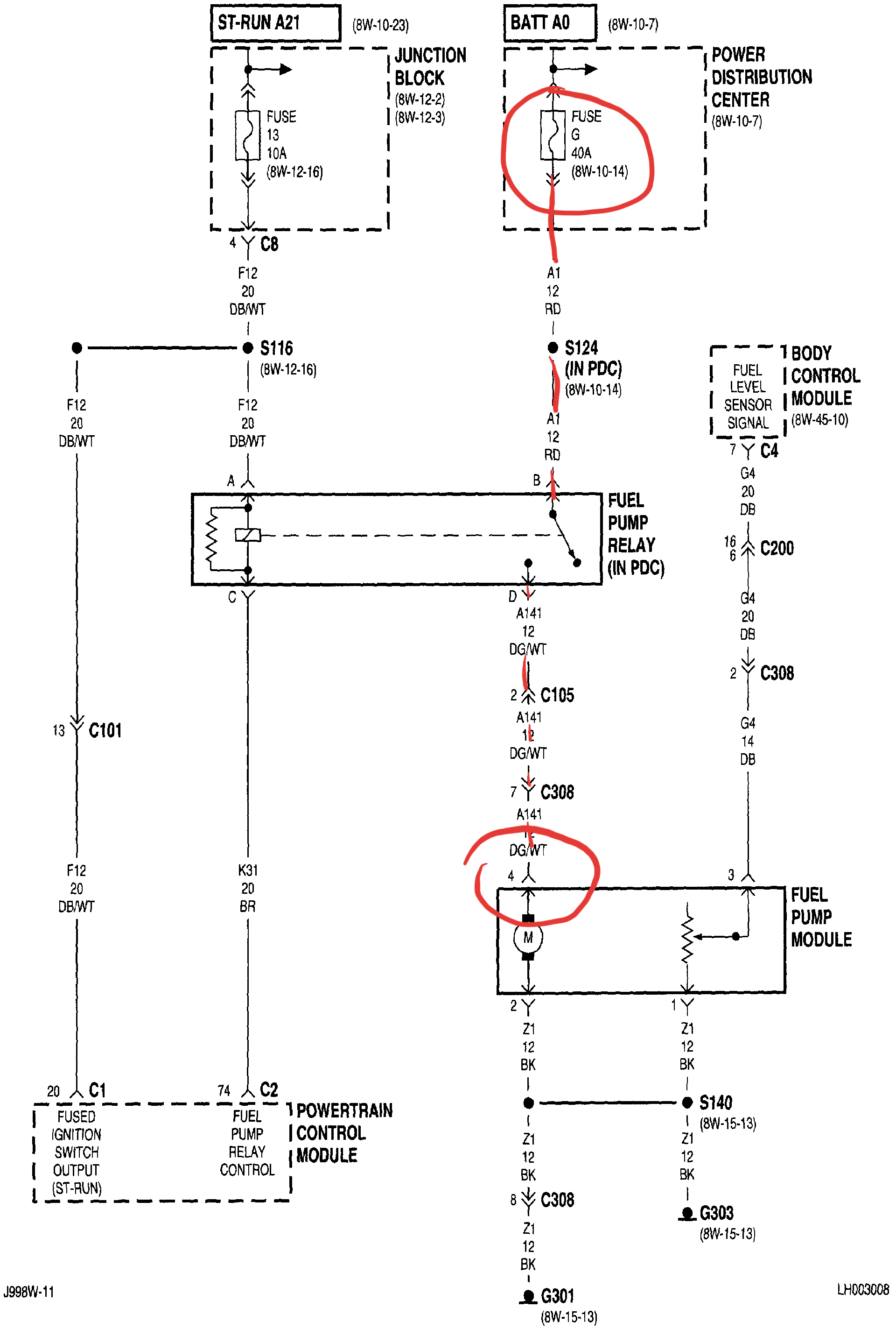
Car cranks but does not run. everything sounds like it's working; the alternator, starter and the fuel pump. I don't know why It does not start. Where is the fuel filter and will it cause a car not to run?
Jan 4, 2020 at 11:52 PM

