Where is the flasher module located?

2009 CHEVROLET EXPRESS
30,000 MILES • 4.8L • V8 • 2WD
Avatar
MARK GRAYSON SNYDER
  • MEMBER
  • 1 POST
I’m having trouble finding anything online for this makes year as to the location of the flasher module. Please help
May 11, 2023 at 8:02 AM
Advertisement
Avatar
STRAILER
  • CERTIFIED EXPERT
  • 53,854 POSTS
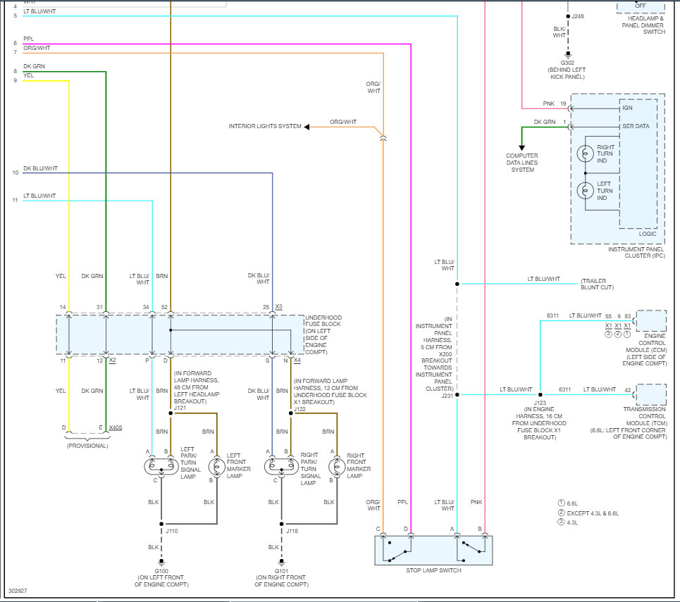
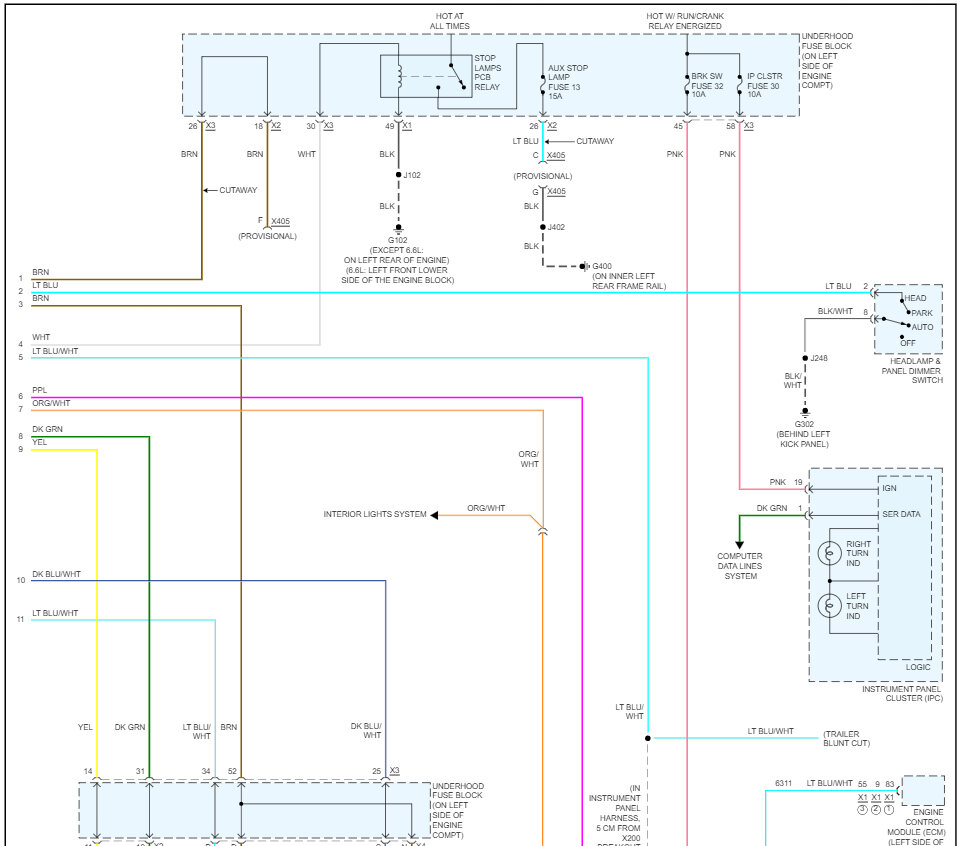
There is no flasher on this vehicle is the blinking operation is handled by the BCM. What kind of problem are you having? Here is a guide that can help, and I have included the blinker wiring diagrams so you can see how the system works. I would start by checking the blinker system fuses which you can see in the wiring diagrams.

https://www.2carpros.com/articles/turn-signals-not-working-blinker

and

https://www.2carpros.com/articles/how-to-check-a-car-fuse

Check out the images (below). Let us know what happens and please upload pictures or videos of the problem so we can see what's going on.
May 11, 2023 at 11:47 AM