ECU unit location

1994 TOYOTA COROLLA
174,000 MILES
Avatar
NATASHASIMPSON6
  • MEMBER
  • 1 POST
I am trying to program my new electronic opener and i am not sure where the ECU unit is located on my car.
Feb 7, 2018 at 5:10 PM
Advertisement
Avatar
ASEMASTER6371
  • CERTIFIED EXPERT
  • 52,796 POSTS
Good morning.

The ECU is located behind the center of the dash. I attached a picture for you to view.

Roy
Feb 8, 2018 at 1:47 AM
Avatar
NESAN
  • MEMBER
  • 25 POSTS
Hello, when going for a transmission upgrade on a corollla 94 with 1.6 L we have to change the ECM. When getting the ECM if it is made for 7A-FE(1.8L) engine how can it work properly with 1.6 L. Is it safe when changing the ECM. How to get a good ECM.
Aug 9, 2020 at 12:09 PM (Merged)
Advertisement
Avatar
MMPRINCE4000
  • CERTIFIED EXPERT
  • 8,548 POSTS
Start by calling the local salvage yard and ask about interchangeability with the 1.6 and 1.8 transmissions.

They are a very good resource for that type of info.

You can also get an ECM from them. These ECM's are from running cars that have been totaled. They can aslo give you ECM interchangeability info.
Aug 9, 2020 at 12:09 PM (Merged)
Avatar
GEET
  • MEMBER
  • 34 POSTS
Engine Performance problem
1992 Toyota Corolla 4 cyl Front Wheel Drive Manual

my car was an automatic but was reconditioned in japan into a manual 4 speed. is this the reason for its high idle. checked and found no vacuum leak.
must i change the Electronic control Unit for it to work for the manual type and make it consume less fuel than other similar cars which are 1500cc and mine is 1331cc.
Aug 9, 2020 at 12:10 PM (Merged)
Avatar
PITCREW94
  • MEMBER
  • 18 POSTS
Changing to a Japanese motor will not make the car idle high. It's just a weaker motor that's all.. It might be an Idle air control or there's air in the system..
Aug 9, 2020 at 12:10 PM (Merged)
Avatar
TOBIACK
  • MEMBER
  • 6 POSTS
Background: I followed the Haynes manual directions to check a bad regulator, and shorted the F terminal on the regulator. Car shut off immediately EFI fuse blown. I found the wires from the alternator to the battery and engine fuse box were really bad and fixed them. I traced the EFI circuit short to the computer (ECU). Only the power in and ground terminals connected to the ECU and it blows the fuse. I took out the ECU and found a burned out track inside.
Is it likely that some component (O2 sensor, igniter, coil, air flow meter, etc. etc) that is connected to the ECU shorted and burnt out the ECU? How can I or should I test the sensor components to see if they have shorts in them before I put in a new ECU and burn it out? Can I hook up the wires to the ECU (power and ground first) one at a time and see if a wire/component burns it out? is there a better way--checking resistance on each component?
Aug 9, 2020 at 12:11 PM (Merged)
Avatar
RASMATAZ
  • CERTIFIED EXPERT
  • 75,992 POSTS
Disconnect the all the wiring connectors on the computer and see if the EFI fuse will blow with out it.
Aug 9, 2020 at 12:11 PM (Merged)
Avatar
DRCRANKNWRENCH
  • CERTIFIED EXPERT
  • 3,380 POSTS
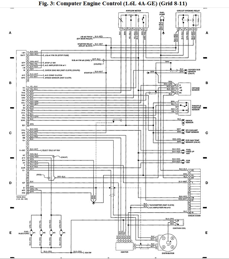
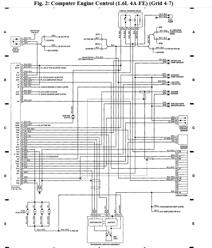
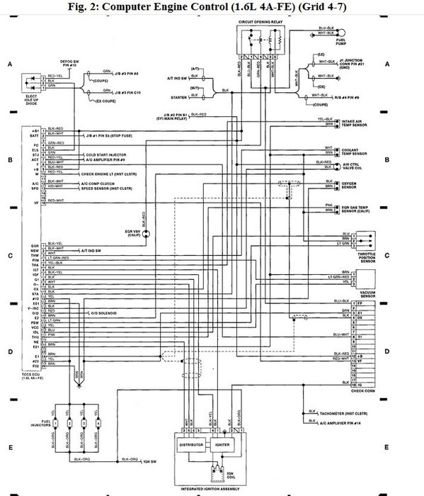
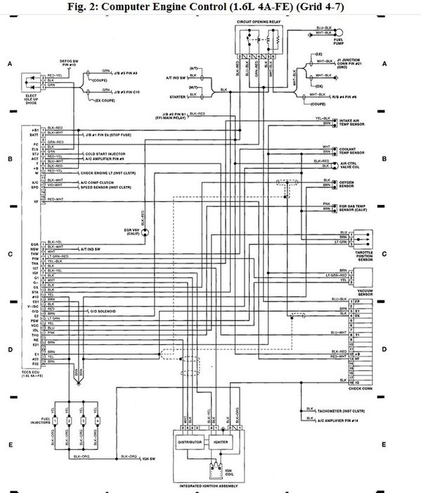
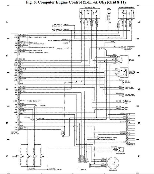
I have given you the closest thing to a pin-out diagram that we have. It is the engine control or TCCS, which is driven by the ECU. It does however have most of the sensors ruining through it and it only has some ECU inputs as I am assuming, I do not have true ECU diagram, going by what I have that the ECU is broken into several PCM like the TCCS. This is different from Honda's, that is what I am used to, which have a central ECU that handles all controls for the whole car. The service manual that we have does not have all the information that a factory service manual would have depending on the manufacturer as some do not release all information. That is why factory service manuals are several hundred dollars. What I gave you is a little hard to follow as you have to count the terminal number and then keep tract of the circuit by the color of the wire. You can follow each connector to its sensor.
However, testing an ECU or PCM is tough without a specific pin-out map and what type of test to run between which pins is not advisable. It gets so complicated that I do have the output signal descriptions that you could use to test the ECU, but it would take fifty to seventy five screenshots to give it to you and we do not have the gate size to accommodate that. For example the O2 sensor uses both the intake air volume temperature and the coolant temperature into account before it sends a voltage signal or not. So, you would need the proper pins and the input for the two sets of pins for the Intake volume temperature and the coolant temperature. Some circuits use potentiometers and I am not sure how you would test that, probably using a min and max input value and testing the output. So, it gets to be too tough. The best you could do is to test for continuity or resistance to see if circuit is shorted or not. Then since you have the issue with the ECU, it will have to be rebuilt anyway. If you use this site's search engine, you will find that it brings up banner ads for repair facilities that rebuild ECU's. They are generally set up to be ones that are located nearest you. So, I would call them and ask if it is worth the time to test as given the results, you are going to have to fix the circuit board one way or the other. If you are equipped to do that, you may save some money by buying the schematics for the ECU and building the circuit yourself. You can find people on eBay or search the internet to find schematics for sale. Your car is old enough that the rights may be released. You could go to an Advance Auto or Auto Zone where they carry Haynes manuals and see if they have an ECU test that is going to be helpful. Even what I have does not give values to work with. You would be stuck with working with voltage and resistance.
I am still attaching the TCCS, which is not the ECU as far as I can tell, but it may very well be as it seems to have all the controls that an ECU would have. Just goes by a different name and since I don't have a pin-out chart, I assume it is an ECU whether it is the one you are looking for or not as I cannot find anything on a higher level than the TCCS.
Aug 9, 2020 at 12:11 PM (Merged)
Avatar
TOBIACK
  • MEMBER
  • 6 POSTS
Rasmataz, the fuse does not blow with the computer disconnected, but I have been systematically disconnecting tons of stuff in the engine compartment and leaving them disconnected. Since many sensors get power before the ECU (on my wiring diagram), if they were cooked they would blow the fuse with no ECU, right? So I will plug things in one at a time and see if it blows, right?
Thanks
Aug 9, 2020 at 12:11 PM (Merged)
Avatar
TOBIACK
  • MEMBER
  • 6 POSTS
DrCranknWrench, I will plug in sensors (until the fuse blows) as described in my response to Rasmataz. If I then check each pin at the computer fro resistance (ohms) and voltage (DC twelve volts) will that be safe? Since many sensors are on the positive side, will I need to check between each pin and ground, and each pin and positive? Is checking for continuity with a multi-meter a bad idea because I could short out something by supplying voltage when it is not supposed to get it?
thanks
Aug 9, 2020 at 12:11 PM (Merged)
Avatar
DRCRANKNWRENCH
  • CERTIFIED EXPERT
  • 3,380 POSTS
First, rasmataz is an Expert Tech that has been at this so long that information from him is priceless. You can see how eager we are to help.
Follow his advice as it is excellent advice in any case.
As far as testing the ECU, sticking with continuity test is safer and since you do not have a full pin-out, well you sort of do, and a test set of instructions, it is advisable to stick with a resistance type test. Looking at the signal you would expect to see from the ECU dependent upon what the signal is for, infinite resistance or no continuity for an open circuit in a no voltage state or no resistance and continuity in a closed circuit no voltage state. This will at least give you an idea if there is a short or closed circuit in a circuit where it should not have continuity or be open.
Aug 9, 2020 at 12:11 PM (Merged)
Avatar
RASMATAZ
  • CERTIFIED EXPERT
  • 75,992 POSTS
Does the EFI fuse blows when computer is connected when the ignition switch is turned on or it blows while connected without turning the key?

You are going to blow the EFI fuses a couple times or maybe more to get to this culprit or make a jumper using a reverse lite socket and go across in place of the EFI fuse then start disconnecting sensors the one that turns off the light will be the trouble circuit

I want you to find the circuit opening relay-remove it, now remove EFI fuse and then connect all the wiring connectors on the comp then put the fuse back on-did the fuse blow? Let me know

I have been here before with Toyota Previa same fuse blowing and it is a tough one to deal with-it turns out to be the airflow meter.

A wiring problem could either be shorted, grounded, open and crossed.
Aug 9, 2020 at 12:11 PM (Merged)
Avatar
TOBIACK
  • MEMBER
  • 6 POSTS
rasmataz,
{{V`Does the EFI fuse blows when computer is connected when the ignition switch is turn on or it blows while connected without turning the key-}} Only with key on.

{{You are going to blow the EFI fuses a couple times or maybe more to get to this culprit or make a jumper using a reverse lite socket and go across in place of the EFI fuse then start disconnecting sensors the one that turns off the lite will be the trouble circuit}} Is this only if the fuse blows with key OFF? computer connected or disconnected?

I want you to find the circuit opening relay-remove it, now remove EFI fuse and then connect all the wiring connectors on the comp then put the fuse back on-did the fuse blow? Let me know}}
If the circuit opening relay is the EFI relay right next to the EFI fuse, (gets power from the ign circuit as well to actuate the relay) then: 1) the EFI fuse does not blow with the EFI relay removed, or with the ign 10A fuse removed.

It has been raining and I have not plugged in all the sensors in the engine compartment to see if the fuse blows with no computer yet.
Thanks
Aug 9, 2020 at 12:11 PM (Merged)
Avatar
RASMATAZ
  • CERTIFIED EXPERT
  • 75,992 POSTS
The circuit opening relay is under center of dash in console.

Here is a picture of a diagram that will help:

Aug 9, 2020 at 12:11 PM (Merged)
Avatar
TOBIACK
  • MEMBER
  • 6 POSTS
Rasmataz, with everything connected except the computer, the fuse is okay with the key on.
Then, with only the circuit opening relay removed, and the computer B+ and ground connected to the computer, the fuse blows.
(I did not bother connecting the other ±30 wires to the computer, none were crossed)
Does this mean my components are okay? Only the computer is bad?
Aug 9, 2020 at 12:11 PM (Merged)
Avatar
RASMATAZ
  • CERTIFIED EXPERT
  • 75,992 POSTS
Sounds like it is coming from the computer.
Aug 9, 2020 at 12:11 PM (Merged)
Avatar
TOBIACK
  • MEMBER
  • 6 POSTS
Resolved, thank you both for your advice. Replacing the computer did the trick (and fixing the wire from the alternator to the battery).
Happy Thanksgiving!
Aug 9, 2020 at 12:11 PM (Merged)
Avatar
CHEITO69
  • MEMBER
  • 1 POST
Electrical problem
1990 Toyota Corolla 4 cyl Front Wheel Drive Automatic

how can i troubleshoot the ecm
Aug 9, 2020 at 12:12 PM (Merged)
Avatar
MMPRINCE4000
  • CERTIFIED EXPERT
  • 8,548 POSTS
You can short E1 and te1 on diagnostic link, turn ign to on and SES light should flash any error codes.

Beyond that, you will need an OBDI scanner that works on early Toyota ECM's.
Aug 9, 2020 at 12:12 PM (Merged)
Avatar
UMAIRBHAI
  • MEMBER
  • 1 POST
Electrical problem
1985 Toyota Corolla 6 cyl All Wheel Drive Automatic

I want to know every thing about ECM
Aug 9, 2020 at 12:12 PM (Merged)
Avatar
RASMATAZ
  • CERTIFIED EXPERT
  • 75,992 POSTS
The ECM is the heart of the engine management system

The onboard computer, or Powertrain Control Module (PCM),is the brains of the engine control system, so when the brain is not functioning correctly neither is the engine or anything else that the microprocessor controls - which may include the charging system, transmission, various emission controls and communications with other onboard control modules. Once a diagnosis has been made (and we emphasize the word diagnosis), then and only then should the PCM be replaced.
Aug 9, 2020 at 12:12 PM (Merged)