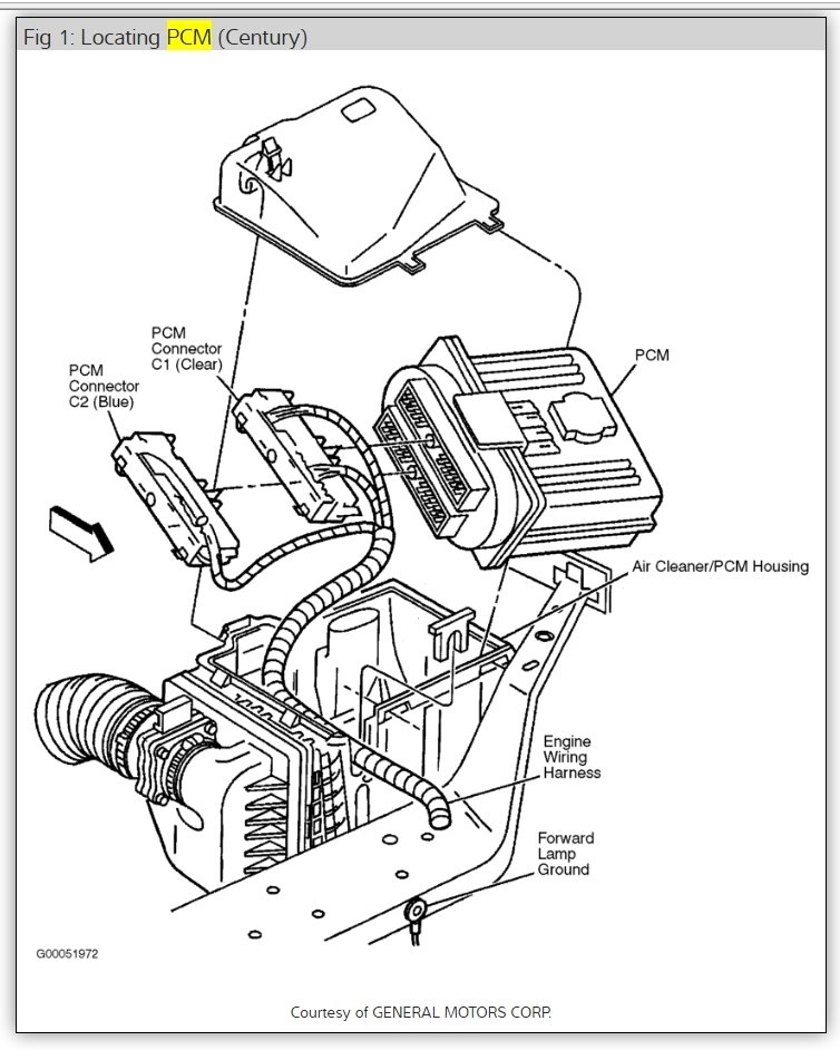
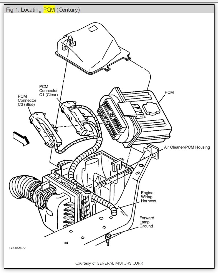
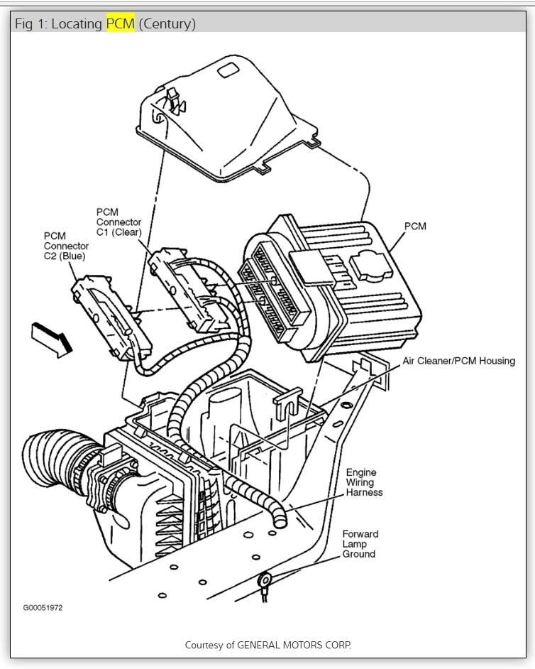
car will run for about 2 minutes stumbles and dies like its running out of fuel when I'm not getting correct data link between the computer and my analyzer are not working I think it needs an ecm where is it?
Nov 3, 2014 at 9:16 AM






