Where is the blower motor and the blower motor resistor?

1992 MAZDA 626
64,000 MILES • AUTOMATIC
Avatar
CPB0205
  • MEMBER
  • 1 POST
Blower only works on 3. I think I need to change the resistor but I don't know where it is.
Apr 2, 2014 at 5:14 PM
Advertisement
Avatar
CJ MEDEVAC
  • CERTIFIED EXPERT
  • 11,004 POSTS
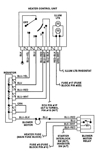
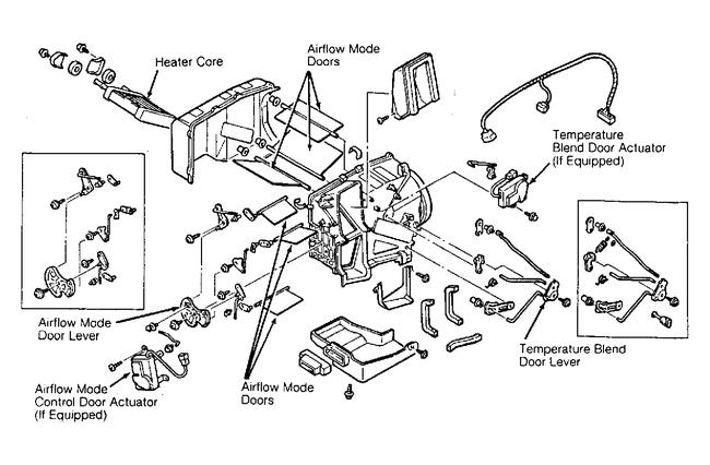
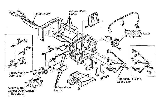
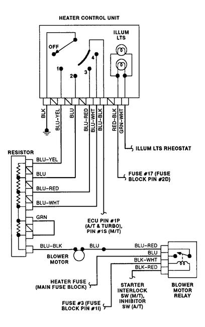
LOOKS LIKE IN THE EXPLODED VIEW, IT'S IN THE DUCT, IN THE MIDDLE BOTTOM

I GRABBED EXTRA STUFF FOR YOU IN "MITCHELL I"...FOR INSTANCE THE WIRE COLORS MAY HELP VERIFY IT TOO

THE MEDIC
Apr 2, 2014 at 5:52 PM
Avatar
HMAC300
  • CERTIFIED EXPERT
  • 48,601 POSTS
Remove undercover and glove box. Disconnect electrical connectors from blower resistor. Remove blower resistor. To install, reverse removal procedure
Apr 3, 2014 at 5:55 AM
Advertisement