Where is the alarm system?

2002 KIA SPORTAGE
203,100 MILES • 2.0L • 4 CYL • 2WD • AUTOMATIC
Avatar
DAWNOFSHAWN
  • MEMBER
  • 6 POSTS
Trying to find alarm system if installed. Bought the car used.
Jun 7, 2022 at 12:01 PM
Advertisement
Avatar
JACOBANDNICKOLAS
  • CERTIFIED EXPERT
  • 110,175 POSTS
Hi,

If the vehicle has one from the factory, the control module is behind the center of the dash. What is happening? Is the vehicle being prevented from starting? Are there any lights on indicating anti-theft?

Interestingly, very few of these came with anti-theft. However, it was an option.

If you feel it is an aftermarket system, that will be difficult for me to help with simply because they are all different and I won't have a schematic specific to it. But I can tell you that often times you will find wires spliced into the ignition switch and at the fuse boxes.

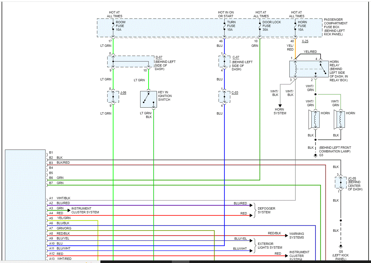
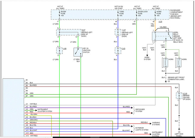
I attached the wiring schematic below for the factor security system. I hope this helps you.

Take care,

Joe

See pics below. Note: I had to cut the pic in half to make it readable for you. But I did overlap the two so you can follow from one to the next.
Jun 7, 2022 at 8:06 PM
Avatar
DAWNOFSHAWN
  • MEMBER
  • 6 POSTS
There isn't any trouble with the car itself. I just want to see if there was one installed in the car and then go from there and see if it had been disabled somehow. I definitely want to make use of all of the car has to offer. Plus, it may indicate that there might have been a key fob involved somehow.
Jun 7, 2022 at 8:29 PM
Advertisement
Avatar
DAWNOFSHAWN
  • MEMBER
  • 6 POSTS
Found the ETWIS. Still not sure if there's an alarm on the car.
Jun 8, 2022 at 2:21 PM
Avatar
JACOBANDNICKOLAS
  • CERTIFIED EXPERT
  • 110,175 POSTS
Hi,

I did some digging and found a way to determine if it has a factory security system. When you put the key in and turn the key to the run position (engine off), a specific light will illuminate until the engine starts.

Take a look below and let me know if you have ever seen that indicator light.

Take care,

Joe

See pics below.
Jun 8, 2022 at 8:44 PM
Avatar
DAWNOFSHAWN
  • MEMBER
  • 6 POSTS
Okay, so maybe it wasn't installed or was removed. Thanks!
Jun 8, 2022 at 9:25 PM
Avatar
JACOBANDNICKOLAS
  • CERTIFIED EXPERT
  • 110,175 POSTS
You are very welcome. I hope it helped.

Let me know if you have other questions. Also, please feel free to come back anytime in the future. You are always welcome here.

Take care,

Joe
Jun 9, 2022 at 8:00 PM