A/C compressor clutch relay location

2008 CHRYSLER SEBRING
134,000 MILES • 2.7L
Avatar
  • MEMBER
  • 1 POST
I do not where it is located.
May 28, 2018 at 4:54 AM
Advertisement
Avatar
ASEMASTER6371
  • CERTIFIED EXPERT
  • 52,796 POSTS
Good morning.

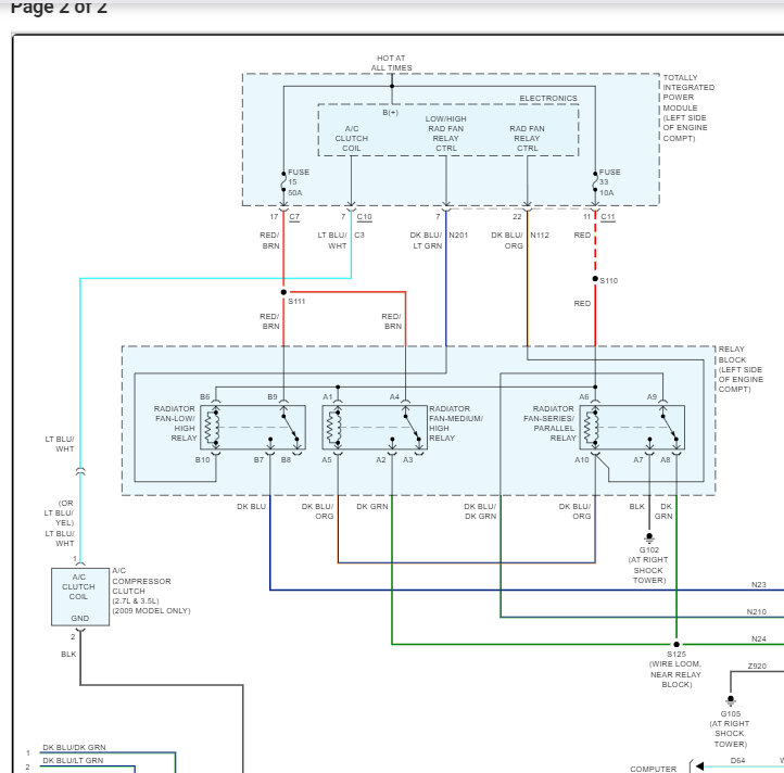
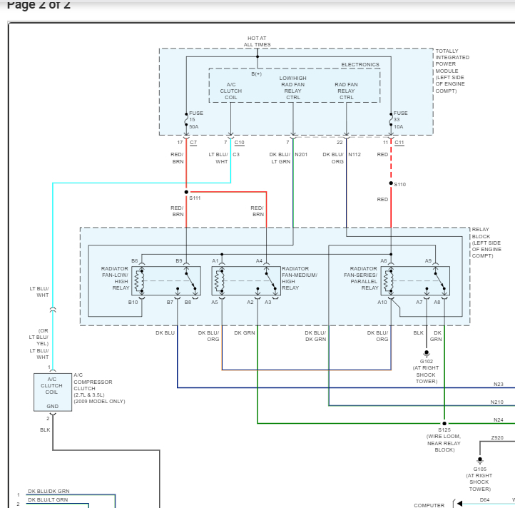
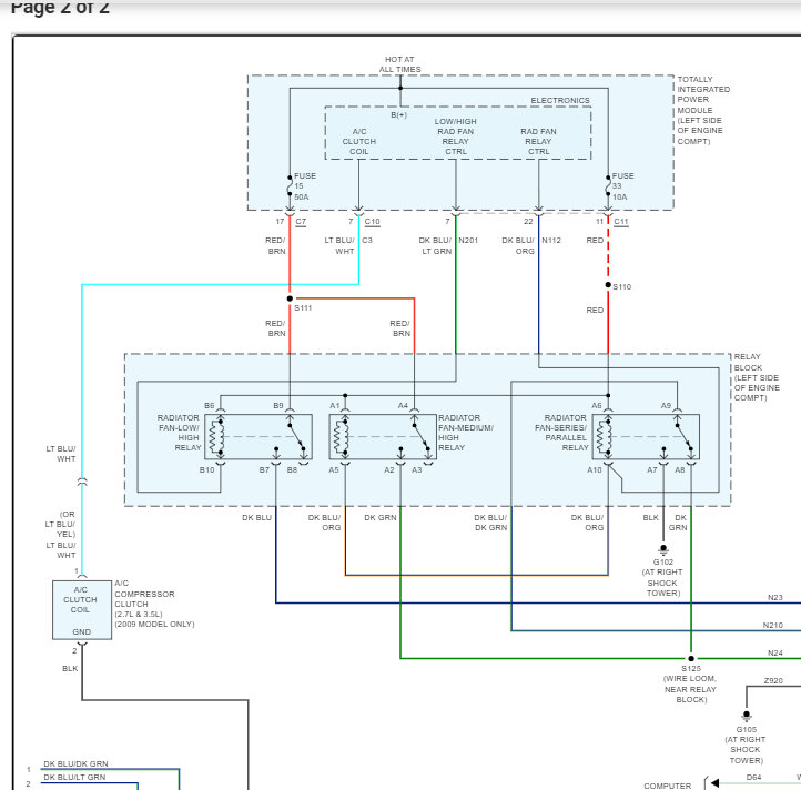
The control for the A/C compressor is inside the totally integrated power module. You cannot service it at all. It sends power to the compressor once it gets the correct signals from the pressure switches. Have you checked for Freon in the system if it is not coming on? If the relay is bad you must replace the TIPM. Here is how in the images below.


May 28, 2018 at 5:06 AM